logo elektroda
logo elektroda
X
logo elektroda
REKLAMA
REKLAMA
Adblock/uBlockOrigin/AdGuard mogą powodować znikanie niektórych postów z powodu nowej reguły.

Seat Leon I 1,4 16V - Przepalający się bezpiecznik nr 34

jpna100 06 Lut 2014 18:04 16959 33
REKLAMA
  • #1 13269508
    jpna100
    Poziom 25  
    Witam mam problem od wypadku z bezpiecznikiem nr 34. Nie zaglądałem wcześniej do bezpieczników ponieważ wszystko działało normalnie, oprócz kontrolki EPC(sonda lambda 2, po wymianie nadal świeci...) Dzisiaj zauważyłem przepalony ten bezpiecznik. Założyłem nowy 10A, odpaliłem silnik pochodził kilka sekund i pojawił się dym z pod maski. Smród przepalonych kabli w okolicy prawego kielicha amortyzatora. Wiecie moze od czego jest ten bezpiecznik, przeglądałem kable i nie widzę żeby były poprzepalane, a zadymiło dość mocno.W schemacie pisze tylko "Jednostka sterująca silnika benzynowego/wysokoprężnego" Dodam że to silniczek 1,4 16v
  • REKLAMA
  • Pomocny post
    #2 13269784
    robokop
    VIP Zasłużony dla elektroda
    jpna100 napisał:
    W schemacie pisze tylko "Jednostka sterująca silnika benzynowego/wysokoprężnego" Dodam że to silniczek 1,4 16v

    Nie w schemacie, tylko w rozpisce bezpieczników. Bądź uprzejmy zerknąć w schemat, co zasila obwód z tym bezpiecznikiem.
  • #3 13270298
    jpna100
    Poziom 25  
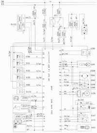
    I tu jest problem bo do Leona nie mogę znaleźć. Przeglądnąłem schemat z golfa 4, bo prawie to samo.. No ale wnioskując ze schematu jest to bezpiecznik zasilający Zawór EGR. Seat Leon I 1,4 16V - Przepalający się bezpiecznik nr 34

    Bezpiecznik S234- ten co pali.
    N121- zawór EGR
    Ciekawostka- na schemacie do zaworu pokazany jest tylko jeden przewód, a idzie do niego aż 4.

    Dodano po 5 [minuty]:

    I nasuwa się pytanie, dlaczego go pali i smaży kable? Czy zapchany nagarem EGR może się zablokować i robić zwarcie?
  • #4 13270425
    Blicek
    Poziom 26  
    jpna100 napisał:
    Czy zapchany nagarem EGR może się zablokować i robić zwarcie?

    Zdejmnij wtyk i będziesz wiedział, czy to zawór, czy zwarcie we wiązce.
    Żeby nie pogarszac sprawy najlepiej gdybyś pomierzył to omomierzem.

    jpna100 napisał:

    Ciekawostka- na schemacie do zaworu pokazany jest tylko jeden przewód, a idzie do niego aż 4.

    Bo to nie jest schemat z Twojego silnika. Jaki jest kod Twojego silnika?
  • REKLAMA
  • REKLAMA
  • Pomocny post
    #6 13270793
    karolgolo
    Poziom 12  
    Cześć, wysłałem Ci na PW temat z silnikiem 1.4 AXP z tym samym objawem co u Ciebie. Tam okazał się uszkodzony podgrzewacz odmy.

    Wychodzi na to że masz prawidłowy schemat co do F34, z tym że F34 to podgrzewacz odmy a nie EGR. https://obrazki.elektroda.pl/3695467500_1335478488.jpg
  • #7 13271067
    jpna100
    Poziom 25  
    Dzięki wielkie, jutro po szkole posprawdzam to wszystko i dam znać :)
  • #9 13271136
    jpna100
    Poziom 25  
    Nie spłonie bo bezpiecznik jest wyjęty.. Po co mam zaprowadzać do elektryka jak chce sam naprawić? Nigdy nie zaprowadzałem samochodu i innych sprzętów do "magików" czyt. mechaników, elektryków i elektroników.. A za taką pomoc typu "zaprowadź auto...." to ja podziękuję.
  • #10 13271173
    LoLek85
    Poziom 28  
    jpna100 napisał:
    Nie spłonie bo bezpiecznik jest wyjęty

    Tymi słowami sam siebie określiłeś jako totalnego "nieuka" w tej dziedzinie - najgorsze jest to że Ty tego nie zauważasz. Dla jasności nie mam na celu obrażenia Cię tylko chciałbym żebyś nabrał trochę pokory bo za pomocą forum nie wszystko da się naprawić, trzeba mieć jakiekolwiek podstawy.
    Jeżeli jest gdzieś zwarcie we wiązce to nie musi być bezpieczniaka a i tak straż może zapukać z pytaniem czy to co zostało z tego Leona to Twoje...
  • REKLAMA
  • #11 13271196
    jpna100
    Poziom 25  
    Kolejna pomocna odpowiedź... Skoro pali jeden bezpiecznik, odcina przepływ prądu na dany odbiornik to co ma się zapalić. Pomyśl logicznie, jak nie zewrzesz dwóch przeciwnych biegunów to nie zaiskrzy, po to są bezpieczniki aby odcinały prąd.
  • #12 13271198
    T5
    Admin grupy Samochody
    jpna100 napisał:
    A za taką pomoc typu "zaprowadź auto...." to ja podziękuję.
    Mnie uczyli żeby coś naprawić to najpierw trzeba poznać zasadę działania. I powiedział '' Jak znasz zasadę działania to naprawisz wszystko". To był cytat mojego majstra.
  • #13 13271205
    jpna100
    Poziom 25  
    Zapraszam aby zapoznac się z zasadą działania bezpieczników.. :D
  • #14 13271225
    LoLek85
    Poziom 28  
    Kolego jpna100 Twoje podejście mnie zniechęciło i mam nadzieję że innych też to skutecznie odstraszy, bo nikt nie będzie ryzykował pomagając CI.

    Krótko mówiąc, chłopie za mało jeszcze widziałeś, ale życzę Ci żebyś nie musiał się przekonać o tym że mogę mieć rację.

    Powodzenia
    Pozdrawiam - jeden z tych "magików"
  • #15 13271232
    Konto nie istnieje
    Konto nie istnieje  
  • #16 13271245
    T5
    Admin grupy Samochody
    non e vero italiano napisał:
    A może zamiast bezpiecznika wsadzić coś innego? Coś, co ograniczy prąd do jakiejś rozsądnej wartości? I nie przepali się, a zasygnalizuje przeciążenie?
    Nie za trudne to? ;)
  • #17 13271269
    jpna100
    Poziom 25  
    Panowie przecież wszystko robię na swoja odpowiedzialność, jak coś schrzanię to będzie tylko i wyłącznie moja wina :D Próbować zawsze można :P
  • #18 13271288
    Konto nie istnieje
    Konto nie istnieje  
  • #20 13272664
    jpna100
    Poziom 25  
    Co ciekawe znalazłem jeden kabel przetarty od czujnika klimatyzacji(biały) Chcąc zmierzyć napięcie na podgrzewaczu odmy grzeje mi kable w mierniku i nie pokazuje wartosci napięcia.. Bezpiecznika jak na razie nie przepala.

    Dodano po 4 [godziny] 21 [minuty]:

    A więc tak jeden problem rozwiązany, kable od podgrzewacza odmy były przełamane i robiły zwarcie. 2 kable od czujnika klimy także były przetarte. Co ciekawe chciałem go podłączyć pod komputer dzisiaj w szkole i nie można było się połączyć z samochodem... Po naprawie odpiąłem akumulator, kontrolka EPC nie świeciła dosyć długo. Chodził na obrotach biegu jałowego z 20 minut(wentylatory włączyły się 3 razy). Po przejechaniu się na podwórku wywaliło znowu EPC. Spróbuję jeszcze raz podpiać się pod kompa.
  • #21 13275516
    jpna100
    Poziom 25  
    Panowie wiecie może dlaczego po odpięciu akumulatora na ok. 10 min, kontrolka wcale się nie zaświeci. Mogę jeździć ile chcę. Wystarczy tylko że zgaszę samochód i ponownie go odpalę- kontrolkę ponownie wywala. Żadnych objawów typu zamulenie itd. nie wyczuwam.
  • #23 13275860
    jpna100
    Poziom 25  
    Dobra panowie sprawa wyjaśniona. Byłem u znajomego mechanika, po podpięciu bezproblemowo pod komputer wyskoczyła cała litania błędów: sonda lambda 2(grzałka), wypadanie zapłonu 1 i 3 cylindra, czujnik klimatyzacji(spalony- to było przyczyną zadymienia spod maski), czujnik stopu i wiele innych. Usunął te błędy, przejechałem ponad 100km, w czasie jazdy znowu zaświeciło EPC. Wróciłem do znajomego, po podpięciu pokazał się ten sam błąd- czujnik stopu, kodu błędu nie pamiętam ale jest to błąd stały, reszta nie była stała. Teraz pytanie, czy wystarczy go rozebrać i przeczyścić, czy wymiana na nowy? Dzwoniłem do znajomego właściciela sklepu motoryzacyjnego i mówił żeby spróbować go rozebrać. Tak samo powiedział że nowe Chińskie strasznie szybko się psują.
  • #24 13289293
    jpna100
    Poziom 25  
    Czujnik wymieniony, resetowałem go przez odpięcie klem. Przejechałem z 1 km i zaświeciło się znowu. Podpiąłem pod komputer, wyskoczył błąd 16955. Dodatkowo sprawdził mi działanie czujnika. Wartość z 000 po naciśnięciu hamulca zmieniała się na chyba 001(albo 011, nie pamiętam dokładnie). I zagadka dalej występuje, po usunięciu błędów ponownie się zaświeciło EPC
  • #26 13289950
    jpna100
    Poziom 25  
    Tak wszystko działa prawidłowo. Wszystkie 3 lampy świecą prawidłowo na zgaszonym silniku jak i na odpalonym.
  • #27 13290925
    jacek074
    Poziom 29  
    Czujnik ma dwa obwody ,jeden na światła drugi do sterownika ,po wciśnięciu ma być 011.W aso nie jest drogi ,tylko niech dobiorą po vin bo były zmiany.Przy montażu pedał nie jest wciśnięty !
  • #28 13290972
    jpna100
    Poziom 25  
    Tak wiem że są dwa obwody. Zależy od czujnika bo jeden się montuje przy wciśniętym a drugi bez wciskania. Jeden obwód się zamyka gdy naciska się na pedał a drugi jest zamknięty w chwili gdy pedał nie jest naciśnięty. Obydwa rodzaje czujników działają na takiej samej zasadzie, tylko inaczej się je montuje ze względu na samoczynną regulację zapadek na trzpieniu. A czujnik kupiłem Niemieckiej firmy Febi(zielony)
  • #29 13291146
    jacek074
    Poziom 29  
    Przekonałem się że firma febi już nie robi dobrych części,nowa kostka stacyjki do wyrzucenia.Podeślij na pw vin to może coś podpowiem
  • #30 13291213
    sigwa18
    Poziom 43  
    jacek074 napisał:
    Czujnik ma dwa obwody ,jeden na światła drugi do sterownika ,po wciśnięciu ma być 011.W aso nie jest drogi ,tylko niech dobiorą po vin bo były zmiany.Przy montażu pedał nie jest wciśnięty !
    Bzdura pierwszy bit odpowiada za czujnik pedału sprzęgła (1- wciśnięty) dwa pozostałe są od czujnika pedału hamulca i maja się zmieniać x01 i x10 (010 to stan nie wciśnięty ani stop ani sprzęgło).
REKLAMA