logo elektroda
logo elektroda
X
logo elektroda
REKLAMA
REKLAMA
Adblock/uBlockOrigin/AdGuard mogą powodować znikanie niektórych postów z powodu nowej reguły.

Dobór rezystorów do układu z silnikiem MT64 3-6V

mik5owski 08 Lut 2014 02:31 1476 0
REKLAMA
  • #1 13275206
    mik5owski
    Poziom 1  
    Dobór rezystorów do układu z silnikiem MT64 3-6V

    Pytanie jakie dobrać rezystory jeżeli w układzie znajduje się taki silnik:
    Napięcie zasilania: 3 - 6 V
    Prąd na biegu jałowy: 30 mA / 3 V
    Prędkość: ok. 14 000 obr/min
    Długość wrzeciona: 5,1 mm
    Średnica wrzeciona: 1,6 mm
    Długość silnika (bez wrzeciona): około 20,8 mm
    Wymiary: 11,9 x 15,3 mm

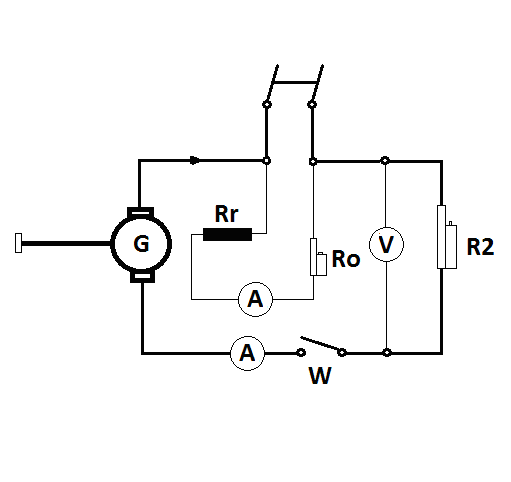
    Dodatkowo do układu dołączony jest opis:
    Aby prąd rozruchowy silnika Ir£2,5In w obwód twornika włączono rezystor Rr. Przed uruchomieniem silnika rezystor ten powinien znajdować się w położeniu Rr max. Uruchomienie silnika polega na zamknięciu wyłącznika W1 i stopniowym zmniejszaniu rezystancji Rr od wartości Rr max do wartości Rr=0. Po rozruchu silnik należy obciążyć za pomocą rezystora Ro tak, aby przy U=Un pobierał on z sieci prąd I=1,25 In. Zmniejszając obciążenie silnika od I = 1,25 In do wartości, przy której prędkość obrotowa wirnika n=1,3nn.
    Odpowiednie wartości prądu wzbudzenia ustala się za pomocą rezystora R1. Rezystor ten powinien mieć blokadę uniemożliwiającą zwarcie obwodu wzbudzenia.

    Z góry chciałem zauważyć, że w temacie jestem laikiem więc proszę o powstrzymanie się od szyderczych komentarzy.
  • REKLAMA
REKLAMA