logo elektroda
logo elektroda
X
logo elektroda
REKLAMA
REKLAMA
Adblock/uBlockOrigin/AdGuard mogą powodować znikanie niektórych postów z powodu nowej reguły.

[Atmega8] [Atmega8][Bascom] Odczyt RFID - brak reakcji układu, kod czy sprzęt?

morswin89 08 Lut 2014 18:19 1899 1
REKLAMA
  • #1 13277238
    morswin89
    Poziom 23  
    Witam

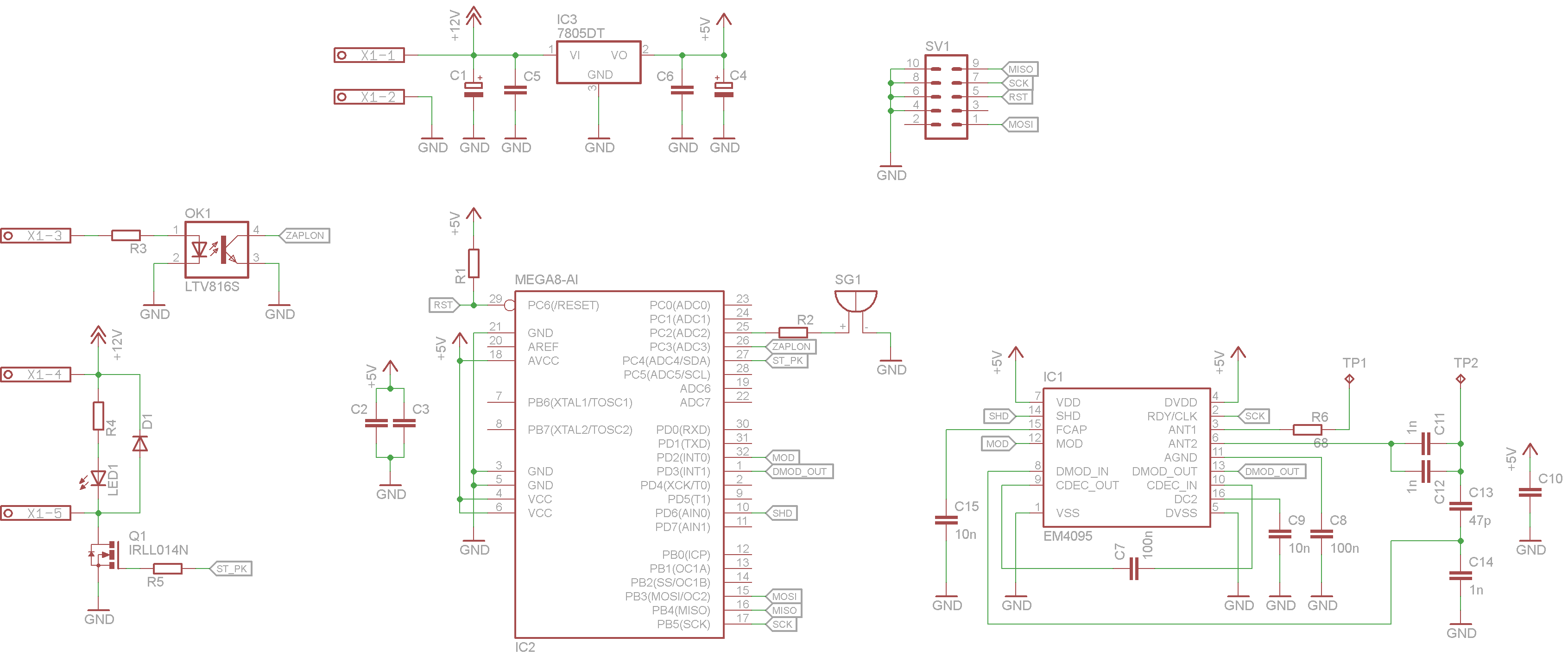
    Schemat:

    [Atmega8] [Atmega8][Bascom] Odczyt RFID - brak reakcji układu, kod czy sprzęt?

    parametry anteny: L = 736 uH
    jedyna niezgodność to kondensatory C9 i C15 maja wartość 15nF bo 10nF akurat nie mam.

    Kod:

    Kod: text
    Zaloguj się, aby zobaczyć kod


    transpodery jakie mam:

    Częstotliwość 125kHz
    Kodowanie Unique

    Brak jakiejkolwiek reakcji układu i nie wiem gdzie szukać problemu w kodzie czy sprzęcie
  • REKLAMA
  • #2 15068442
    adamschodowy
    Poziom 12  
    Cytat:
    Config Hitag = 64 , Type = Em4095 ,


    tymczasem w dokumentacji :

    syntax for EM4095
    prescale - The pre scaler value that is used by TIMER0. A value of 8 and 256 will work at 8 MHz.
REKLAMA