Witam,
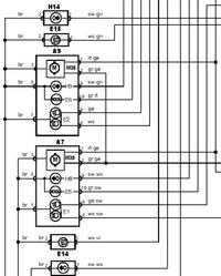
Szukam schematu kostki przyłączeniowej lampy przedniej do audi a3 8p 2004 rok.
Jeśli ktoś posiada rysunek z rozpiską, to będę wdzięczny za udostępnienie
Szukam schematu kostki przyłączeniowej lampy przedniej do audi a3 8p 2004 rok.
Jeśli ktoś posiada rysunek z rozpiską, to będę wdzięczny za udostępnienie