logo elektroda
logo elektroda
X
logo elektroda
REKLAMA
REKLAMA
Adblock/uBlockOrigin/AdGuard mogą powodować znikanie niektórych postów z powodu nowej reguły.

Opel Vectra b '98 - nie działają elektryczne szyby.

MiWcio 16 Lut 2014 19:49 5457 5
REKLAMA
  • #1 13310676
    MiWcio
    Poziom 8  
    Witam. W mojej Viki nie działają elektryczne (2) szyby. po naciśnięciu przycisków nic się nie dzieje zero reakcji oprócz tego że przygasają kontrolki na przyciskach. I jeszcze jedna ciekawostka jak się otworzy drzwi to kontrolki gasną a jak zamknie to świecą i tak cały czas co tu się mogło stać ??
  • REKLAMA
  • #2 13310760
    Mechaniorek
    Poziom 11  
    Zacznij od sprawdzenia okablowania w drzwiach( uszkodzenia mechaniczne, przerwy)
  • REKLAMA
  • #3 13310781
    MiWcio
    Poziom 8  
    to już sprawdziłem i wszystko jest w porządku
  • REKLAMA
  • #4 13310908
    Mechaniorek
    Poziom 11  
    A sprawdzałeś podłączenia kabli może gdzieś nie ma dobrego kontaktu( np zaśniedziały pin)
  • REKLAMA
  • #5 13311173
    KMal
    Poziom 34  
    Witam.
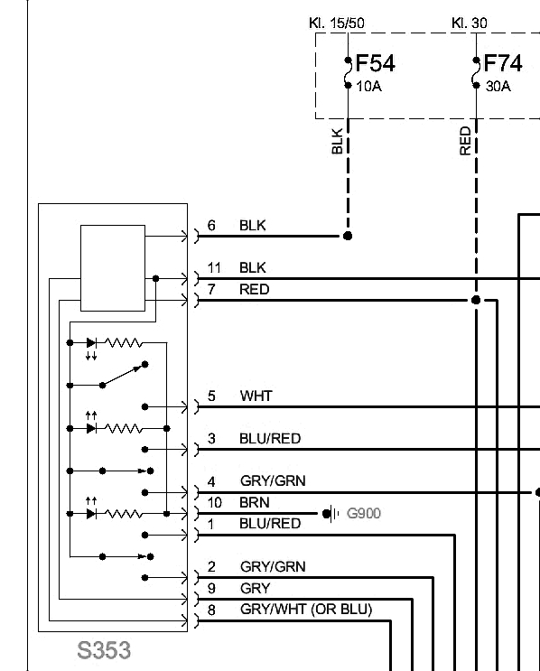
    Za mało informacji. Musisz dokonać pewnych pomiarów, żeby można Ci pomóc lub sam trafisz na przyczynę. Dlatego w zał. masz - schemat szyb podnoszonych elektrycznie w tym samochodzie.
    UWAGA - w opisie elementów w pozycji SiI - powinno być S11.

    Widzę, że w innym temacie piszesz o ciągłym świeceniu prawych postojowych - czy czasem nie stało się to razem z tymi szybami ?
    Opel Vectra b '98 - nie działają elektryczne szyby.
    Skup się na tym przełączniku S353 (rys.) - bezpiecznik F54 (jak dobry, to wyjmij i zobacz efekt - przygasanie podświetlenia itd).
  • #6 13311775
    MiWcio
    Poziom 8  
    dzięki KMal za schemat i opis, jak ta postojówka zaczęła się świecić to, szyby przestały działać po jakiś 4 dniach.
REKLAMA