logo elektroda
logo elektroda
X
logo elektroda
REKLAMA
REKLAMA
Adblock/uBlockOrigin/AdGuard mogą powodować znikanie niektórych postów z powodu nowej reguły.

Sharan 1.9tdi 2002 - Rozpiska pinów modułu parktronica, brak sygnału prędkości

endriu233 22 Lut 2014 13:01 1158 1
REKLAMA
  • #1 13332015
    endriu233
    Poziom 21  
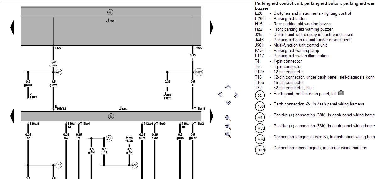
    Witam, czy posiada może ktoś rozpiskę pinów złączek dochodzących do modułu parktronica w Sharanie po 2001. Problem polega na tym, że nie wyłącza parktronica, gdyż nie widzi prędkości pojazdu.
  • REKLAMA
REKLAMA