Siemka
Mam problem z podłączeniem domykania szyb. Póki nie miałem przekaźników wszystko było ok, jednak teraz sprawa mi się komplikuje bo jakbym nie podłączył to przy zamykaniu robi mi zwarcie
Założyłem dwa przekaźniki na szybe kierowcy i zostają mi dwa kabelki od domykania. Jak to ugryźć? :turn-l:
Poniżaj zapodaje schematy

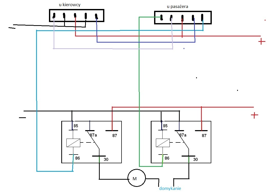
Mam problem z podłączeniem domykania szyb. Póki nie miałem przekaźników wszystko było ok, jednak teraz sprawa mi się komplikuje bo jakbym nie podłączył to przy zamykaniu robi mi zwarcie
Założyłem dwa przekaźniki na szybe kierowcy i zostają mi dwa kabelki od domykania. Jak to ugryźć? :turn-l:
Poniżaj zapodaje schematy