logo elektroda
logo elektroda
X
logo elektroda
REKLAMA
REKLAMA
Adblock/uBlockOrigin/AdGuard mogą powodować znikanie niektórych postów z powodu nowej reguły.

Modbus - Jak poprawnie zapisać wiele rejestrów do modułu AB6000?

bart_90 16 Mar 2014 15:21 3021 1
REKLAMA
  • #1 13410013
    bart_90
    Poziom 9  
    Witam,
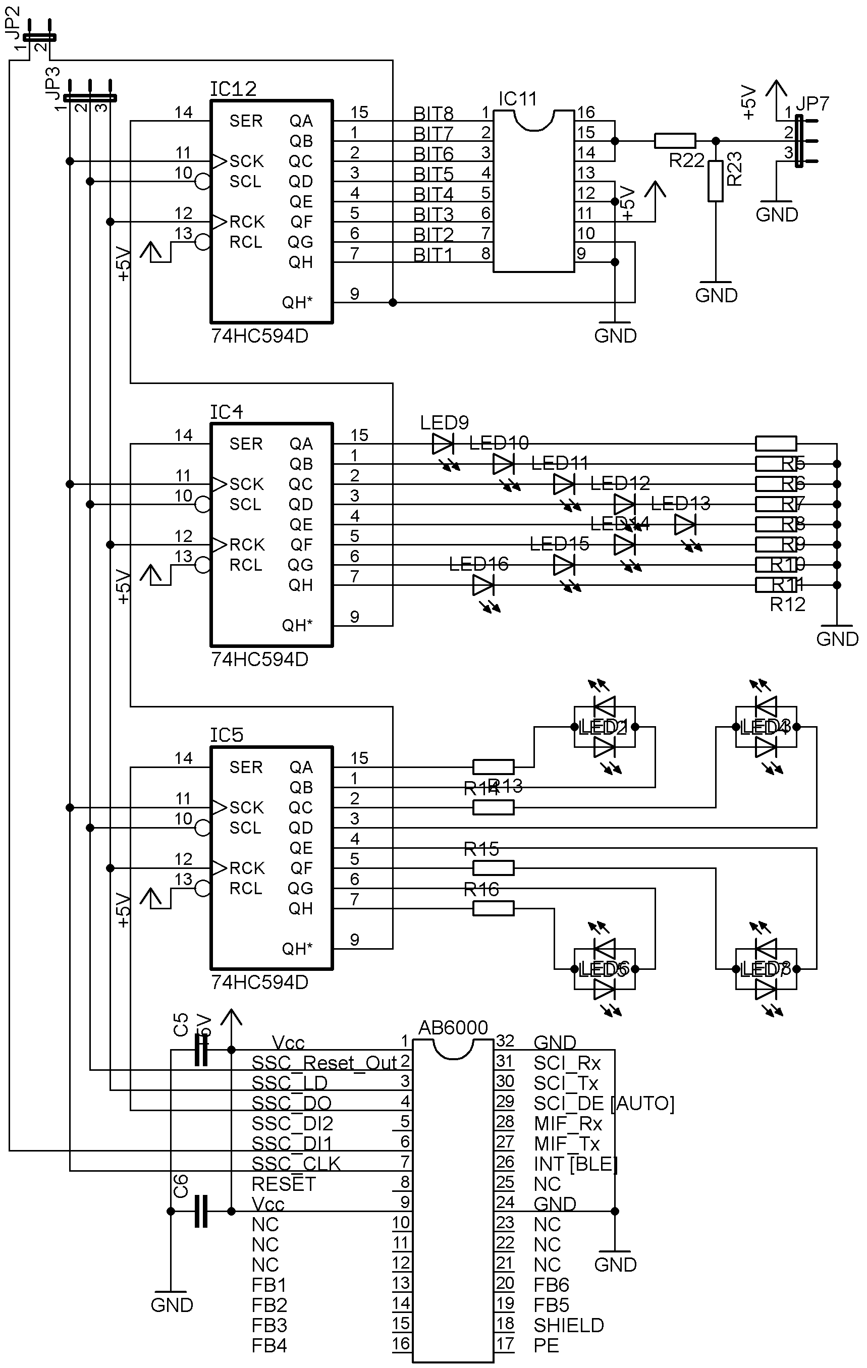
    chciałbym wysłać do modułu AB6000 pracującego w standardzie Modbus ramkę danych z funkcją zapisu wielu rejestrów, aby sterować poszczególnymi diodami oraz przetwornikiem cyfrowo analogowym podłączonym do rejestrów przesuwnych 74HC594D. Z odczytaniem wielu rejestrów nie miałem tyle problemów co z powyższym dlatego też bardzo proszę o pomoc bo mam wrażenie że wszystko jest jak powinno, a mimo to nie działa poprawnie.

    Pod spodem przedstawiam schemat bloku rejestrów przesuwnych. Modbus - Jak poprawnie zapisać wiele rejestrów do modułu AB6000?

    Pod spodem przedstawiam tylko część programu odpowiadającą za wysłanie danej ramki.

    Kod: C#
    Zaloguj się, aby zobaczyć kod


    Dziękuje i pozdrawiam
  • REKLAMA
  • #2 13412378
    bart_90
    Poziom 9  
    Wprowadziłem drobne poprawki i udało się poprawnie uruchomić układ.
    Temat uważam za zamknięty.
REKLAMA