logo elektroda
logo elektroda
X
logo elektroda
REKLAMA
REKLAMA
Adblock/uBlockOrigin/AdGuard mogą powodować znikanie niektórych postów z powodu nowej reguły.

CB Radio Gamma I-AM - brak odbioru i nadawania po zwarciu, co sprawdzić?

krugg22 18 Mar 2014 14:42 3360 4
REKLAMA
  • #1 13417340
    krugg22
    Poziom 10  
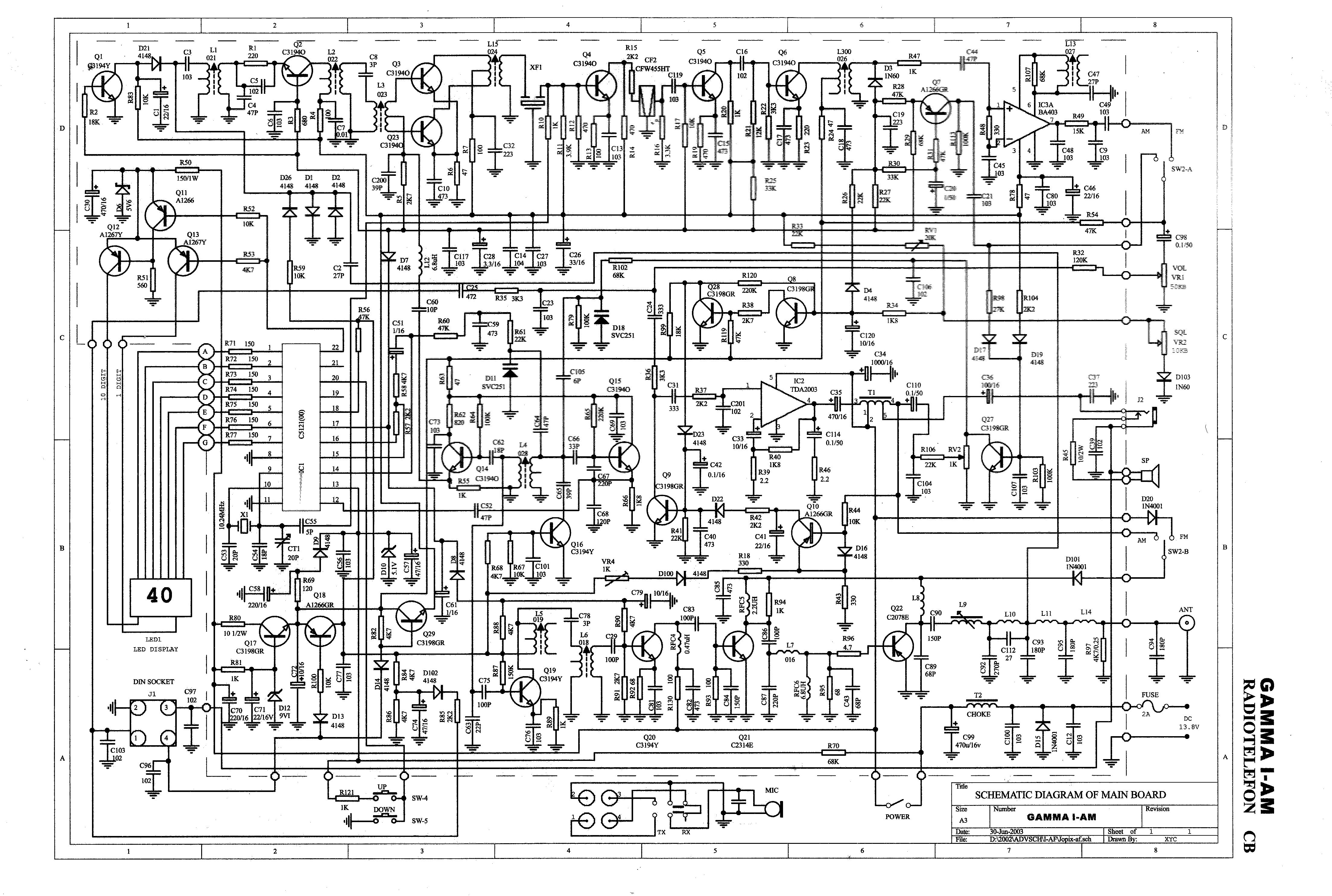
    Witam mam problem z radiem CB gamma I-AM . Jakiś czas temu doszło do zwarcia z mojej winy, doszło do upalenia ścieżki która już zlutowałem, ale radio wciąż nie odbiera ani nie nadaje nie słychać nawet szumów, czy to możne być końcówka mocy? dodam ze wyświetlacz działa i można zmieniać kanały, dioda d15 jest sprawna, korzystałem ze schematu który załączyłem dodam ze mikrofon wraz z antena jest połączony i jak wciskam przycisk nadawania to załącza się jakiś tranzystor
  • REKLAMA
  • Pomocny post
    #2 13417432
    Staszekalarm
    Poziom 9  
    Witam !
    Z tego co Kolego opisujesz wygląda na spaloną końcówkę mocy głośnika , przy zamianie polaryzacji powinna polecieć dioda zabezpieczająca na wejściu zasilania , ale skoro poszła ścieżka to prawie pewne , że trzeba zainwestować w końcówkę mocy , wydatek nie duży ale trzeba się nabiegać .Powodzenia i pozdrawiam !
  • REKLAMA
  • Pomocny post
    #3 13417477
    zpx
    Poziom 16  
    W obecnych Gammach I AM to schemat wygląda zupełnie inaczej (niestety nie widziałem aktualnego).
    Końcówka mocy audio to jak dobrze pamiętam TDA2003. Ale najpierw warto sprawdzić mikrofon - może być oberwany kabelek z masą, najczęściej we wtyczce. Jeśli mikrofon sprawny, trzeba sprawdzić, czy radio nadaje falę nośną. Można przy pomocy reflektometru albo przy antenie ustawić jakieś małe działające radyjko (UKF) lub głośniczki komputerowe. Powinno być słychać jakąś (zazwyczaj znaczną) różnicę przy włączeniu nadawania W CB.
    Jeśli tak jest, to coś powiedzieć do mikrofonu (w głośniczku radia UKF lub w głośniczkach komputerowych) przy sprawnie działającym nadawaniu powinieneś się usłyszeć. Jeśli nie to dopiero wtedy myślałbym o uszkodzonej końcówce audio.
  • REKLAMA
  • #4 13422815
    krugg22
    Poziom 10  
    Wymieniłem końcówkę mocy i wszystko działa dziękuje i pozdrawiam temat rozwiązany
  • #5 13425045
    Staszekalarm
    Poziom 9  
    WITAM PONOWNIE !
    fajnie , że się udało , ale dodatkowo potrzebna jest wymiana diody zabezpieczającej na wejściu zasilania głównego co nie doprowadzi do ponownego uszkodzenia końcówki mocy , jeżeli jej nie było to powinna być BYP 401 - 1A i wlutowana od plus zasilania do minusa ( z paskiem kierunkowym w stronę plus zasilania )
    Pozdrawiam !
REKLAMA