logo elektroda
logo elektroda
X
logo elektroda
REKLAMA
REKLAMA
Adblock/uBlockOrigin/AdGuard mogą powodować znikanie niektórych postów z powodu nowej reguły.

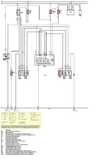
Podłączenie elektrycznych lusterek Fiat Bravo 98 1.6 16V - schemat kabli

sebus88 19 Mar 2014 20:49 3123 6
REKLAMA
  • #1 13422489
    sebus88
    Poziom 9  
    Siema pomoze ktos mam bravo 98r 1,6 16v i wiazke tylko w drzwiach do lusterek elektrycznych a kupilem kable do sterownika i nie wiem jak to podlaczyc ;( ida 8 kabli z przelacznika i po 5 z lusterek (czarny i czarny z brazowym to podgrzwanie gdzie mam podlaczyc jak co ) 2 to ogrzewanie a 3 to sterowanie lewo prawo gora dol czy jak ? mam takie kable bialy z czerwonym
    szary z czerwonym
    fioletowy
    niebieski z czewonym
    zolty z zielonym
    pomaranczowy z szarym
    niebieski z zielonym pozdrawiam
  • REKLAMA
  • REKLAMA
  • #3 13423762
    sebus88
    Poziom 9  
    Nigdy ich nie umialem odczytac ;( Nie wiem ktory gdzie ma isc
  • REKLAMA
  • #5 13424975
    sebus88
    Poziom 9  
    Ok podlaczylem ;)grzanie lusterek dziala ;) dziala tylko lewa i gora jak biore prawa i dol to sie grzeje kabel i ida iskry ? co to moze byc ??
  • #6 13425028
    brofran
    Poziom 40  
    sebus88 napisał:
    to sie grzeje kabel i ida iskry ? co to moze byc ??

    Masz zwarcie , prawdopodobnie coś źle połączyłeś , lub masz zwarcie w lusterku.
  • REKLAMA
  • #7 13425197
    sebus88
    Poziom 9  
    no wedlug schematu :) podlaczylem tak :
    niebieski z zoltym po lewe i prawe,niebieski z czerwonym prawe,fioletowo biale do fioletowego,szary z czerwonym do prawego,bialo czerwone lewe,pomaranczowo szary do bezpiecznika 7.5A ,zolto zielony do bezpiecznika 10A 2 brazowo czarne do 7.5A grzanie lusterek(dziala ladnie grzeja) i czarny 2x lusterka do masy i jeden raz od sterownika ???? Zle czy dobrze ??

    Dodano po 2 [godziny] 43 [minuty]:

    Ok zamykam temat wszystko gra jak ta lala ;)))) hehe wielkie dzieki kat_alkatraz za schemat ;))pozdrawiam
REKLAMA