Witam
Przełożyłem silnik z Nubiry 2.0 1998r do motorówki, jestem w trakcie wykonywania instalacji elektrycznej i jest jeden problem.
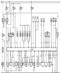
W złączonym schemacie czujnik prędkości B33 podaje impuls na prędkościomierz P9 i pin D10 komputera. W motorówce(nie potrzebny jest prędkościomierz) nie ma skrzyni biegów bo cała moc silnika przenoszona jest bezpośrednio wałkiem na turbinę pędnika wodnego i czujnika nie ma jak gdziekolwiek zsynchronizować z prędkością.
1.Czy można odłączyć czujnik od instalacji bez konsekwencji?(np łapanie błędu i praca w trybie awaryjnym)
2.Czy komputer oblicza skład mieszanki uwzględniając prędkość?
3.Czy można w jakoś inaczej rozwiązać ten problem?
Z góry dziękuje za pomoc.
Pozdrawiam
Radek

Przełożyłem silnik z Nubiry 2.0 1998r do motorówki, jestem w trakcie wykonywania instalacji elektrycznej i jest jeden problem.
W złączonym schemacie czujnik prędkości B33 podaje impuls na prędkościomierz P9 i pin D10 komputera. W motorówce(nie potrzebny jest prędkościomierz) nie ma skrzyni biegów bo cała moc silnika przenoszona jest bezpośrednio wałkiem na turbinę pędnika wodnego i czujnika nie ma jak gdziekolwiek zsynchronizować z prędkością.
1.Czy można odłączyć czujnik od instalacji bez konsekwencji?(np łapanie błędu i praca w trybie awaryjnym)
2.Czy komputer oblicza skład mieszanki uwzględniając prędkość?
3.Czy można w jakoś inaczej rozwiązać ten problem?
Z góry dziękuje za pomoc.
Pozdrawiam
Radek