logo elektroda
logo elektroda
X
logo elektroda
REKLAMA
REKLAMA
Adblock/uBlockOrigin/AdGuard mogą powodować znikanie niektórych postów z powodu nowej reguły.

Farun Gamma AM-I - Jak dodać RF-Gain do CB radia?

art2310 30 Mar 2014 22:07 1380 3
REKLAMA
  • #1 13459903
    art2310
    Poziom 11  
    Witam.Mam pytanie do fachowców-elektroników od cb.Mam od dłuższego czasu cb radio Farun Gamma Am-I ładnie odbiera i nadaje a nawet dobrze wycina zakłócenia z instalacji samochodu.Brakuje jednak RF-gaina w mieście.Szukałem już na różnych forach czy ktoś dorabiał RF-gaina ale nic nie znalazłem.Może tu ktoś tunningował to radyjko?Schemat można znaleźć w internecie.Z góry dziękuję.
  • REKLAMA
  • #2 13460276
    kriss51
    VIP Zasłużony dla elektroda
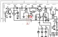
    Witam. Tak powinno to wyglądać.

    Farun Gamma AM-I - Jak dodać RF-Gain do CB radia?
  • REKLAMA
  • Pomocny post
    #3 13460577
    SP5ANJ
    Spoczywaj w Pokoju
    Witam.

    kriss51 napisał:
    Tak powinno to wyglądać.

    Z wielkim szacunkiem dla Twojej osoby ale zapomnieliśmy o w.cz. na takim przewodzie do potencjometru.

    Zdecydowanie byłbym nad przylutowaniem kondensatora 1nF w miejsce rozwarcia ścieżek (bezpośrednio na laminacie ścieżek).

    Farun Gamma AM-I - Jak dodać RF-Gain do CB radia?

    Wartość 1nF nie jest krytyczna i możemy wlutować od 1nF do 10nF.


    Pozdrawiam.
  • #4 13502915
    art2310
    Poziom 11  
    Dziękuje za szybką reakcje.Teraz pozostało tylko wyszukanie elementów na płycie i lutownica w dłoń.Z szukaniem będzie mały kłopot bo części są małe i dość ciasno upakowane ale jestem dobrej myśli.
REKLAMA