logo elektroda
logo elektroda
X
logo elektroda
Adblock/uBlockOrigin/AdGuard mogą powodować znikanie niektórych postów z powodu nowej reguły.

TTI 881 - radio działa, ale przyciski czasami nie reagują. Czy to procesor?

jezyk403 10 Kwi 2014 20:26 2220 12
  • #1 13496346
    jezyk403
    Poziom 10  
    Posiadam radio tti 881. Po włączeniu radio działa ale nie reaguję na żadne przyciski. Co jakiś czas zadziała przez godzine czy 2 i póżniej nie reaguję dalej na przyciski. Mikrofon sprawny bo sprawdzany na innym radiu. Czy to wina procesora?
  • #2 13496376
    SP5ANJ
    Spoczywaj w Pokoju
    Witam.

    A co z UP, DWN oraz LOCK w mikrofonie. :?:


    Pozdrawiam.
  • #3 13496406
    jezyk403
    Poziom 10  
    UP, DWN, LOCK -nie działa, jedynie nadawanie działa bo wskaźnik sie wychyla i radio nadaje bo słyszę siebie na innym radiu
  • #4 13496439
    zpx
    Poziom 16  
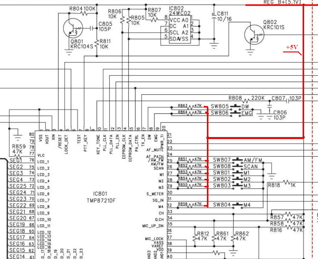
    Spróbuj odszukać tranzystor Q931 - stabilizuje on 5V. Sprawdź czy jest tam to 5V (na emiterze, na bazie 5,6V i na kolektorze 12V) i czy nie jest bardzo gorący. Jeśli napięcie siada i tranzystor się grzeje to mogą być 2 powody: zwarcie na obwodzie drukowanym lub zwarcie w strukturze procesora. Może tylko zimne luty przy tym tranzystorze...
  • #5 13496458
    SP5ANJ
    Spoczywaj w Pokoju
    Witam.

    Powinieneś sprawdzić czy masz napięcie +5V w linii oporników 47kΩ dla stanów logicznych "1" (+5V) i "0" (0V) :

    TTI 881 - radio działa, ale przyciski czasami nie reagują. Czy to procesor?


    Pozdrawiam.
  • #6 13496585
    jezyk403
    Poziom 10  
    nie mogę znaleść w tym radiu q931 natomiast jest c931 i v=5,6
  • #8 13496710
    jezyk403
    Poziom 10  
    z całym szacunkiem jest tylko c931 innego nie widze, czy aby na pewno to tti 881 schematy, rożnią sie od tego co jest w środku
  • #9 13496758
    zpx
    Poziom 16  
    Moja i trochu twoja wina. Faktycznie, to od 880 jak w temacie. W treści prosiłeś o 881. Niestety nie mam schematu, ale o ile pamiętam, dużo się nie różnią.
  • #10 13496768
    jezyk403
    Poziom 10  
    przepraszam za wprowadzenie w błąd, już poprawiłem
  • #11 13496893
    zpx
    Poziom 16  
    To jest z TCB-771 - powinno być tak samo w TCB-881. Też Q931.

    TTI 881 - radio działa, ale przyciski czasami nie reagują. Czy to procesor?
  • #12 13497527
    SP5ANJ
    Spoczywaj w Pokoju
    Witam.
    jezyk403 napisał:
    z całym szacunkiem jest tylko c931 innego nie widze, czy aby na pewno to tti 881 schematy ...

    Dla 100% pewności - jaką masz płytę - zrób zdjęcie środkowej jej części od strony ścieżek/elementów SMD i od drugiej strony a wszystko się wyjaśni.

    Dla przykładu np. Uniden PRO520XL mimo, że w tej samej niezmienionej obudowie posiada już 6 wersję radia gdzie ostatnie 4 wersje były zupełnie innymi radiami w środku. :D


    Pozdrawiam.
  • #13 13499216
    jezyk403
    Poziom 10  
    TTI 881
    TTI 881 - radio działa, ale przyciski czasami nie reagują. Czy to procesor? TTI 881 - radio działa, ale przyciski czasami nie reagują. Czy to procesor?
REKLAMA