logo elektroda
logo elektroda
X
logo elektroda
REKLAMA
REKLAMA
Adblock/uBlockOrigin/AdGuard mogą powodować znikanie niektórych postów z powodu nowej reguły.

lafayette zeus pro mikrofon 8 pinów

slawekzako 14 Kwi 2014 01:35 4851 6
REKLAMA
  • REKLAMA
  • REKLAMA
  • REKLAMA
  • #4 13508252
    slawekzako
    Poziom 10  
    Znalazłem rozwiązanie co i jak wszystko działa i bez problemów!!!!
    Proszę oto rozwiązanie zagadki 8 pinów we wtyczce!!!
    7 plecionka czyli (GRAND)
    6 Niebieski
    5 Żółty
    4 Czarny
    3 Zielony
    2 Biały
    extra to czerwony 1 Pin Podświetlanie
    Poniżej zamieszczam zdjęcie mikrofonu od środka kable fabrycznie montowane nie modyfikowane!!! lafayette zeus pro mikrofon 8 pinów
  • REKLAMA
  • #5 13799398
    neik
    Poziom 11  
    slawekzako napisał:

    extra to czerwony 1 Pin Podświetlanie
    lafayette zeus pro mikrofon 8 pinów

    Mozna coś więcej dowiedzieć się o tym czerwonym przewodzie, jakie podświetlanie?
  • #6 13800511
    SP5ANJ
    Spoczywaj w Pokoju
    Witam.

    neik napisał:
    Mozna coś więcej dowiedzieć się o tym czerwonym przewodzie, jakie podświetlanie?

    Najzwyklejsze podświetlanie klawiszy w mikrofonie (taki "bajer").

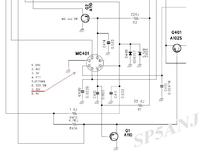
    Jeżeli na czerwony przewód podasz napięcie około +8V lub +zasilania - to diody zaczną się świecić i podświetlą klawisze - ot co - :

    lafayette zeus pro mikrofon 8 pinów
    kabelek czerwony i na czerwono pokazane jest jak "przebiega" to napięcie na diody świecące.

    Na bolcu nr7 masz napięcie +12V i tam podłącz czerwony kabelek :

    lafayette zeus pro mikrofon 8 pinów



    Pozdrawiam.
REKLAMA