Jakkolwiek budowa układów luster prądowych, takich jak chociażby źródło prądowe w układzie Howlanda, jest wykładana na podstawowych zajęciach z projektowania układów analogowych, zaskakująco duży odsetek inżynierów elektroników rozpatruje układy, nad którymi pracuje, tylko i wyłącznie w kontekście napięcia, szczególnie podczas definiowania parametrów wyjściowych z precyzyjnych systemów analogowych. Zjawisko to nie jest zbyt dobre, gdyż układy z wyjściem prądowym oferują szereg zalet przydatnych w wielu sytuacjach. Niektórymi z obszarów zastosowań, gdzie sprawdzają się układy z wyjściem prądowym, są oczywiście pętle prądowe do transmisji danych (na przykład przemysłowe standardy pętli 0 mA - 20 mA czy 4 mA - 20 mA) w zaszumionym otoczeniu czy też do przesuwania poziomu sygnału analogowego o dużą różnicę potencjałów bez wykorzystania izolatorów optycznych czy magnetycznych. W poniższym artykule opisany zostanie szereg dostępnych technik oraz możliwych rozwiązań układowych wraz z potencjalnymi ich zastosowaniami.
Niezwykle łatwo jest uzyskać stabilne wyjście prądowe. Najprostszą metodą osiągnięcia tego jest wykorzystanie lustra prądowego: dwa identyczne tranzystory, najlepiej wykonane w jednym procesie na wspólnym podłożu (co zapewnia iż ich parametry będą możliwie zbliżone, z uwagi na taką samą geometrię, temperaturę i proces produkcji), łączone są w sposób pokazany na poniższym schemacie. Napięcie baza-emiter jest takie samo dla obu tranzystorów, zatem prąd płynący przez kolektor tranzystora T2 jest taki sam jak wejściowy prąd płynący przez kolektor tranzystora T1.
Powyższa analiza układu zakłada, że tranzystory T1 oraz T2 są identyczne oraz znajdują się w tej samej temperaturze. Konieczne jest także, aby wzmocnienie prądu obu tranzystorów było na tyle duże, aby prądy baz były pomijalne. Uproszczona analiza pomija także narastanie wstępnego napięcia, które powoduje, że prąd kolektora zmienia się wraz ze zmianą napięcia na kolektorze.
Takie zwierciadła prądowe mogą być realizowane z wykorzystaniem tranzystorów NPN jak i PNP. Jeśli tranzystor T2 zostanie zrealizowany przez zrównoleglenie n tranzystorów, otrzymamy prąd wyjściowy będący n-krotnością prądu wejściowego, tak jak pokazano to na poniższym schemacie (po lewej). Jeśli jako tranzystor T1 zrealizujemy z pomocą m tranzystorów, a T2 z n tranzystorów, otrzymamy prąd wyjściowy będący n/m-krotnością prądu wejściowego. Schemat taki pokazano poniżej, po prawej stronie.
Jeśli efekty wywoływane przez wstępne napięcie pojawiające się w układzie są istotne, jego wpływ na działanie układu może być zminimalizowany poprzez wykorzystanie troszkę bardziej skomplikowanego źródła prądowego w postaci układu Wilsona. Oba układy tego typu - zrealizowany na trzech i na czterech tranzystorach - pokazane są na poniższym schemacie. Wersja oparta o cztery tranzystory charakteryzuje się wyższą dokładnością prądu wyjściowego oraz szerszym zakresem dynamicznym.
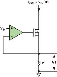
Kiedy w układzie potrzebny jest wzmacniacz transkonduktancyjny (konwerter napięcie -> prąd), można zrealizować go z wykorzystaniem wzmacniacza operacyjnego o pojedynczym napięciu zasilania oraz tranzystora typu BJT lub FET (typowym wyborem jest tutaj tranzystor typu MOSFET ze względu na to, że nie wprowadza błędu prądu bazy), a także pojedynczego precyzyjnego opornika służącego do zdefiniowania tak zwanej transkonduktancji układu - jego współczynnika konwersji napięcia wejściowego na prąd wyjściowy.
Pokazany powyżej układ jest prosty i niedrogi w realizacji. Napięcie podane na bramkę tranzystora MOSFET ustawia taki prąd płynący przez niego i przez opornik R1, że napięcie V1, odkładające się na tym oporniku, odpowiada napięciu wejściowemu wzmacniacza operacyjnego.
Jeśli lustro prądowe jest wymagane wewnątrz monolitycznego układu scalonego, wtedy rozwiązanie oparte o najprostszy tranzystorowy układ jest idealne, jednakże w układach opartych o elementy dyskretne wysoka cena parowanych, scalonych par tranzystorów (ich cena jest taka wysoka głównie z uwagi na niski popyt na te elementy, a nie problematyczne wykonanie) czyni z rozwiązania opartego o wzmacniacz operacyjny lepszą alternatywę. Zaprezentowane lustro prądowe używa wzmacniacza transkonduktancyjnego oraz dodatkowego opornika do realizacji układu pełniącego rolę lustra prądowego.
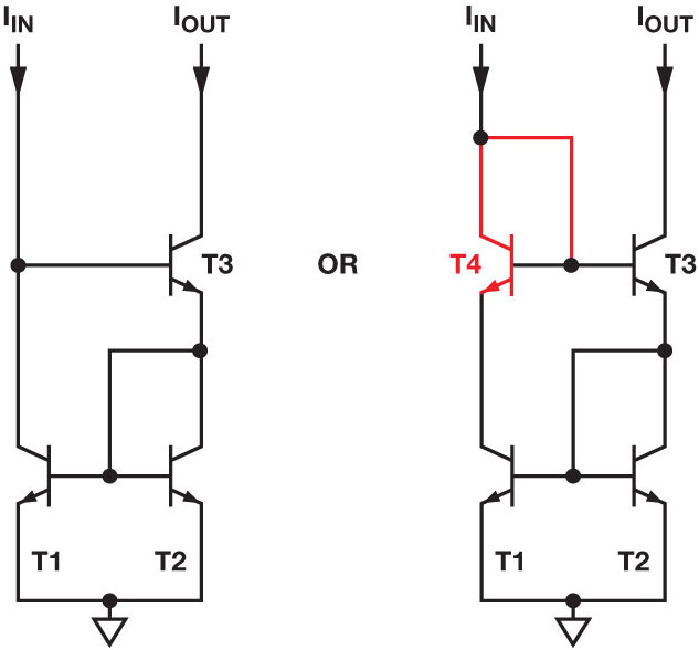
Lustra prądowe charakteryzują się wysoką, czasami nieliniową, impedancją wejściową, co oznacza, że konieczne jest podawanie na nie prądu ze źródła charakteryzującego się niską impedancją wyjściową. Wzmacniacz operacyjny wymagany jest z kolei wtedy, gdy konieczne jest dysponowanie odbiornikiem prądu charakteryzującym się niską impedancję wejściową. Na poniższym schemacie zaprezentowano dwa przykładowe lustra prądowe o niskiej impedancji wejściowej.
W podstawowym układzie lustra prądowego oraz źródła prądowego polaryzacje wejściowa i wyjściowa są takie same. Typowo emitery lub źródła tranzystorów wyjściowych są połączone z masą bezpośrednio lub przez niewielki opornik pomiarowy, a prąd biegnie z kolektora/drenu tranzystora do obciążenia, którego drugie wyprowadzenie podłączone jest do linii zasilającej. Nie zawsze taka architektura układu jest wygodna, tym bardziej jeśli jeden z biegunów obciążenia powinien znajdować się na potencjale masy. Nie jest to problematyczne, jeśli można skonstruować układ z emiterem/źródłem na potencjale zasilania, jak zaprezentowano to na poniższym schemacie.
Jeśli wejściowy prąd lub napięcie liczone jest względem masy, konieczne jest w takim przypadku przesunięcie poziomu odniesienia. Możliwa jest realizacja tego na wiele sposobów, jednakże system zaprezentowany na poniższym schemacie jest wystarczający w wielu sytuacjach. Ten prosty układ wykorzystuje źródło prądowe na poziomie masy w celu sterowania lustrem prądowym na poziomie napięcia zasilającego, które to lustro steruje obciążeniem. Warto zwrócić uwagę, że lustro prądowe może charakteryzować się pewnym wzmocnieniem, zatem prąd sygnałowy nie musi być tak duży jak prąd płynący przez obciążenie.
Omówione powyżej układy są unipolarne, co oznacza, że prąd płynie w nich tylko jednym kierunku. Jest jednakże możliwe zrealizowanie podobnych układów w topologii bipolarnej, czyli pozwalającej na przepływ prądu w oba kierunki. Najprostszym i najlepiej znanym układem tego typu jest pompa ładunku Howlanda zaprezentowana na poniższym schemacie. Ten prosty układ niestety posiada szereg wymagań do poprawnej pracy. Konieczne jest precyzyjne dobieranie oporników w celu osiągnięcia wysokiej impedancji wyjściowej, a impedancja wejściowa źródła dodaje się do wartości rezystancji opornika R1, zatem musi być bardzo niska, aby uniknąć problemów spowodowanych niedopasowaniem wartości tych oporów w układzie. Napięcie zasilające musi być istotnie wyższe niż zakładane maksymalne napięcie wyjściowe układu, a CMRR wykorzystanego wzmacniacza operacyjnego musi być relatywnie wysokie.
Dzisiejsze scalone wzmacniacze pomiarowe (instrumentalne) nie są drogimi układami, zatem całkiem prosto jest zrealizować bipolarne źródło prądowe z wykorzystaniem wzmacniaczy operacyjnego i pomiarowego oraz opornika służącego do pomiaru wartości płynącego prądu, tak jak pokazano na poniższym schemacie. Układ taki jest znacznie prostszy niż pompa Howlanda i niezależny od wartości oporników (oprócz tych zintegrowanych we wzmacniaczu pomiarowym), a także potrafi dojść z napięciem wyjściowym do wartości mniejszej od napięcia zasilania zaledwie o około 500 mV.
Rozważane przez nas dotychczas układy są wzmacniaczami z precyzyjnymi wyjściami prądowymi. Oczywiście da się je implementować z ustalonym poziomem napięcia wyjściowego w celu stosowania ich jako precyzyjnych źródeł prądowych, jednakże znacznie prościej jest skonstruować prostsze układu funkcjonujące jako źródła prądowe. Układ ADR291 firmy Analog Devices to niskoprądowy stabilizator napięcia odniesienia, charakteryzujący się prądem spoczynkowym na poziomie zaledwie 10 µA i współczynnikiem termicznym 20 nA/°C. Dodanie do tego układu opornika, jak pokazano to na poniższym schemacie, pozwala na stabilizację prądu odniesienia w zakresie napięć zasilania od 3 V do 15 V. Prąd wyjściowy wynosi w takim układzie (2,5/R + 0,01) mA, gdzie R to wartość oporu wykorzystanego rezystora w kΩ.
Jeśli precyzja działania układu nie jest istotna, a jedyne, co jest wymagane, to unipolarne źródło prądowe o niskiej impedancji, można je skonstruować w oparciu o tranzystor JFET i pojedynczy opornik. Wystarczy połączyć je w sposób zaprezentowany na poniższym schemacie i uzyskujemy źródło prądowe o prądzie zależnym od wartości oporu rezystora R. Nie jest ono szczególnie stabilne termicznie, a rozrzut parametrów tranzystorów spowoduje spory rozrzut parametrów pomiędzy poszczególnymi implementacjami. Jest to jednak proste i skuteczne rozwiązanie kwestii taniego źródła prądowego.
Ostatnio zetknąłem się z koniecznością zasilenia diod LED. Szereg inżynierów informował mnie, że problematyczne jest skonstruowanie regulowanego źródła prądowego - wymaganego, aby sterować ich jasnością. Istotnie wystarczyło tylko dokonać pewnej modyfikacji zasilacza do laptopa, aby uzyskać układ pozwalający na kontrolę jasności świecenia diod. Poniższy schemat pokazuje, jakie modyfikacje trzeba było wprowadzić w celu dostarczania do diod LED stałego prądu. Przy niewielkich prądach układ działa jako zasilacz ze stabilizowanym napięciem wyjściowym
Aby otrzymać regulowany zasilacz prądowy, konieczne jest napięcie odniesienia (z samego zasilacza lub z innego układu), które podane jest na potencjometr składający się z oporników P1 i P2. OPA2 oraz tranzystor MOSFET wymuszają przepływ niewielkiego prądu poprzez opornik R1, co powoduje spadek napięcia na oporniku. Prąd obciążenia płynie przez opornik pomiarowy, a jeśli spadek napięcia na oporniku pomiarowym przekroczy spadek na R1, napięcie wyjściowe układu OPA1 wzrośnie, co spowoduje zmianę wysterowania systemu kontroli napięcia w zasilaczu i w efekcie ograniczy napięcie wyjściowe, co w konsekwencji spowoduje spadek prądu wyjściowego tak, aby prąd wyjściowy nie przekraczał ustawionej wartości.
Przedstawiona powyżej idea wykorzystania podstawowych układów źródeł prądowych nie jest precyzyjną notą aplikacyjną tego typu układów, a jedynie zagajeniem szerszego tematu. Niektóre z układów potrzebują precyzyjniejszego projektowania, na przykład w celu ograniczenia bądź odprowadzenia rozpraszanego ciepła, w celu zapewnienia stabilnej pracy układu czy też nieprzekraczania maksymalnych dopuszczalnych wartości dla konkretnych wykorzystanych układów. Informacje pozwalające na dokonanie bardziej precyzyjnych analiz pokazanych układów można uzyskać w książkach o podstawach projektowania układów analogowych, notach aplikacyjnych - np. na stronie firmy Analog Devices czy nawet w Wikipedii.
Źródła:
http://www.analog.com/library/analogdialogue/archives/48-04/current_output.html
Niezwykle łatwo jest uzyskać stabilne wyjście prądowe. Najprostszą metodą osiągnięcia tego jest wykorzystanie lustra prądowego: dwa identyczne tranzystory, najlepiej wykonane w jednym procesie na wspólnym podłożu (co zapewnia iż ich parametry będą możliwie zbliżone, z uwagi na taką samą geometrię, temperaturę i proces produkcji), łączone są w sposób pokazany na poniższym schemacie. Napięcie baza-emiter jest takie samo dla obu tranzystorów, zatem prąd płynący przez kolektor tranzystora T2 jest taki sam jak wejściowy prąd płynący przez kolektor tranzystora T1.
Powyższa analiza układu zakłada, że tranzystory T1 oraz T2 są identyczne oraz znajdują się w tej samej temperaturze. Konieczne jest także, aby wzmocnienie prądu obu tranzystorów było na tyle duże, aby prądy baz były pomijalne. Uproszczona analiza pomija także narastanie wstępnego napięcia, które powoduje, że prąd kolektora zmienia się wraz ze zmianą napięcia na kolektorze.
Takie zwierciadła prądowe mogą być realizowane z wykorzystaniem tranzystorów NPN jak i PNP. Jeśli tranzystor T2 zostanie zrealizowany przez zrównoleglenie n tranzystorów, otrzymamy prąd wyjściowy będący n-krotnością prądu wejściowego, tak jak pokazano to na poniższym schemacie (po lewej). Jeśli jako tranzystor T1 zrealizujemy z pomocą m tranzystorów, a T2 z n tranzystorów, otrzymamy prąd wyjściowy będący n/m-krotnością prądu wejściowego. Schemat taki pokazano poniżej, po prawej stronie.
Jeśli efekty wywoływane przez wstępne napięcie pojawiające się w układzie są istotne, jego wpływ na działanie układu może być zminimalizowany poprzez wykorzystanie troszkę bardziej skomplikowanego źródła prądowego w postaci układu Wilsona. Oba układy tego typu - zrealizowany na trzech i na czterech tranzystorach - pokazane są na poniższym schemacie. Wersja oparta o cztery tranzystory charakteryzuje się wyższą dokładnością prądu wyjściowego oraz szerszym zakresem dynamicznym.
Kiedy w układzie potrzebny jest wzmacniacz transkonduktancyjny (konwerter napięcie -> prąd), można zrealizować go z wykorzystaniem wzmacniacza operacyjnego o pojedynczym napięciu zasilania oraz tranzystora typu BJT lub FET (typowym wyborem jest tutaj tranzystor typu MOSFET ze względu na to, że nie wprowadza błędu prądu bazy), a także pojedynczego precyzyjnego opornika służącego do zdefiniowania tak zwanej transkonduktancji układu - jego współczynnika konwersji napięcia wejściowego na prąd wyjściowy.
Pokazany powyżej układ jest prosty i niedrogi w realizacji. Napięcie podane na bramkę tranzystora MOSFET ustawia taki prąd płynący przez niego i przez opornik R1, że napięcie V1, odkładające się na tym oporniku, odpowiada napięciu wejściowemu wzmacniacza operacyjnego.
Jeśli lustro prądowe jest wymagane wewnątrz monolitycznego układu scalonego, wtedy rozwiązanie oparte o najprostszy tranzystorowy układ jest idealne, jednakże w układach opartych o elementy dyskretne wysoka cena parowanych, scalonych par tranzystorów (ich cena jest taka wysoka głównie z uwagi na niski popyt na te elementy, a nie problematyczne wykonanie) czyni z rozwiązania opartego o wzmacniacz operacyjny lepszą alternatywę. Zaprezentowane lustro prądowe używa wzmacniacza transkonduktancyjnego oraz dodatkowego opornika do realizacji układu pełniącego rolę lustra prądowego.
Lustra prądowe charakteryzują się wysoką, czasami nieliniową, impedancją wejściową, co oznacza, że konieczne jest podawanie na nie prądu ze źródła charakteryzującego się niską impedancją wyjściową. Wzmacniacz operacyjny wymagany jest z kolei wtedy, gdy konieczne jest dysponowanie odbiornikiem prądu charakteryzującym się niską impedancję wejściową. Na poniższym schemacie zaprezentowano dwa przykładowe lustra prądowe o niskiej impedancji wejściowej.
W podstawowym układzie lustra prądowego oraz źródła prądowego polaryzacje wejściowa i wyjściowa są takie same. Typowo emitery lub źródła tranzystorów wyjściowych są połączone z masą bezpośrednio lub przez niewielki opornik pomiarowy, a prąd biegnie z kolektora/drenu tranzystora do obciążenia, którego drugie wyprowadzenie podłączone jest do linii zasilającej. Nie zawsze taka architektura układu jest wygodna, tym bardziej jeśli jeden z biegunów obciążenia powinien znajdować się na potencjale masy. Nie jest to problematyczne, jeśli można skonstruować układ z emiterem/źródłem na potencjale zasilania, jak zaprezentowano to na poniższym schemacie.
Jeśli wejściowy prąd lub napięcie liczone jest względem masy, konieczne jest w takim przypadku przesunięcie poziomu odniesienia. Możliwa jest realizacja tego na wiele sposobów, jednakże system zaprezentowany na poniższym schemacie jest wystarczający w wielu sytuacjach. Ten prosty układ wykorzystuje źródło prądowe na poziomie masy w celu sterowania lustrem prądowym na poziomie napięcia zasilającego, które to lustro steruje obciążeniem. Warto zwrócić uwagę, że lustro prądowe może charakteryzować się pewnym wzmocnieniem, zatem prąd sygnałowy nie musi być tak duży jak prąd płynący przez obciążenie.
Omówione powyżej układy są unipolarne, co oznacza, że prąd płynie w nich tylko jednym kierunku. Jest jednakże możliwe zrealizowanie podobnych układów w topologii bipolarnej, czyli pozwalającej na przepływ prądu w oba kierunki. Najprostszym i najlepiej znanym układem tego typu jest pompa ładunku Howlanda zaprezentowana na poniższym schemacie. Ten prosty układ niestety posiada szereg wymagań do poprawnej pracy. Konieczne jest precyzyjne dobieranie oporników w celu osiągnięcia wysokiej impedancji wyjściowej, a impedancja wejściowa źródła dodaje się do wartości rezystancji opornika R1, zatem musi być bardzo niska, aby uniknąć problemów spowodowanych niedopasowaniem wartości tych oporów w układzie. Napięcie zasilające musi być istotnie wyższe niż zakładane maksymalne napięcie wyjściowe układu, a CMRR wykorzystanego wzmacniacza operacyjnego musi być relatywnie wysokie.
Dzisiejsze scalone wzmacniacze pomiarowe (instrumentalne) nie są drogimi układami, zatem całkiem prosto jest zrealizować bipolarne źródło prądowe z wykorzystaniem wzmacniaczy operacyjnego i pomiarowego oraz opornika służącego do pomiaru wartości płynącego prądu, tak jak pokazano na poniższym schemacie. Układ taki jest znacznie prostszy niż pompa Howlanda i niezależny od wartości oporników (oprócz tych zintegrowanych we wzmacniaczu pomiarowym), a także potrafi dojść z napięciem wyjściowym do wartości mniejszej od napięcia zasilania zaledwie o około 500 mV.
Rozważane przez nas dotychczas układy są wzmacniaczami z precyzyjnymi wyjściami prądowymi. Oczywiście da się je implementować z ustalonym poziomem napięcia wyjściowego w celu stosowania ich jako precyzyjnych źródeł prądowych, jednakże znacznie prościej jest skonstruować prostsze układu funkcjonujące jako źródła prądowe. Układ ADR291 firmy Analog Devices to niskoprądowy stabilizator napięcia odniesienia, charakteryzujący się prądem spoczynkowym na poziomie zaledwie 10 µA i współczynnikiem termicznym 20 nA/°C. Dodanie do tego układu opornika, jak pokazano to na poniższym schemacie, pozwala na stabilizację prądu odniesienia w zakresie napięć zasilania od 3 V do 15 V. Prąd wyjściowy wynosi w takim układzie (2,5/R + 0,01) mA, gdzie R to wartość oporu wykorzystanego rezystora w kΩ.
Jeśli precyzja działania układu nie jest istotna, a jedyne, co jest wymagane, to unipolarne źródło prądowe o niskiej impedancji, można je skonstruować w oparciu o tranzystor JFET i pojedynczy opornik. Wystarczy połączyć je w sposób zaprezentowany na poniższym schemacie i uzyskujemy źródło prądowe o prądzie zależnym od wartości oporu rezystora R. Nie jest ono szczególnie stabilne termicznie, a rozrzut parametrów tranzystorów spowoduje spory rozrzut parametrów pomiędzy poszczególnymi implementacjami. Jest to jednak proste i skuteczne rozwiązanie kwestii taniego źródła prądowego.
Ostatnio zetknąłem się z koniecznością zasilenia diod LED. Szereg inżynierów informował mnie, że problematyczne jest skonstruowanie regulowanego źródła prądowego - wymaganego, aby sterować ich jasnością. Istotnie wystarczyło tylko dokonać pewnej modyfikacji zasilacza do laptopa, aby uzyskać układ pozwalający na kontrolę jasności świecenia diod. Poniższy schemat pokazuje, jakie modyfikacje trzeba było wprowadzić w celu dostarczania do diod LED stałego prądu. Przy niewielkich prądach układ działa jako zasilacz ze stabilizowanym napięciem wyjściowym
Aby otrzymać regulowany zasilacz prądowy, konieczne jest napięcie odniesienia (z samego zasilacza lub z innego układu), które podane jest na potencjometr składający się z oporników P1 i P2. OPA2 oraz tranzystor MOSFET wymuszają przepływ niewielkiego prądu poprzez opornik R1, co powoduje spadek napięcia na oporniku. Prąd obciążenia płynie przez opornik pomiarowy, a jeśli spadek napięcia na oporniku pomiarowym przekroczy spadek na R1, napięcie wyjściowe układu OPA1 wzrośnie, co spowoduje zmianę wysterowania systemu kontroli napięcia w zasilaczu i w efekcie ograniczy napięcie wyjściowe, co w konsekwencji spowoduje spadek prądu wyjściowego tak, aby prąd wyjściowy nie przekraczał ustawionej wartości.
Przedstawiona powyżej idea wykorzystania podstawowych układów źródeł prądowych nie jest precyzyjną notą aplikacyjną tego typu układów, a jedynie zagajeniem szerszego tematu. Niektóre z układów potrzebują precyzyjniejszego projektowania, na przykład w celu ograniczenia bądź odprowadzenia rozpraszanego ciepła, w celu zapewnienia stabilnej pracy układu czy też nieprzekraczania maksymalnych dopuszczalnych wartości dla konkretnych wykorzystanych układów. Informacje pozwalające na dokonanie bardziej precyzyjnych analiz pokazanych układów można uzyskać w książkach o podstawach projektowania układów analogowych, notach aplikacyjnych - np. na stronie firmy Analog Devices czy nawet w Wikipedii.
Źródła:
http://www.analog.com/library/analogdialogue/archives/48-04/current_output.html
Fajne? Ranking DIY
