logo elektroda
logo elektroda
X
logo elektroda
REKLAMA
REKLAMA
Adblock/uBlockOrigin/AdGuard mogą powodować znikanie niektórych postów z powodu nowej reguły.

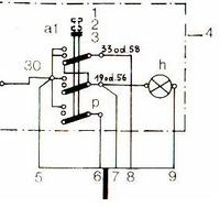
Przełącznik 3-pozycyjny do ogrzewania Webasto Sirocco 211 w Trabancie

bali_82 18 Maj 2014 23:31 1233 0
REKLAMA
  • #1 13614892
    bali_82
    Poziom 2  
    Witam,

    nie umiem znaleźć przełącznika 3 pozycyjnego off/praca/praca
    wg schematu jak poniżej:
    Przełącznik 3-pozycyjny do ogrzewania Webasto Sirocco 211 w Trabancie

    Ktoś podrzuci mi jakiś pomysł?
    Jest to fragment sterowania ogrzewania webasto sirocco 211 występujących w trabantach.
    Niestety nie mam panelu sterowania i chciałbym taki wykonać.
    Z góry dziękuję za podpowiedź.
  • REKLAMA
REKLAMA