Jako nowo zatrudniony, świeżo po ukończeniu collegu, pracownik firmy Texas Instruments, autor tego artykułu Timothy Claycomb, myślał że czasy nauki już się zakończyły, a przezwisko które przylgnęło do niego wcześniej, w czasie praktyk - John stażysta - nie jest już właściwe. Jakże bardzo się mylił pokazały już pierwsze dni pracy w TI gdy autor zmuszony był nauczyć się coś więcej o diodach zabezpieczających wejścia wzmacniacza operacyjnego przed wyładowaniami ESD i ich wpływie na konkretną jego aplikację. Diody te powodować mogą - w specyficznych warunkach - bardzo nietypowe zachowanie op-ampa i o tym jest ten artykuł.
Historia rozpoczyna się gdy autor zmuszony był przetestować jakiś prosty układ oparty o wzmacniacz OPA192. W związku z tym szybko skonstruował odpowiedni prototyp i udał się do laboratorium, gdzie podłączył do swojego układu cały potrzebny sprzęt warsztatowy. Po uruchomieniu układu zaobserwował na oscyloskopie bardzo dziwne przebiegi. Wzmacniacz operacyjny skonfigurowany był do pracy z jednostkowym wzmocnieniem, więc autor spodziewał się ujrzeć dwa takie same przebiegi na ekranie oscyloskopu. Jednakże na oscyloskopie zobaczył co innego - oscylogramy pokazane są poniżej. Kanał 1 to wejście układu a kanał 2 jego wyjście.
Po kilku chwilach analizy sytuacji okazało się iż popełniony został bardzo bardzo podstawowy błąd - zapominano włączyć zasilaczy. No i to doprowadziło bezpośrednio do powstania tego artykułu (i jego tytułu). Bo jak to możliwe iż pojawia się sygnał na wyjściu układu gdy nie jest on włączony?
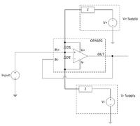
Po krótkiej analizie zaobserwowanego zjawiska i wczytaniu się w kartę katalogową układu OPA192, gdzie znalazłem, na schemacie pokazującym wewnętrzną budowę układu, diody mające za zadanie zabezpieczać wejścia układu przed wyładowaniami ESD.
Jak wynika z przedstawionego schematu, jeśli sygnał podawany na wejście będzie charakteryzował się amplitudą większą (lub mniejszą - przyp. tłum.) od napięcia zasilania o, w przybliżeniu, jedną wartość spadku napięcia na diodzie krzemowej (0,7 V - przyp. tłum.) to prąd płynąć może z wejścia poprzez diody do zasilania. Gdy zasilacze nie są włączone, jedyne co widoczne jest, elektrycznie, dla układu to wewnętrzny opór zasilacza. Poniższy rysunek pokazuje uproszczony schemat z zaznaczonymi najważniejszymi elementami op-ampa i jego zasilaczy.
Przenikanie sygnału wejściowego przez diody do linii zasilania spowoduje powstanie spadku napięcia na impedancji zasilacza, co z kolei spowoduje pojawienie się napięcia na terminalach zasilających wzmacniacz operacyjny. Poniższa tabela zbiera wartości zmierzonych napięć na pinach zasilających - napięciem dodatnim i ujemnym) w funkcji różnych napięć wejściowych, podawanych na wejście wzmacniacza operacyjnego.
Jak łatwo odczytać z zaprezentowanej tabeli podawanie dodatniego zasilania powoduje iż na terminalu zasilającym dodatnim pojawia się mierzalne napięcie. Jest to spowodowane faktem iż przez diodę D1 płynie prąd, powodujący powstanie spadku napięcia na impedancji zasilacza i w konsekwencji pojawienie się napięcia na szynie zasilania dodatniego. Analogicznie, jeśli amplituda sygnału wejściowego jest mniejsza o jeden spadek napięcia na diodzie od napięcia zasilającego - w tym przypadku równego zero - to dioda D2 przewodząc powoduje powstanie napięcia na linii ujemnego zasilania wzmacniacza operacyjnego. Napięcie pojawiające się na tych terminalach jest dostateczne aby spowodować załączenie się tranzystorów w strukturze op-ampa i pojawienie się sygnału na wyjściu, podobnie jak by miało to miejsce w czasie pracy z włączonym normalnym zasilaniem.
W typowym systemie elektronicznym na linii zasilania znajduje się kilka układów, korzystających z tej samej linii zasilania. Oznacza to iż układy te mogą się załączać niespodziewanie, podczas wystąpienia analizowanej sytuacji, gdy na któryś z układów zostanie podane napięcie umożliwiające przepływ prądu przez diody zabezpieczające wejście przed wyładowaniami ESD. Poniższy schemat blokowy pokazuje w jaki sposób współdzielenie linii zasilania występować moe w przykłądowym systemie, składającym się z bramek logicznych, przetworników ADC i op-ampów.
Co więcej występowanie niespodziewanych sygnałów, podobnych do sygnału zaprezentowanego na oscylogramie, może być równie problematyczne. Wyjście wzmacniacza operacyjnego podłączone może być na przykład do komparatora, który połączony jest z mikrokontrolerem. Załóżmy iż mikrokontroler i komparator zasilane są z osobnej linii zasilania (włączonej w danym momencie). Taka sytuacja może prowadzić do przekazywania do mikrokontrolera fałszywych danych. Obrazuje to poniższy schemat blokowy.
Obie z opisanych sytuacji powodują powstanie nieprawdziwych odczytów w systemie, co może doprowadzić do awarii lub nieprawidłowego działania całe urządzenie. Efekty występujące w opisywanej sytuacji mogą być różne, jednakże należy o tym pamiętać gdyż mogą być ekstremalnie poważne, takie jak na przykład samochód odcinając zapłon podczas jazdy czy mikrokontroler odłączający elementy systemu podtrzymywania życia w aparaturze medycznej.
Jeśli nasz projekt zakłada podawania na wzmacniacze operacyjne sygnału w czasie gdy takowe odłączone są od zasilania warto rozważyć umieszczenie przełącznika fizycznie odcinającego sygnał od układu, w czasie gdy ten pozbawiony jest zasilania. Zapobiegnie to przepływowi prądu przez diody ESD i w konsekwencji uchroni układ przed niepoprawnym działaniem na skutek zasilania układu z sygnału wejściowego.
Źródła:
http://e2e.ti.com/blogs_/b/precisionhub/archive/2014/04/14/the-self-powering-device.aspx
Historia rozpoczyna się gdy autor zmuszony był przetestować jakiś prosty układ oparty o wzmacniacz OPA192. W związku z tym szybko skonstruował odpowiedni prototyp i udał się do laboratorium, gdzie podłączył do swojego układu cały potrzebny sprzęt warsztatowy. Po uruchomieniu układu zaobserwował na oscyloskopie bardzo dziwne przebiegi. Wzmacniacz operacyjny skonfigurowany był do pracy z jednostkowym wzmocnieniem, więc autor spodziewał się ujrzeć dwa takie same przebiegi na ekranie oscyloskopu. Jednakże na oscyloskopie zobaczył co innego - oscylogramy pokazane są poniżej. Kanał 1 to wejście układu a kanał 2 jego wyjście.
Po kilku chwilach analizy sytuacji okazało się iż popełniony został bardzo bardzo podstawowy błąd - zapominano włączyć zasilaczy. No i to doprowadziło bezpośrednio do powstania tego artykułu (i jego tytułu). Bo jak to możliwe iż pojawia się sygnał na wyjściu układu gdy nie jest on włączony?
Po krótkiej analizie zaobserwowanego zjawiska i wczytaniu się w kartę katalogową układu OPA192, gdzie znalazłem, na schemacie pokazującym wewnętrzną budowę układu, diody mające za zadanie zabezpieczać wejścia układu przed wyładowaniami ESD.
Jak wynika z przedstawionego schematu, jeśli sygnał podawany na wejście będzie charakteryzował się amplitudą większą (lub mniejszą - przyp. tłum.) od napięcia zasilania o, w przybliżeniu, jedną wartość spadku napięcia na diodzie krzemowej (0,7 V - przyp. tłum.) to prąd płynąć może z wejścia poprzez diody do zasilania. Gdy zasilacze nie są włączone, jedyne co widoczne jest, elektrycznie, dla układu to wewnętrzny opór zasilacza. Poniższy rysunek pokazuje uproszczony schemat z zaznaczonymi najważniejszymi elementami op-ampa i jego zasilaczy.
Przenikanie sygnału wejściowego przez diody do linii zasilania spowoduje powstanie spadku napięcia na impedancji zasilacza, co z kolei spowoduje pojawienie się napięcia na terminalach zasilających wzmacniacz operacyjny. Poniższa tabela zbiera wartości zmierzonych napięć na pinach zasilających - napięciem dodatnim i ujemnym) w funkcji różnych napięć wejściowych, podawanych na wejście wzmacniacza operacyjnego.
Jak łatwo odczytać z zaprezentowanej tabeli podawanie dodatniego zasilania powoduje iż na terminalu zasilającym dodatnim pojawia się mierzalne napięcie. Jest to spowodowane faktem iż przez diodę D1 płynie prąd, powodujący powstanie spadku napięcia na impedancji zasilacza i w konsekwencji pojawienie się napięcia na szynie zasilania dodatniego. Analogicznie, jeśli amplituda sygnału wejściowego jest mniejsza o jeden spadek napięcia na diodzie od napięcia zasilającego - w tym przypadku równego zero - to dioda D2 przewodząc powoduje powstanie napięcia na linii ujemnego zasilania wzmacniacza operacyjnego. Napięcie pojawiające się na tych terminalach jest dostateczne aby spowodować załączenie się tranzystorów w strukturze op-ampa i pojawienie się sygnału na wyjściu, podobnie jak by miało to miejsce w czasie pracy z włączonym normalnym zasilaniem.
W typowym systemie elektronicznym na linii zasilania znajduje się kilka układów, korzystających z tej samej linii zasilania. Oznacza to iż układy te mogą się załączać niespodziewanie, podczas wystąpienia analizowanej sytuacji, gdy na któryś z układów zostanie podane napięcie umożliwiające przepływ prądu przez diody zabezpieczające wejście przed wyładowaniami ESD. Poniższy schemat blokowy pokazuje w jaki sposób współdzielenie linii zasilania występować moe w przykłądowym systemie, składającym się z bramek logicznych, przetworników ADC i op-ampów.
Co więcej występowanie niespodziewanych sygnałów, podobnych do sygnału zaprezentowanego na oscylogramie, może być równie problematyczne. Wyjście wzmacniacza operacyjnego podłączone może być na przykład do komparatora, który połączony jest z mikrokontrolerem. Załóżmy iż mikrokontroler i komparator zasilane są z osobnej linii zasilania (włączonej w danym momencie). Taka sytuacja może prowadzić do przekazywania do mikrokontrolera fałszywych danych. Obrazuje to poniższy schemat blokowy.
Obie z opisanych sytuacji powodują powstanie nieprawdziwych odczytów w systemie, co może doprowadzić do awarii lub nieprawidłowego działania całe urządzenie. Efekty występujące w opisywanej sytuacji mogą być różne, jednakże należy o tym pamiętać gdyż mogą być ekstremalnie poważne, takie jak na przykład samochód odcinając zapłon podczas jazdy czy mikrokontroler odłączający elementy systemu podtrzymywania życia w aparaturze medycznej.
Jeśli nasz projekt zakłada podawania na wzmacniacze operacyjne sygnału w czasie gdy takowe odłączone są od zasilania warto rozważyć umieszczenie przełącznika fizycznie odcinającego sygnał od układu, w czasie gdy ten pozbawiony jest zasilania. Zapobiegnie to przepływowi prądu przez diody ESD i w konsekwencji uchroni układ przed niepoprawnym działaniem na skutek zasilania układu z sygnału wejściowego.
Źródła:
http://e2e.ti.com/blogs_/b/precisionhub/archive/2014/04/14/the-self-powering-device.aspx
Fajne? Ranking DIY