Witam
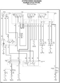
Jakiś czas temu w schemacie elektrycznym od oświetlenia (załączam) zauważyłem że w niektórych wersjach światła dzienne były realizowane przez dodatkowy przekaźnik i światła mijania podłączone przez rezystor. Chciałbym to wykorzystać u siebie z tym że zamiast rezystora zastosować sterownik PWM oraz dodatkowo wykorzystać układ który włączał by światła po przekroczeniu odpowiedniego napięcia a nie tylko po przekręceniu stacyjki - konkretnie kit AVT990. Zaadoptowałem to pod instalację w focusie i prośba o sprawdzenie czy to będzie działało. Jako źródło sygnału do włączenia świateł dziennych chce wykorzystać pin 4 z przełącznika świateł w którym napięcie pojawia się po przekręceniu kluczyka w pozycję run lub start i zanika po włączeniu świateł pozycyjnych lub mijania, opis generalnie jest na schemacie. Nie mam pewności czy przekaźnik REL2 jest konieczny, dorzuciłem go by izolował mosfeta od instalacji po włączeniu świateł mijania. A może wystarczy dioda o odpowiedniej mocy? Kwestie legalności instalacji i wpływu na trwałość żarówek są mi znane więc proszę o uwagi do samego schematu.
Z góry dzięki

Jakiś czas temu w schemacie elektrycznym od oświetlenia (załączam) zauważyłem że w niektórych wersjach światła dzienne były realizowane przez dodatkowy przekaźnik i światła mijania podłączone przez rezystor. Chciałbym to wykorzystać u siebie z tym że zamiast rezystora zastosować sterownik PWM oraz dodatkowo wykorzystać układ który włączał by światła po przekroczeniu odpowiedniego napięcia a nie tylko po przekręceniu stacyjki - konkretnie kit AVT990. Zaadoptowałem to pod instalację w focusie i prośba o sprawdzenie czy to będzie działało. Jako źródło sygnału do włączenia świateł dziennych chce wykorzystać pin 4 z przełącznika świateł w którym napięcie pojawia się po przekręceniu kluczyka w pozycję run lub start i zanika po włączeniu świateł pozycyjnych lub mijania, opis generalnie jest na schemacie. Nie mam pewności czy przekaźnik REL2 jest konieczny, dorzuciłem go by izolował mosfeta od instalacji po włączeniu świateł mijania. A może wystarczy dioda o odpowiedniej mocy? Kwestie legalności instalacji i wpływu na trwałość żarówek są mi znane więc proszę o uwagi do samego schematu.
Z góry dzięki