logo elektroda
logo elektroda
X
logo elektroda
Adblock/uBlockOrigin/AdGuard mogą powodować znikanie niektórych postów z powodu nowej reguły.

[Atmega] Jak podłączyć moduł sim900D do Atmega64 z konwersją napięć RxD/TxD?

bercik11palcow 31 Maj 2014 13:52 7812 68
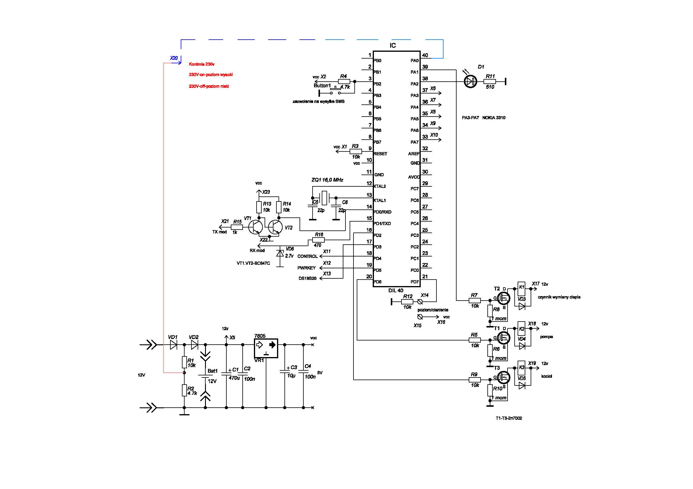
  • #1 13650781
    bercik11palcow
    Poziom 18  
    Witam, potrzebuję podłączyć moduł sim900D z atmega64. Atmega jest zasilana z 3.3V. Moduł GSM także może być zasilany z takiego napięcia, lecz podobno na liniach RxD oraz TxD napięcie nie może przekraczać 2.9V. Czyli że muszę zrobić jakąś konwersję napięć? W tym temacie: https://www.elektroda.pl/rtvforum/topic2317989.html z tego co widzę to chyba nie ma żadnych konwersji napięć na tych liniach. I jakie jest minimalne podłączenie aby moduł ruszył.
  • #2 13651109
    Gienek
    Poziom 37  
    Ten schemat (sprawdzony) powinien rozwiązać Twój problem. [Atmega] Jak podłączyć moduł sim900D do Atmega64 z konwersją napięć RxD/TxD?
  • #3 13652922
    bercik11palcow
    Poziom 18  
    yyyyy przepraszam ale... gdzie w tym schemacie jest najważniejszy element o który pytałem jakim jest moduł GSM?
  • #4 13654173
    Gienek
    Poziom 37  
    Zadałeś pytanie:
    Cytat:
    Czyli że muszę zrobić jakąś konwersję napięć?


    Wysłałem Ci schemat z taką opcją (dotyczy SIM900D). Schemat jest łatwy do odczytania - masz wyprowadzone TXmod i RXmod (należy podłączyć do tych pinów w module SIM900D).
    Jeżeli potrzebujesz cały schemat jakiegoś urządzenia, to musisz go zdefiniować. W tej chwili nie wiadomo co chcesz robić.
    Aby moduł "ruszył" należy: zaplanować zasilanie modułu, podłączyć kartę SIM (dowolnego operatora), napisać program dla procesora i połączyć w całość.
  • #5 13657587
    bercik11palcow
    Poziom 18  
    aha, w takim razie OK, dzięki. A co z pinami:
    3 - co to znaczy zezwolenie na wysłanie SMS? I czy mam go łączyć z SIM900D?
    18- CONTROL - to też do modułu GSM?
    19 ? Jak to jest z tym pinem PWRKEY w SIM900D? Do czego on służy?
  • #6 13657707
    Gienek
    Poziom 37  
    Poprzednio napisałem byś zdefiniował co Ty chcesz robić przy pomocy tego modemu.
    Odpowiedzi brak, a zadajesz pytania, które wychodzą poza Twoje oczekiwania z postu 1.
    Schemat miał Ci pokazać w jaki sposób dopasować poziomy napięć modułu i procesora. Ty zadajesz pytania dotyczące schematu, który jest częścią jakiejś całości.
    Cytat:
    3 - co to znaczy zezwolenie na wysłanie SMS? I czy mam go łączyć z SIM900D?

    To jest bezpośrednio związane z oprogramowaniem zawartym w procesorze. Nie musisz tego nigdzie podłączać.
    Cytat:
    18- CONTROL - to też do modułu GSM?

    To też związane z oprogramowaniem. Tobie wystarczy do pinu STATUS modemu podłączyć diodę LED poprzez tranzystor, by sygnalizowała stan modemu.
    Cytat:
    19 ? Jak to jest z tym pinem PWRKEY w SIM900D? Do czego on służy?

    To jest programowe włączenie modułu (pin PWRKEY modułu). Tobie do testów wystarczy jakiś przycisk (włącznik) do podania masy na ten pin.

    Sam podałeś link do tematu, który czytałeś przed napisaniem 1 postu
    ( https://www.elektroda.pl/rtvforum/topic2317989.html ) - przeanalizuj ten wątek, tam masz pokazane jak sterować PWRKEY i jak podłączyć diodę LED do pinu STATUS.
  • #7 13661368
    bercik11palcow
    Poziom 18  
    OK, dzięki, zaraz zabieram się do podłączenia , modułu. Mam tylko jeszcze jedno pytanie. W datasheet jest schemat do podłączenia do PC za pomocą układu SP3238 i nie ma tam żadnych dodatkowych elementów do konwersji napięć na RxD i TxD. I w dokumentacji tego układu jest napisane że obsługuję on napięcia 3-5V. Ja posiadam układ MAX3232 który także pracuję od 3V.
    1. Czy w związku z tym mogę zastosować MAX3232 i nie robić konwersji napięć?
    2. Czy jeśli podłączę moduł poprawnie(razem z kartą sim i anteną), to jak wyślę z terminala komendę "AT" to powinien od razu mi odpowiedzieć komendą "OK", tak?
  • #8 13662173
    Gienek
    Poziom 37  
    I znowu pytania do wróżki? Jaki komputer masz, jakie porty?
    Sądzę, że masz USB. W takim razie FT232 wystarczy. Najlepiej zaopatrz się w jakąś przejściówkę USB (np PROFILIC PL2303) - odpadną problemy z poziomami.
    Jeżeli wszystko podłączysz poprawnie i modem połączy się z operatorem, to powinien wykonywać komendy z terminala i przesyłać odpowiedzi OK (o ile komendy będą akceptowalne przez moduł).
  • #9 13662309
    bercik11palcow
    Poziom 18  
    No ale przeciez napisałem że mam układ MAX3232 który konwertuje napięcia i jest przeznaczony do transmisji UART. Tylko że on pracuje na minimum 3V.
  • #10 13663181
    Mateusz_Łukasik
    Poziom 10  
    bercik11palcow napisał:
    No ale przeciez napisałem że mam układ MAX3232 który konwertuje napięcia i jest przeznaczony do transmisji UART. Tylko że on pracuje na minimum 3V.


    ale nie wiemy jaki masz komputer, z jakimi portami, rozumiesz? jeśli masz komputer z portem szeregowym to wtedy MAX Ci się przyda, a jeśli masz np laptopa i masz same porty USB to gdzie chcesz podłączyc MAX? wtedy potrzebny jest konwerter USB -> RS232 TTL o którym pisał kol. Gienek, wtedy MAX nie będzie potrzebny
  • #11 13678167
    bercik11palcow
    Poziom 18  
    no tak, mam komputer PC, i jak chciałem wcześniej podłączyć np AVR do PC to musiałem użyć przejściówki USB-RS232 oraz układu MAX3232. Tzn takie połączenie: AVR->MAX3232->przejściówka RS232-USB->PC. Robiłem wszystko wg tego poradnika: http://mikrokontrolery.blogspot.com/2011/03/rs-232-atmega8-komputer-terminal.html

    Czyli teraz zamiast AVR mogę podpiąć po prostu SIM900D i powinno działać? No bo w dokumentacji tego modułu piszę że niby max napięcie na liniach UART mogą mieć 2.9V.(chyba że coś źle wyczytałem)

    I jeszcze jedno, w tym temacie: https://www.elektroda.pl/rtvforum/topic1867985.html, kolega krzys2019 , mówi coś o liniach CTS i RTS. Czy mogę je ze sobą połączyć w modemie? czy podłączyć do CTS i RTS w złączy DB9 przejściówki RS232-USB? i czy mogę zrobić taką konwersję napięć jak autor tematu(RxD za pomocą dzielnika napięcia, a TxD zostawić nieruszone)???

    Teraz trochę poczytałem o tych liniach CTS i RTS ale co ktoś pokazuje schemat to inny.I znalazłem takie coś: http://avrprogrammers.com/articles/max232-arduino chyba najbardziej wiarygodne. Tylko teraz czy na liniach RTS i CTS wychodzących z MAX232 do SIM900D też muszę zrobić konwersję napięć?
  • #12 13746211
    bercik11palcow
    Poziom 18  
    halo, pomoże ktoś?
  • #13 13746369
    Milek79
    Poziom 15  
    bercik11palcow napisał:
    AVR->MAX3232->przejściówka RS232-USB->PC

    Po co takie kombinacje? Nie trzeba stosować MAX i przejściówki z napięciami RS232, wystarczy AVR->przejściówka UART (RS232 TTL)-USB (np. z układem PL2303) i nie trzeba MAX. Oczywiście takie podłączenie jak masz też jest prawidłowe i zadziała
    bercik11palcow napisał:
    Czyli teraz zamiast AVR mogę podpiąć po prostu SIM900D i powinno działać?

    Nie chce mi się zagłębiać jakie poziomy ma MAX, ale pamiętaj żeby był na napięcie modułu
    bercik11palcow napisał:
    mówi coś o liniach CTS i RTS. Czy mogę je ze sobą połączyć w modemie?

    W twoim zastosowaniu zostaw je niepodłączone.
  • #14 13746769
    bercik11palcow
    Poziom 18  
    niestety, musiałem zmienić moduł ponieważ w SIM900D odpadł mi pad od UART'u. Dziś od rana próbuję się połączyć z modułem GSM MG2639_V3 od ZTE. Tutaj datasheet: https://www.maritex.com.pl/media/uploads/products/wi/ZME2639V3.pdf
    Niestety bez sukcesu:/ Próbowałem obuch kombinacji z tego linku:
    http://cdn.webdca.com/avr/images/schematics/max-232-lg.png i nic. Nie mogę nic wpisać w terminalu ani nic nie dostaję od modułu. Za MAX3232 na pinie 12(TxD) mam dzielnik napięcia który obniża mi napięcie do tych 2.8V, natomiast pin 11 MAX'a bezpośrednio podłączony do modułu GSM do TxD. Jak podłączę bez lini CTS i RTS(tak jak na rysunku DCE z linku powyżej) to jak zewrę pin POWERKEY do masy, to w czasie kiedy miga dioda która oznacza szukanie sieci, GSM wysyła mi kilka linijek typu Go: 00 01 10 To: 00 01 01 i jakieś śmieci. Niestety po tym i tak nie mogę nic wysłać do modułu.
  • #15 13746806
    Milek79
    Poziom 15  
    Z tego co widzę to ten moduł na UART1 używa wszystkich pinów w RS232. Nie masz zapewne tyle w MAXie, a przejściówka na USB też może nie obsługiwać. Myślę że prościej będzie wykorzystać interfejs UART2 (piny RXD2 i TXD2) który nie wymaga pozostałych sygnałów RS232.
  • #16 13746831
    bercik11palcow
    Poziom 18  
    też próbowałem tego drugiego UART'u lecz też nie mogłem nic wysłać do modemu. Teraz spróbuję jeszcze raz, może ruszy. A co do konwersji napięć to wszytsko jest ok? Tzn do lini RxD modułu GSM dzielnik napięcia do 2.8V, a do lini TxD bezpośrednie podłączenie MAX3232.?
    tutaj kolega miał chyba podobny problem: https://www.elektroda.pl/rtvforum/topic1867985.html
  • #17 13746871
    Milek79
    Poziom 15  
    Z konwersją napięć raczej ok, raczej nic z tego prądu nie bierze, MAX raczej nie ma rezystorów podciągających, bo jak tak to mógłby być problem (ale nie wiem, musisz sprawdzić w dokumentacji).
    W tym linku co podałeś to chyba był problem że RTS i CTS nie było podłączone, ale z tego co widzę na UART2 nie używa tych linii, więc z tym nie powinno być problemów.
  • #18 13746952
    bercik11palcow
    Poziom 18  
    no i tak jak mówiłem, po podpięciu MAX3232 do UART2 i po zwarciu pinu POWERKEY do masy, moduł wysyła mi takie coś:
    F1: 0000 0000
    V0: 0000 0000 [0001]
    00: 0000 0000
    U0: 0000 0001 [0000]
    G0: 0002 0000 [0000]
    T0: 0000 00BB
    Jump to BL
    
    ôüIŕKŕôôAü&ţKđôôńô&đńô…žđHIpxţ¬p’xó
                                       @.Ş, É€IŕÁô$äKđKđä&ęRńKđIĐKđ&ôIäâRö&đŃöIŔÁö&ääRô&äŃôŃöRô&ä&ô@€ń´€Śö
                          dKŕÁôRń&úääIŕ&úIôIĐŃö$ää&č•ýŚö
                                                        $ŃüÉŕËŕÁörńÉäěbörńěâ&âÉĐâěrö$~°&ţ$ě&ě&čÁôÁö&úęËđ&ę$ě&črńró•˙ěÁôböÉÄró…ýŃöËđŃöěŃörńÉôÉÔÉđ&ú•ýęÁöÉŔÉäę&ěË@čbôÉđÉĐěŃô&ęÉŔäIŔIäIŔ…üKđ&ä&ňää&âKđK©RőI(%iĄ I řňBŚţâöŇőä&đKř&âä
                                                                 ŔQô&ňŇőŔ°H
                                                                           ÄË©*řQö&ô


    tych śmieci jest trochę więcej ale nie wrzucałem tutaj wszystkiego... i te śmieci lecą w czasie migania diody na pinie nr 6(status sieci). I nie mogę nic wysłać do modemu, nic nie mogę napisać w terminalu.
  • #19 13747040
    asterix99
    Poziom 19  
    U mnie MG2639_V3 działa na UART1, połączony tylko rx i tx.
    Z PDF-a "The UART1 interface could be used as serial interface for AT commands, data service. The UART2 interface can be used to debug the applications."
    Też mam na UART2 podobne "śmieci".
  • #20 13747054
    bercik11palcow
    Poziom 18  
    asterix99 , A jakie masz połączenie pomiędzy MAX'em a Modułem? I czy np na tej linii TxD może być napięcie np 2,77V albo 2.84 (chodzi o to że nie jest równe 2.8V)? i jakie ustawienia termianala? Wiem że prędkość 115200 ale nic więcej. I jakiego terminala używasz?
  • #22 13749655
    bercik11palcow
    Poziom 18  
    halo, asterix99 pomożesz?
  • #23 13754341
    asterix99
    Poziom 19  
    Tylko TX i RX, reszta "wisi w powietrzu". Konwerter tranzystorowy z noty układu. 115200, Terminal Tadeusza Barańczyka.
  • #24 13754595
    bercik11palcow
    Poziom 18  
    ok, czyli robisz konwersje za pomocą tranzystorów na lini TxD i za pomocą diody i rezystora na RxD tak? A co z konwerterem USB-UART? Czego używasz do komunikacji?
  • #25 13754624
    asterix99
    Poziom 19  
    W fazie projektowej USB>RS FTDI. Aktualnie działa z Mega16a.
  • #26 13754641
    bercik11palcow
    Poziom 18  
    ok, a tę konwersje napięć robisz identycznie jak w nocie na obu liniach tak? Tylko tam jest konwersja z 3.3V a moduł pracuję od 3.4, bez sensu :/ To co muszę dać 2 sekcje zasilania? I co, jak włączysz moduł przyciskiem POWERKEY to później jak wpiszesz w terminalu 'AT' to odsyła Ci 'OK'? I jak masz ustawione CR/LF w terminalu? Powinno działać chyba na CR+LF tak?
  • #27 13755149
    asterix99
    Poziom 19  
    Robiłem jeszcze konwersję na LVX245 i też działała dwukierunkowo. Program terminalowy nie miał ustawień CR/LF. Modem ma I/O na poziomie 2.8V, zasilanie 3.9V wspolnie z procesorem.
  • #28 13755221
    bercik11palcow
    Poziom 18  
    OK, jak używasz FTDI, to jak to jest z napięciami? Z ilu V go zasilasz? No bo moduł GSM jest od 3.4V w górę, więc nie rozumiem jak u Ciebie jest rozwiązana kwestia zasilania FTDI oraz modułu GSM.
  • #29 13755249
    asterix99
    Poziom 19  
    FTDI z USB, modem z przetwornicy na LM2576ADJ na 3.9V.
  • #30 13755262
    bercik11palcow
    Poziom 18  
    ok, a więc USB ma 5V, i wtedy na RxD i TxD masz też 5V co nie? I wtedy robisz tę konwersje napięć pomiędzy tymi liniami jak w nocie modułu, tak?
REKLAMA