Witam wszystkich. Może ktoś pomoże znaleźć mi błąd w kodzie .
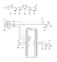
Otóż zlutowałem układ do pomiaru temperatur , ciśnienia, oraz wilgotności , zaprogramowałem na Atmedze 16 oraz wyświetlam wyniki na LCD 2x16.
Po podłączeniu zasilania układ nie zawsze rusza, widać czarny ekran, kilkukrotne podłączenie i odłączenie zasilania, sprawia ze układ rusza i pokazuje się ekran powitalny oraz wyniki z czujników.
Jak usunąć tą usterkę?
Trochę przypał na obronie pracy jak mi się układ nie będzie chciał włączyć
Kod main.c
Otóż zlutowałem układ do pomiaru temperatur , ciśnienia, oraz wilgotności , zaprogramowałem na Atmedze 16 oraz wyświetlam wyniki na LCD 2x16.
Po podłączeniu zasilania układ nie zawsze rusza, widać czarny ekran, kilkukrotne podłączenie i odłączenie zasilania, sprawia ze układ rusza i pokazuje się ekran powitalny oraz wyniki z czujników.
Jak usunąć tą usterkę?
Trochę przypał na obronie pracy jak mi się układ nie będzie chciał włączyć
Kod main.c
Kod: C / C++
