logo elektroda
logo elektroda
X
logo elektroda
REKLAMA
REKLAMA
Adblock/uBlockOrigin/AdGuard mogą powodować znikanie niektórych postów z powodu nowej reguły.

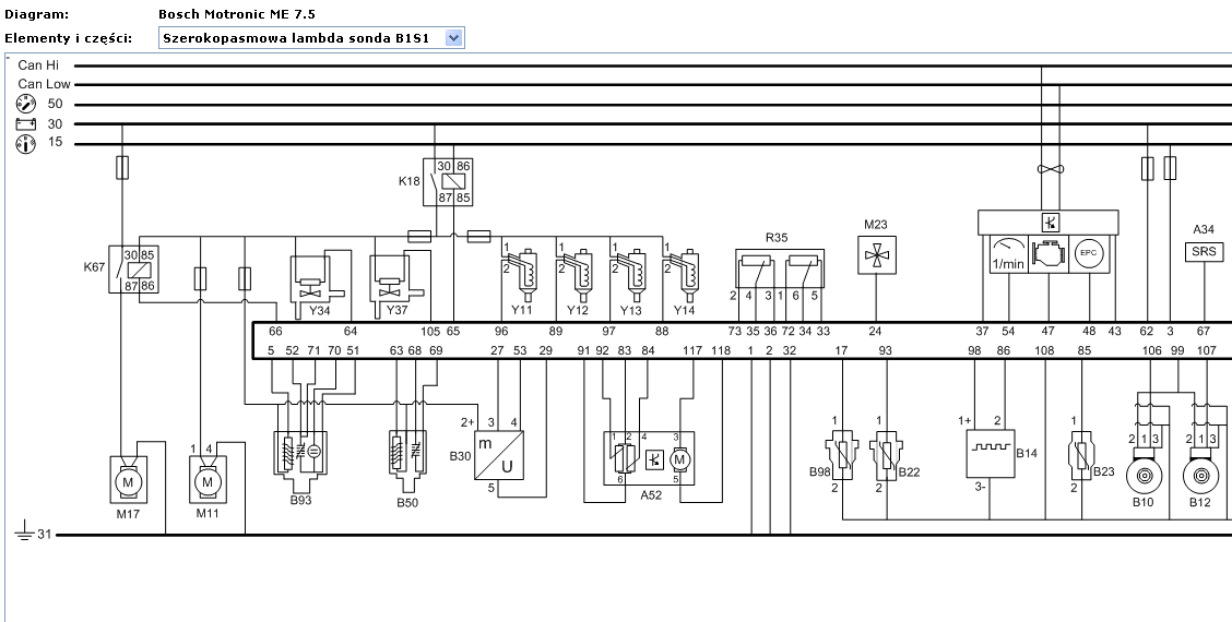
Audi A4 B6 2.0 ALT - Jak odciąć zasilanie ECU jako zabezpieczenie?

bossmax 18 Cze 2014 12:14 5226 5
REKLAMA
  • #1 13718301
    bossmax
    Poziom 14  
    Witam. Chciałbym odciąć zasilanie ecu w moim audi a4 B6 alt, avant, jako zabezpieczenie przed kradzieżą. Audi to posiada dwu litrowy silnik i instalację gazową. Niestety nie posiadam schematu, który z przewodów jest odpowiedzialny za zasilanie całego eku lub ewentualnie od modułu cewek. Odcięcie pompy odpada, stacyjki również bo to za proste. Mam zrobiony imobilajzer, który może odciąć prądy w granicach 10, 15 amper.Proszę o poradę gdzie znajdę ten przewód i jakiego jest koloru. Może ktoś ma inny sposób na zabezpieczenie może na przykład czujnik położenia wału? Podstawą jest by po odcięciu czegokolwiek komputer nie wywalał błędów. Z góry dziękuję za pomoc.
  • REKLAMA
  • #2 13718354
    BoroPiotr
    Poziom 15  
    Podaj oznaczenie silnika wyśle
  • REKLAMA
  • #3 13719701
    bossmax
    Poziom 14  
    Oznaczenie podałem wcześniej SILNIK TO ALT. Chyba, że chodzi o inne oznaczenie.
  • REKLAMA
  • #4 13733303
    bossmax
    Poziom 14  
    Taki niby prosty temat a pomocy nie uzyskałem. Jak już wcześniej pisałem mam popularny silnik 130 konny. Oznaczenie Alt, Pojemność silnika to 1984 cm sześciennych, 96 kW. Jeden z kolegów próbował pomóc, ale niestety nie otrzymałem obiecanych materiałów pomocniczych, szkoda.
  • REKLAMA
  • #6 13754847
    bossmax
    Poziom 14  
    Dzięki kolego ale jako laik to nie za bardzo kumam co i jak. Proszę tylko o info który pin według numeracji to zasilanie ecu i jaki kolor przewodu na wtyczce ecu. Proszę o wyrozumiałość.

    Moderowany przez norbert.s.:

    3.1.17. Publikowanie wpisów obniżających ogólny poziom dyskusji - zamykam.

REKLAMA