logo elektroda
logo elektroda
X
logo elektroda
REKLAMA
REKLAMA
Adblock/uBlockOrigin/AdGuard mogą powodować znikanie niektórych postów z powodu nowej reguły.

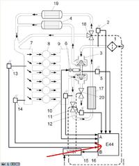
Scania R400 - Gdzie znaleźć schemat bloku zaworowego i wartości cewek?

blokers77 20 Cze 2014 10:18 3120 4
REKLAMA
  • #1 13723767
    blokers77
    Poziom 10  
    Witam,
    jak w temacie, szukam schematu do Scania R400 - blok zaworowy, wartości cewek itp.

    Scania R400 - Gdzie znaleźć schemat bloku zaworowego i wartości cewek?
  • REKLAMA
  • #2 13724181
    MAN Electronics
    VIP Zasłużony dla elektroda
    A skąd masz ten rysunek ?
  • REKLAMA
  • #3 13724194
    blokers77
    Poziom 10  
    Z programu Scania Multi - problem w tym,że nie posiada on szczegółowego opisu tego bloku.
  • REKLAMA
  • #4 13732916
    MAN Electronics
    VIP Zasłużony dla elektroda
    Jak się ściąga chińskie programy to tak jest :D

    Poszukaj dobrze ewentualnie w/w.
  • #5 21148296
    pawelmmm1
    Poziom 5  
    Witam w Scania r400 w magistrali olejowej znalazłem kulkę łożyskowa i sprężynkę skąd może być
REKLAMA