logo elektroda
logo elektroda
X
logo elektroda
REKLAMA
REKLAMA
Adblock/uBlockOrigin/AdGuard mogą powodować znikanie niektórych postów z powodu nowej reguły.

President Johnny III - cichy odbiór mimo wymiany końcówki mocy i filtra 455HT

mb83 20 Cze 2014 14:56 4491 14
REKLAMA
  • #1 13724624
    mb83
    Warunkowo odblokowany
    Witam.
    Po czytaniu forum wymieniłem w radiu końcówkę mocy, kontrakton i filtr 455HT. Radio troszkę ożyło ale nie do końca.
    Mianowicie nadaje poprawnie natomiast, gdy ASC jest załączone nie słychać nic. Gdy wyłączę, wśród szumów słyszę, że ktoś gada ale bardzo cicho, słabo przebija się to przez szumy.
    Ne wiem co jeszcze może być walnięte?
    Tak jakby nie wzmacniało odbieranego sygnału.
  • REKLAMA
  • #2 13727280
    Olek II
    Moderator
    mb83 napisał:
    wymieniłem w radiu końcówkę mocy


    Którą?

    mb83 napisał:
    wśród szumów słyszę, że ktoś gada ale bardzo cicho


    Czy szum jest normalny, czy też zaniżony?

    Jakie jest napięcie na wejściu filtra 455 HT?

    Co zostało pomierzone?

    Gotowej recepty nie ma. Do każdego przypadku trzeba podchodzić indywidualnie, pomimo podobnych objawów.
  • #3 13729571
    mb83
    Warunkowo odblokowany
    Końcówkę RD06HHF1…

    Szum jest troszkę zaniżony… nie jest taki "ciepły" jak był kiedyś… nie wiem jak to określić :)

    Napięcia na wejściu nie mierzyłem… ale skoro nadaje ok, odbiera też tylko jakby za cicho to jest ok… zmierzę jak tylko będę w pracy i napiszę jakie są...

    Dodano po 55 [sekundy]:

    niestety moja wiedza o cb radiu jest tylko z forum… nie wiem co mogłbym pomierzyć… :(
  • REKLAMA
  • #4 13730566
    Olek II
    Moderator
    mb83 napisał:
    Końcówkę RD06HHF1…


    Pomyśl, po co wymieniasz końcówkę w.cz, jak jest /jak piszesz/ słaby odbiór?

    mb83 napisał:
    niestety moja wiedza o cb radiu jest tylko z forum… nie wiem co mogłbym pomierzyć


    Tak jak pisałem, jakie jest napięcie na wejściu filtra.

    Przypominam, że jest to dział serwisowy, pewna wiedza jest wymagana.
  • #5 13730604
    mb83
    Warunkowo odblokowany
    Kolego wymienialem bo nie bylo tez nadawania :) teraz radio zreanimowane prawie... Nadaje prawidlowo, kontrakton dziala... Tylko ten odbior. Pomierze i dam znac.

    Dzieki za zainteresowanie tematem.
  • #7 13733022
    mb83
    Warunkowo odblokowany
    Po co te nerwy...

    Napięcie 1,4V na filtrze...

    Dodano po 1 [godziny] 25 [minuty]:

    Cholera... na wejściu 0V; na wyjściu 1,4V
  • #8 13740328
    mb83
    Warunkowo odblokowany
    Pomoże ktoś???
  • REKLAMA
  • #9 13740501
    kriss51
    VIP Zasłużony dla elektroda
    Może ktoś kręcił filtrami i teraz jest rozstrojony odbiornik. Diody D8, 9, 11 zmierzone- sprawne? Z IC502 wychodzi 8V? Z IC304 powinno wychodzić 5V. Blokada szumu działa prawidłowo?
  • #10 13740855
    mb83
    Warunkowo odblokowany
    IC304 - wychodzi 5v - jest ok
    Wszystkie diody sprawne
    IC502 - nie mogę zlokalizować na schemacie... ale szukam dalej :)

    Dodano po 54 [sekundy]:

    Blokada szumu działa prawidłowo... po przekręceniu potencjometrem ASC jestem w stanie szum wyciszyc w pewnym momencie...

    Dodano po 2 [minuty]:

    IC502 - wychodzi 8V... tez jest ok
  • REKLAMA
  • #11 13740926
    kriss51
    VIP Zasłużony dla elektroda
    To podłącz na chwilę poprzez kondensator np. 100nF kolektor Q9 z środkową nogą potencjometru volume. Wtedy detektor AM podłączysz bezpośrednio do wzmacniacza. Zobacz jak będzie odbierać. Jeśli też nic to masz uszkodzenie w torach pcz. lub wejściu odbiornika. Potencjometr volume ustaw na środek.
  • #12 13741025
    SP5ANJ
    Spoczywaj w Pokoju
    Witam.

    mb83 napisał:
    Blokada szumu działa prawidłowo... po przekręceniu potencjometrem ASC jestem w stanie szum wyciszyc w pewnym momencie...

    Co nie znaczy, że SQ działa poprawnie a tylko, że ASQ (AutomatSQ) w ogóle jest.

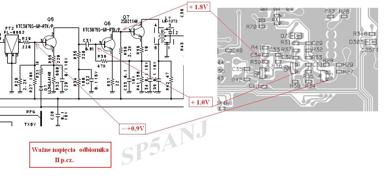
    Sprawdź napięcia :

    President Johnny III - cichy odbiór mimo wymiany końcówki mocy i filtra 455HT


    Pozdrawiam.
  • #13 13745937
    mb83
    Warunkowo odblokowany
    Kolego dzięki za podpowiedź... \pomierzyłem:

    Q5 - 1,4V
    Q6 - 0,7V
    Q7 - 1,76V

    zatem napięcia na Q5 i Q6 są nieprawidłowe...
  • #14 13746054
    SP5ANJ
    Spoczywaj w Pokoju
    Witam.

    mb83 napisał:
    Q6 - 0,7V

    To napięcie w przypadku bardzo dużego wzmocnienia przez h-21 tego Q6 czasami może być taki, lecz musi on być wyższy od napięcia 0,65V, które "uruchomi" dany tranzystor (napięcie E-B).
    Możesz przyjąć, że napięcie na B Q6 jest prawidłowe i inne/pozostałe również.

    Wydaje mi się, że teraz musisz stroić odbiornik obwodami rezonansowymi od wejścia L1 do wyjścia L7 - na max szumu w emisji AM.


    Pozdrawiam.
  • #15 13746108
    mb83
    Warunkowo odblokowany
    Cholera... nie mam o tym pojęcia niestety :( zatem pozostaje jakiś serwis...
    Dzięki serdeczne za pomoc ale chyba sam już nic nie zdziałam
REKLAMA