logo elektroda
logo elektroda
X
logo elektroda
REKLAMA
REKLAMA
Adblock/uBlockOrigin/AdGuard mogą powodować znikanie niektórych postów z powodu nowej reguły.

Herbert - Synteza TC91006BP, przesunięcie kanałów RX/TX, jak naprawić?

mickemaster 15 Lip 2014 20:08 1359 5
REKLAMA
  • #1 13799375
    mickemaster
    Poziom 27  
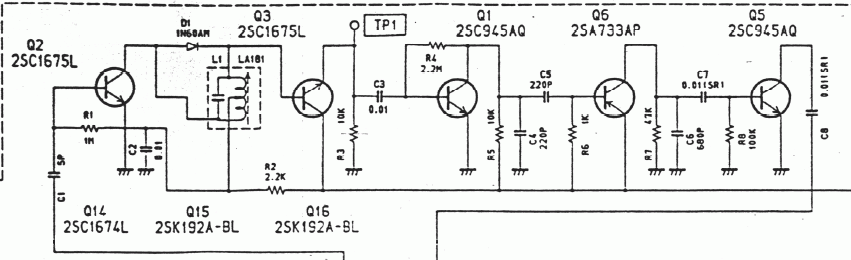
    Witam, pacjent jak w temacie. Usterka objawia się tym, że częstotliwości kanału 19 są prawidłowe gdy na wyświetlaczu jest kanał 17. Działa wtedy nadawanie i odbiór. Synteza to TC91006BP. Proszę o sugestie.
  • REKLAMA
  • #2 13799808
    Konto nie istnieje
    Konto nie istnieje  
  • REKLAMA
  • #3 13801093
    mickemaster
    Poziom 27  
    Wyświetlacz wprawdzie padnięty ale umiem liczyć do 40 i wiem kiedy jest kanał 17 a kiedy 19 na selektorze kanałów;)
    .................................................................................................................
    Radio naprawione. Kondensator C112 stracił parametry.
    Pozdrawiam
  • REKLAMA
  • #4 13805685
    Konto nie istnieje
    Konto nie istnieje  
  • REKLAMA
  • #5 13805756
    SP5ANJ
    Spoczywaj w Pokoju
    Witam.

    mickemaster napisał:
    Radio naprawione. Kondensator C2 stracił parametry.

    Coś mi się wydaje, że nie piszemy i myślimy tu a tym samym modelu radia jak w temacie. :?:

    Podpowiem, że faktycznie w obu modelach "Herbert" i "Herbert old" kondensator o numerze C2 wręcz w ogóle czy na 100% nie jest w stanie zmienić jakąkolwiek częstotliwość w tych modelach. :!:

    W myśl regulaminu pkt 3.2 temat jednak zamykamy.
    3.2. Autor tematu, po uzyskaniu odpowiedzi będącej rozwiązaniem problemu, jest zobowiązany zamieścić podsumowanie ze wskazaniem rozwiązania oraz zablokować wątek poprzez kliknięcie w przycisk rozwiązano.


    Pozdrawiam.

    Na poprawienie oznaczeń Cx przez autora wątku - temat otwieramy.
  • #6 13806027
    mickemaster
    Poziom 27  
    Przepraszam z mylne oznaczenie elementu. Chodziło oczywisci o kondensator sprzęgający kwarc z tranystorem czyli C112.
    Pozdrawiam
REKLAMA