Jak wielu z Was najpewniej wie szum fazowy - jitter - czyli niepewność pozycji zbocza sygnału taktującego to bardzo niepożądane zjawisko, powodują wzrost poziomu szumów w sygnale oraz zmniejszenie efektywnej liczby bitów - ENOB - przetwornik analogowo-cyfrowego (ADC).
Omówmy to na przykładzie. Wyobraźmy sobie system, którego założeniem jest konieczność posiadania co najmniej 14 efektywnych bitów rozdzielczości przy częstotliwości zegara próbkującego równej 100 MHz. Przetwornik taki wymaga zegara o szumie fazowym, nie większym niż 80 femtosekund. Jak obliczyć tą wartość? bardzo prosto, przy założeniu idealnego systemu, nie wprowadzającego własnych zniekształceń to sygnału, co oznacza iż stosunek sygnału do szumu (SNR) równy jest stosunkowi sygnału do szumu i zniekształceń (SINAD). Następnie, korzystając z znane liczby ENOB, równej 14 bitów, możemy obliczyć minimalny poziom SNR sygnału. W tym przypadku SNR = 86 dB, co pozwala, korzystając z równania pierwszego, wyznaczyć tj, który równy będzie w tym przypadku właśnie około 80 fs.
W systemach cyfrowego przetwarzania sygnałów występuje konieczność synchronizacji pomiędzy zegarami - taktującym procesor oraz wyzwalającym próbkowanie przetwornika ADC. Oznacza to iż próbki, niezależnie od tego czy podlegają decymacji czy nie, muszą być przetwarzane potem z prędkością będącą wielokrotność częstotliwością próbkowania, dodatkowo w zgodnej z sygnałem próbkującym fazie. Wymusza to konieczność zastosowania nadrzędnego zegara w systemie, z którego generowane będą wszystkie inne przebieg zegarowe w systemie.
Zegar ten można skonstruować w oparciu o skompensowany termicznie oscylator kwarcowy (TCXO) sprzęgnięty z niskoszumną pętlą PLL, generującą sygnał zegarowy o częstotliwości będącej wielokrotnością częstotliwości zegara kwarcowego. Następie zegar ten może zostać podzielony przez różne wartości aby uzyskać sygnały taktujące poszczególne podzespoły w systemie.Dzięki temu iż wszystkie zegary będą wygenerowane z jednego przebieg pozostaną z nim w fazie. Dzięki temu sygnał taktujący procesor oraz sygnał taktujący przetwornik ADC są sprzęgnięte ze sobą i umożliwiają poprawne działanie układu.
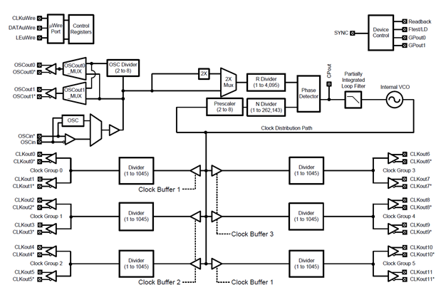
Istnieje wiele komercyjnie dostępnych produktów przeznaczonych do realizacji systemów taktujących. Wiele z nich wymaga stosowania dodatkowych buforów lub systemów dystrybucji sygnału zegarowego. Taka architektura dodatkowo zwiększa jitter systemu. Z drugiej strony wykorzystać można układy takie jak LMK03806, który zawiera w sobie generator sygnału "master" oraz system dystrybucji zegara wraz buforami sygnałów taktujących. Jego wewnętrzna budowa zaprezentowana jest na poniższej ilustracji. Układ ten charakteryzuje się całkowitym szumem fazowym, dodawanym do sygnału, nie większym niż 50 fs (w zakresie częstotliwości od 1,875 MHz do 20 MHz) przy zegarze 300 MHz. Dzięki możliwości programowania typu wyjścia możliwa jest synchronizacja sygnałów LVDS, LCPECL, LVCMOS z wspólnym zboczem narastającym nadrzędnego zegara.
Zatem następnym razem, projektując system próbkujący dane, pamiętajmy o analizie szumu fazowego sygnałów zegarowych obecnych w systemie, jako że ma on znaczny wpływ na działanie całego układu przetwarzania danych.
Źródło:
http://e2e.ti.com/blogs_/b/analogwire/archive...cking-sampled-systems-to-minimize-jitter.aspx
Omówmy to na przykładzie. Wyobraźmy sobie system, którego założeniem jest konieczność posiadania co najmniej 14 efektywnych bitów rozdzielczości przy częstotliwości zegara próbkującego równej 100 MHz. Przetwornik taki wymaga zegara o szumie fazowym, nie większym niż 80 femtosekund. Jak obliczyć tą wartość? bardzo prosto, przy założeniu idealnego systemu, nie wprowadzającego własnych zniekształceń to sygnału, co oznacza iż stosunek sygnału do szumu (SNR) równy jest stosunkowi sygnału do szumu i zniekształceń (SINAD). Następnie, korzystając z znane liczby ENOB, równej 14 bitów, możemy obliczyć minimalny poziom SNR sygnału. W tym przypadku SNR = 86 dB, co pozwala, korzystając z równania pierwszego, wyznaczyć tj, który równy będzie w tym przypadku właśnie około 80 fs.
W systemach cyfrowego przetwarzania sygnałów występuje konieczność synchronizacji pomiędzy zegarami - taktującym procesor oraz wyzwalającym próbkowanie przetwornika ADC. Oznacza to iż próbki, niezależnie od tego czy podlegają decymacji czy nie, muszą być przetwarzane potem z prędkością będącą wielokrotność częstotliwością próbkowania, dodatkowo w zgodnej z sygnałem próbkującym fazie. Wymusza to konieczność zastosowania nadrzędnego zegara w systemie, z którego generowane będą wszystkie inne przebieg zegarowe w systemie.
Zegar ten można skonstruować w oparciu o skompensowany termicznie oscylator kwarcowy (TCXO) sprzęgnięty z niskoszumną pętlą PLL, generującą sygnał zegarowy o częstotliwości będącej wielokrotnością częstotliwości zegara kwarcowego. Następie zegar ten może zostać podzielony przez różne wartości aby uzyskać sygnały taktujące poszczególne podzespoły w systemie.Dzięki temu iż wszystkie zegary będą wygenerowane z jednego przebieg pozostaną z nim w fazie. Dzięki temu sygnał taktujący procesor oraz sygnał taktujący przetwornik ADC są sprzęgnięte ze sobą i umożliwiają poprawne działanie układu.
Istnieje wiele komercyjnie dostępnych produktów przeznaczonych do realizacji systemów taktujących. Wiele z nich wymaga stosowania dodatkowych buforów lub systemów dystrybucji sygnału zegarowego. Taka architektura dodatkowo zwiększa jitter systemu. Z drugiej strony wykorzystać można układy takie jak LMK03806, który zawiera w sobie generator sygnału "master" oraz system dystrybucji zegara wraz buforami sygnałów taktujących. Jego wewnętrzna budowa zaprezentowana jest na poniższej ilustracji. Układ ten charakteryzuje się całkowitym szumem fazowym, dodawanym do sygnału, nie większym niż 50 fs (w zakresie częstotliwości od 1,875 MHz do 20 MHz) przy zegarze 300 MHz. Dzięki możliwości programowania typu wyjścia możliwa jest synchronizacja sygnałów LVDS, LCPECL, LVCMOS z wspólnym zboczem narastającym nadrzędnego zegara.
Zatem następnym razem, projektując system próbkujący dane, pamiętajmy o analizie szumu fazowego sygnałów zegarowych obecnych w systemie, jako że ma on znaczny wpływ na działanie całego układu przetwarzania danych.
Źródło:
http://e2e.ti.com/blogs_/b/analogwire/archive...cking-sampled-systems-to-minimize-jitter.aspx
Fajne? Ranking DIY