Proszę o pomoc w pierwszym podłączeniu falownika jak w temacie.
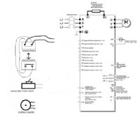
1).Silnik 1.5 KW typ:Y3-90L-4B14 z przekładnią.
2).Gdzie wpiąć potencjometr do regulacji obrotów.
3).Gdzie wpiąć dwie krańcówki,które mają wyłączyć silnik w razie ich zadziałania.Jedna i druga spełnia taką samą rolę bo wałek jest ruchomy w pionie i w razie dojechania do punktu krytycznego w górę lub w dół ma wyłączyc silnik a ponowne uruchomienie tylko po ręcznym ponownym włączeniu przełącznika START-STOP.
4).Gdzie wpiąć włącznik START-STOP
5).Maszyna ma drugi falownik który obsługuje inny wałek i gdzie się wpiąć aby jeden włącznik,wyłączał obydwa silniki(ale to temat na póżniej).
Zainteresowanym z góry dziękuję !!
1).Silnik 1.5 KW typ:Y3-90L-4B14 z przekładnią.
2).Gdzie wpiąć potencjometr do regulacji obrotów.
3).Gdzie wpiąć dwie krańcówki,które mają wyłączyć silnik w razie ich zadziałania.Jedna i druga spełnia taką samą rolę bo wałek jest ruchomy w pionie i w razie dojechania do punktu krytycznego w górę lub w dół ma wyłączyc silnik a ponowne uruchomienie tylko po ręcznym ponownym włączeniu przełącznika START-STOP.
4).Gdzie wpiąć włącznik START-STOP
5).Maszyna ma drugi falownik który obsługuje inny wałek i gdzie się wpiąć aby jeden włącznik,wyłączał obydwa silniki(ale to temat na póżniej).
Zainteresowanym z góry dziękuję !!