Witam!
Chciałbym powrócić do oryginalnego radia (kaseciak Tuner List). Czy możecie mi powiedzieć jak powinny być podłączone kable od wyświetlacza i pilota do mini-iso? Od razu zaznaczam, że sugerowałem się schematem z kablomanii, ale to podłączenie u mnie nie działa.
To radio jest oryginalne i kilka lat temu było podłączone i działało. Później zmieniłem radio na Kenwooda, do którego dokupiłem przejściówkę, dzięki której działał pilot przy kierownicy. Teraz chcę powrócić do oryginalnego radia, ale muszę polutować odpowiednio kable do mini-iso.
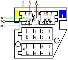
Poniżej zamieszczam zdjęcia radia i wyświetlacza.

Chciałbym powrócić do oryginalnego radia (kaseciak Tuner List). Czy możecie mi powiedzieć jak powinny być podłączone kable od wyświetlacza i pilota do mini-iso? Od razu zaznaczam, że sugerowałem się schematem z kablomanii, ale to podłączenie u mnie nie działa.
To radio jest oryginalne i kilka lat temu było podłączone i działało. Później zmieniłem radio na Kenwooda, do którego dokupiłem przejściówkę, dzięki której działał pilot przy kierownicy. Teraz chcę powrócić do oryginalnego radia, ale muszę polutować odpowiednio kable do mini-iso.
Poniżej zamieszczam zdjęcia radia i wyświetlacza.