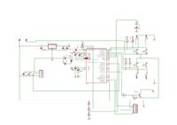
Witam. Proszę przejrzeć schemat który narysowałem. Dodam iż całe urządzonko działa, problem pojawia się jedynie z tranzystorem podtrzymującym zasilanie.
W kwestii zasilania powinno działać to tak, że cały układ zostaje zasilony dopiero w momencie wciśnięcia przycisku, wtedy pierwszą rzeczą w programie będzie instrukcja wysyłająca stan wysoki na tranzystor - co ma skutkować podtrzymaniem zasilania niezależnie od tego, czy użytkownik jeszcze trzyma czy już puścił przycisk.
Przed wlutowaniem tranzystorka działało to tak że układ był zasilany po wciśnięciu przycisku.
Po wlutowaniu tranzystorka układ jest zasilany ciągle - z moich pomiarów wynika, że emiter i kolektor "zwierają się" w momencie gdy podłączam baterię. Wlutowałem drugi taki sam tranzystorek - bez zmian.
Datasheet tranzystorka BCX56 (smd sot89) http://www.nxp.com/documents/data_sheet/BCP56_BCX56_BC56PA.pdf
Pozdrawiam
W kwestii zasilania powinno działać to tak, że cały układ zostaje zasilony dopiero w momencie wciśnięcia przycisku, wtedy pierwszą rzeczą w programie będzie instrukcja wysyłająca stan wysoki na tranzystor - co ma skutkować podtrzymaniem zasilania niezależnie od tego, czy użytkownik jeszcze trzyma czy już puścił przycisk.
Przed wlutowaniem tranzystorka działało to tak że układ był zasilany po wciśnięciu przycisku.
Po wlutowaniu tranzystorka układ jest zasilany ciągle - z moich pomiarów wynika, że emiter i kolektor "zwierają się" w momencie gdy podłączam baterię. Wlutowałem drugi taki sam tranzystorek - bez zmian.
Datasheet tranzystorka BCX56 (smd sot89) http://www.nxp.com/documents/data_sheet/BCP56_BCX56_BC56PA.pdf
Pozdrawiam

