logo elektroda
logo elektroda
X
logo elektroda
REKLAMA
REKLAMA
Adblock/uBlockOrigin/AdGuard mogą powodować znikanie niektórych postów z powodu nowej reguły.

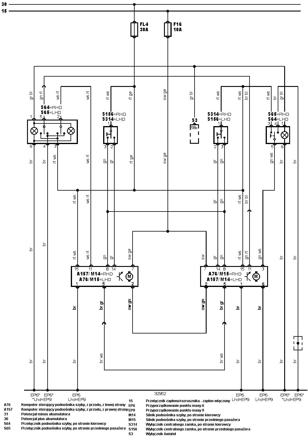
Jak podłączyć elektryczne szyby w Passacie B4 bez fabrycznej instalacji?

gmaras 31 Sie 2014 10:35 3417 8
REKLAMA
  • #1 13922066
    gmaras
    Poziom 10  
    Witam potrzebuje pomocy mam w passacie b4 korby w drzwiach kupiłem mechanizmy wraz z wiązkami drzwi przednich szyb elektrycznych ale w aucie nie mam instalacji czy wie ktoś jak to podłączyć jakiś schemacik instalacji którą muszę stworzyć w aucie żeby to działało (tylko otwieranie zamykanie bez żadnego modułu komfortu itp) po prostu które piny + które - i które połączyć ze sobą w drzwiach z góry dziękuje
  • REKLAMA
  • #2 13922129
    guard10
    Poziom 28  
    Witam poszukaj uniwersalnego sterownika do szyb w bazie elektrody lub na necie jest tego troszkę.Nie podaje stron bo nie chce robić nikimu reklamy.Pozdrawiam
  • #3 13922149
    gmaras
    Poziom 10  
    Sam sterownik mi nic nie da mam siniki i przełączniki w w wiązce jest 10 pinów potrzebuje schemat jak je połączyć bo przypuszczam że to jest kwestia podania "+" i "-" na odpowiednie piny i spięcia drzwi ze sobą bo w drzwiach kier mam sterowanie i lewymi i prawymi szukałem takiego rozwiązania po forach i nie znalazłem pod konkretny model dlatego piszę tutaj :)
  • REKLAMA
  • #4 13922178
    guard10
    Poziom 28  
    Witam a z jakiego modelu roku i podaj pojemność masz te mechanizmy wyciągnięte.Pozdrawiam
  • #5 13922192
    gmaras
    Poziom 10  
    dokładni taki jak mój b4 95r 1.9tdi tylko tamten miał elektryke z przodu u mnie są korby mam mechanizmy plus wiązki z drzwi ale u mnie w słupku nie mam wiązki do szyb i chce to podłączyć "na krótko" czyli plus przez przekaźnik po stacyjce itd ale muszę mieć jakiś schemat które kabelki jak po podłączać
  • #6 13922508
    Konto nie istnieje
    Poziom 1  
  • REKLAMA
  • #7 13922879
    gmaras
    Poziom 10  
    Ja też byłem pewien żę instalacja będzie a tu zong to tylnych głośników też musiałem prowadzić przewody bo nie było mam jakąś dziwną wersje elektryczny szyber klima i cztery korby!!! w ostateczności zrobię tak jak pisałeś na przekaźnikach ale najpierw spróbuje rozpracować oryginalną instalacje może ktoś jeszcze coś podpowie pozdrawiam
  • REKLAMA
  • #8 13923103
    guard10
    Poziom 28  
    Witam przykro mi ale nie znalazłem schematu elektryki drzwi dla tego rocznika może w bazie danych elektrody.Pozdrawiam
REKLAMA