logo elektroda
logo elektroda
X
logo elektroda
REKLAMA
REKLAMA
Adblock/uBlockOrigin/AdGuard mogą powodować znikanie niektórych postów z powodu nowej reguły.

Audi 80 2.0 ABT - Zanik napięcia na monowtrysku przy włączaniu zapłonu

patrykzs 04 Wrz 2014 17:31 4692 16
REKLAMA
  • #1 13933992
    patrykzs
    Poziom 9  
    Witam, mam problem w Audi 80 2.0 ABT z monowtryskiem a dokładniej w tym, że po włączeniu zapłonu na odłączonej wtyczce od wtrysku mam na chwile 12V i zaraz znika, czyli powinno być wszystko dobrze bo wtrysk powinien się na chwilę otworzyć i wtrysnąć dawkę paliwa, ale się tak nie dzieje wtedy gdy tą wtyczkę podłącze, na zapłonie już nie ma tych 12V, pojawia się dopiero w momencie kręcenia rozrusznikiem. Czasami na podłączonej wtyczce pojawi się to napięcie i wtedy samochód pali na dotyk, ale nie ma żadnej reguły na to, czy jest zimny czy ciepły, po prostu jak mu się podoba. W czym może być problem, że nie ma tego napięcia przy każdej próbie włączenia zapłonu?
  • REKLAMA
  • #2 13934175
    domex32
    VIP Zasłużony dla elektroda
    Sprawdź, pomierz czujnik temperatury.
  • REKLAMA
  • #3 13934690
    cardoctor
    Poziom 17  
    Może przekaźnik podający napięcie na wtrysk ma wypalone styki.
  • REKLAMA
  • #4 13934740
    Konto nie istnieje
    Konto nie istnieje  
  • #5 13935643
    patrykzs
    Poziom 9  
    To dlaczego tak się dzieje, że co jakiś czas wtryskuje sobie tą dawke mimo że rozrusznikiem nie kręce? Gdzieś znalazłem jakiś temat na forum elektrody tylko to było że samochód nie odpalał, ale opisywał jak to wszystko wygląda i jemu tą dawke zawsze wtryskiwał.
  • #6 13935678
    manta
    VIP Zasłużony dla elektroda
    To przekręć wał o 90° i nie będzie.
  • #7 13935860
    carrot
    Moderator Samochody
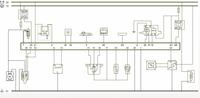
    Jak widać na schemacie, wtryskiwacz jest zasilany z przekaźnika pompy paliwa, dlatego napięcie na nim pojawia się na krótką chwilę po włączeniu stacyjki, i potem na stałe podczas kręcenia silnikiem Audi 80 2.0 ABT - Zanik napięcia na monowtrysku przy włączaniu zapłonu
  • #8 13935906
    domex32
    VIP Zasłużony dla elektroda
    Czyli wychodzi na to ze sterownik zaczyna myśleć ze silnik się obraca i dla tego otwiera wtrysk, lub gdzieś ewentualnie mamy problem w instalacji.
  • REKLAMA
  • #9 13936020
    carrot
    Moderator Samochody
    Czyli do sprawdzenia czujnik halla w aparacie zapłonowym i wtyczka do niego
  • #10 13936119
    anet870
    Poziom 26  
    Wtrysk powinien podać dawkę paliwa po załączeniu stacyjki bez kręcenia rozrusznikiem.Tak jest u mnie od początku.Wepnij waga i zrób test podzespołów układu paliwowego.
  • #11 13936229
    patrykzs
    Poziom 9  
    Tyle że samochód jest z 92 roku a więc ma starszy sterownik i nic w nim vagiem nie zobaczę, chyba że się mylę to mógłbyś powiedzieć jak ten test zrobić. A co do halla to był podmieniany cały aparat zapłonowy i nic, jeszcze jutro sprawdzę dobrze tą wtyczkę od niego.
  • #12 13936454
    robokop
    VIP Zasłużony dla elektroda
    Ale przy uszkodzonym hallotronie nie będzie iskry, więc? Teraz znika +12V mierzone między pinem wtyczki a masą samochodu, czy pomiędzy obydwoma pinami wtyczki?
  • #13 13936739
    patrykzs
    Poziom 9  
    Mierzone jest pomiędzy pinami wtyczki
  • #14 13936742
    majsster
    Poziom 23  
    masa jest sterowany wtryskiwacz, zmierz +12 na wtyczce z masą silnika.
  • #16 13937407
    anet870
    Poziom 26  
    Ja mam z 91r 90km i waga wpinam pod maską klikam test i wszystko ładnie pokazuje.Wtyki są 2x2 piny

    Moderowany przez manta:

    Link usunąłem.

  • #17 13937455
    kwok
    Poziom 40  
    A żeś linka zapodał..
    Patryk, jak już wcześniej napisano zasilanie wtryskiwacza i pompki paliwa jest z tego samego przekaźnika. Przekaźnik jest załączany przez sterownik silnika zaraz po wykryciu impulsów z czujnika Halla czyli jak silnik zacznie się kręcić. Jeśli pojawią się impulsy z Halla to pojawi się też iskra. Z ciekawostek można powiedzieć że ten sam przekaźnik jest załączany przez ten sam sterownik na chwilę po włączeniu zapłonu. Czy wtryskiwacz się też załącza nie wiem bo nigdy nie sprawdzałem. Cały ambaras polega na tym że musisz sprawdzić czy jak kręcisz silnikiem to pojawia się 12V na wtryskiwaczu względem minusa akumulatora i czy pompka paliwa się włącza (zwykle wystarczy posłuchać czy w zbiorniku paliwa pojawi się buczenie) i czy jest iskra. Jeśli jedno, drugie i trzecie się pojawia to pozostają dwie możliwości: albo brak kluczowania wtryskiwacza (sterownik silnika impulsowo włącza minus na wtryskiwacz) albo pompka nie robi dostatecznego ciśnienia.
REKLAMA