logo elektroda
logo elektroda
X
logo elektroda
REKLAMA
REKLAMA
Adblock/uBlockOrigin/AdGuard mogą powodować znikanie niektórych postów z powodu nowej reguły.

Cobra 75 WX ST - zdjęcie okolic układu LM386 po wymianie komponentów

lord232! 09 Wrz 2014 18:14 774 2
REKLAMA
  • #1 13946942
    lord232!
    Poziom 27  
    Witam.
    Posiadam CB Cobra 75 WX ST. Podczas wymiany układu LM386 przez moją nieuwagę niechcący przestawiły mi się elementy na płycie w okolicy tego wzmacniacza i dlatego proszę o fotkę okolic układu LM386.
    Pozdr.
  • REKLAMA
  • #2 13947408
    SP5ANJ
    Spoczywaj w Pokoju
    Witam.

    lord232! napisał:
    Podczas wymiany układu LM386 przez moją nieuwagę niechcący przestawiły mi się elementy na płycie w okolicy tego wzmacniacza i dlatego proszę o fotkę okolic układu LM386.

    Pytanie może z tych "dziwnych" ale po co Tobie fotka. :?:

    Napisz lepiej o jakie to "elementy" tutaj chodzi.:?:

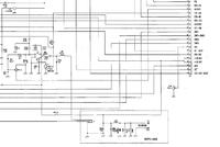
    Na schemacie w okolicy LM386 jest tylko ON/OFF i VOL :

    Cobra 75 WX ST - zdjęcie okolic układu LM386 po wymianie komponentów
    Jak widać jest to typowy układ wzmacniacza mocy m.cz. (odbiornika).


    Pozdrawiam.
  • #3 13949526
    lord232!
    Poziom 27  
    Chodziło mi o 3 kondensatory i rezystor w okolicy lm386, ale sobie już poradziłem.
REKLAMA