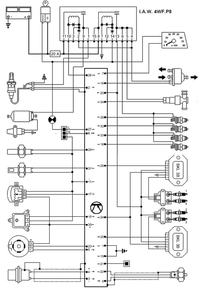
Jak w temacie, pilnie poszukuje schematu elektrycznego oraz schematu ABS do fiata coupe 2.0 16V Turbo 1994r.
Szukałem na forum ale nigdzie nie mogę znaleźć do mojego samochodu schematów.
Poproszę o wszystkie schematy elektryczne jakie posiadacie każdy się przyda w szczególności najbardziej potrzebne są mi wszystkie schematy od ABS.
Szukałem na forum ale nigdzie nie mogę znaleźć do mojego samochodu schematów.
Poproszę o wszystkie schematy elektryczne jakie posiadacie każdy się przyda w szczególności najbardziej potrzebne są mi wszystkie schematy od ABS.
