logo elektroda
logo elektroda
X
logo elektroda
REKLAMA
REKLAMA
Adblock/uBlockOrigin/AdGuard mogą powodować znikanie niektórych postów z powodu nowej reguły.

Mitsubishi Carisma 1.6 16V 00r - potrzebna zamiana sygnału abs na vss

szajens 14 Wrz 2014 20:27 1923 7
REKLAMA
  • #1 13960757
    szajens
    Poziom 10  
    Witam, mam uszkodzony ślimak w skrzyni biegów.

    Potrzebuję zamienić sygnał z absu na vss tak zwaną stałą drogi,
    jakiś układ który będzie pozwalał regulować stałą drogi(coś jak ukp),będzie odbierał impuls z abs i przetwarzał na vss,
    nie działa mi prędkościomierz, komputer ukp itp.

    Niby uniwersalny komputer pokładowy załatwiłby sprawę, ale szkoda mi trochę pieniędzy(wydałem ponad 1tyś na skrzynie, i przysłali mi z zepsutym ślimakiem).

    Może ma ktoś pomysł jak to rozwiązać?
  • REKLAMA
  • Pomocny post
    #2 13960778
    Konto nie istnieje
    Konto nie istnieje  
  • REKLAMA
  • #3 13960855
    szajens
    Poziom 10  
    Znalazłem na forum mojej marki taką wypowiedz (dotyczącą galanta):

    Sygnał prędkości ok 0.4 m/impuls
    ABS 100-200 impulsów na jeden obrót koła

    Male pojęcie o elektronice mam, od 10 lat nie praktykowałem, ale jak mi ktoś podpowie to powinienem dać rade.
  • REKLAMA
  • #4 13960859
    Konto nie istnieje
    Konto nie istnieje  
  • #5 13960910
    szajens
    Poziom 10  
    Wydaje mi się że wystarczyło by zmienić tylko częstotliwość impulsów i mieć możliwość jej regulacji w celu kalibracji.

    Jaki układ zastosować?

    edit: co do przerzutnika schmitta to wystarczył by pewnie taki: Mitsubishi Carisma 1.6 16V 00r - potrzebna zamiana sygnału abs na vss

    Czy jako dzielnik częstotliwości wystarczył by taki?: Link

    Jednak ja poszukuje takiego którym mógłbym sterować potencjometrem
  • REKLAMA
  • #6 13961063
    Konto nie istnieje
    Konto nie istnieje  
  • #7 13961107
    szajens
    Poziom 10  
    non e vero italiano napisał:
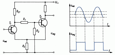
    Oczywiście, że przerzutnik na dwu tranzystorach w zupełności wystarczy. Rozważ zastosowanie obcinacza diodowego (ogranicznika amplitudy), dlatego, że wyindukowana wartość napięcia z czujnika ABS może okazać się za duża.


    Czarna magia jak dla mnie, za dużo profesjonalnych i nie znanych mi pojęć :S
  • #8 13961999
    szajens
    Poziom 10  
    A jak bym zastosował te dzielniki na ucy7490 Link

    i jakieś inwentery np UCY7416, to co jeszcze zastosować ? mogłby ktoś pomuc?

    czy jak połączę ze sobą te dwa powyższe schematy i: Mitsubishi Carisma 1.6 16V 00r - potrzebna zamiana sygnału abs na vss
    będzie ok?
REKLAMA