Witam.
Jeśli nieodpowiedni dział to proszę o przeniesienie.
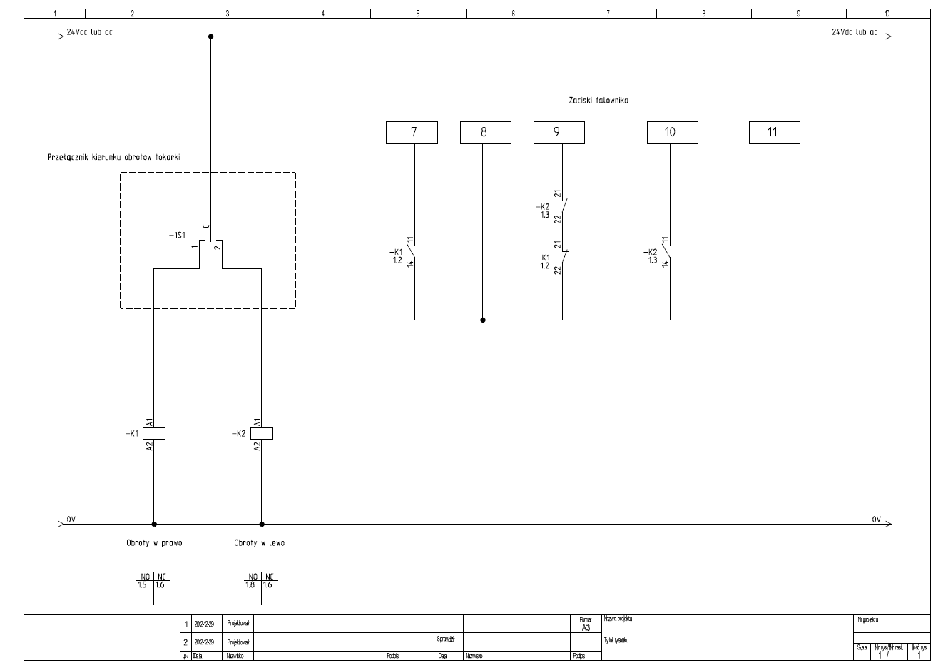
Dostałem falownik Allan Bradley Cat 1333 - CAB chcę go podłączyć do tokarki. W menu ustawiłem sterowanie zewnetrzne , podłączyłem potencjometr jak na razie wszystko działa , problem mam jedynie ze zmianą kierunku obrotów silnika. Chcę zastosować oryginalne sterowanie z tokarki czyli do zmiany kierunku obrotów prosty przełącznik dźwigniowy 1-0-1 (jeśli źle opisałem przepraszam) Niestety po jego zastosowaniu mam tylko obroty w jednym kierunku z funkcją stop , lub obroty prawo-lewo bez funkcji stop. Nie jestem z zawodu elektrykiem ale podłączałem i konfigurowałem kilka falowników i udało się . Niestety tym razem muszę poprosić o pomoc. W załączeniu schemat oraz instrukcja obsługi niestety po angielsku , próbowałem tłumaczyć w translatorze ale wychodzą głupoty.
Jeśli nieodpowiedni dział to proszę o przeniesienie.
Dostałem falownik Allan Bradley Cat 1333 - CAB chcę go podłączyć do tokarki. W menu ustawiłem sterowanie zewnetrzne , podłączyłem potencjometr jak na razie wszystko działa , problem mam jedynie ze zmianą kierunku obrotów silnika. Chcę zastosować oryginalne sterowanie z tokarki czyli do zmiany kierunku obrotów prosty przełącznik dźwigniowy 1-0-1 (jeśli źle opisałem przepraszam) Niestety po jego zastosowaniu mam tylko obroty w jednym kierunku z funkcją stop , lub obroty prawo-lewo bez funkcji stop. Nie jestem z zawodu elektrykiem ale podłączałem i konfigurowałem kilka falowników i udało się . Niestety tym razem muszę poprosić o pomoc. W załączeniu schemat oraz instrukcja obsługi niestety po angielsku , próbowałem tłumaczyć w translatorze ale wychodzą głupoty.
