logo elektroda
logo elektroda
X
logo elektroda
REKLAMA
REKLAMA
Adblock/uBlockOrigin/AdGuard mogą powodować znikanie niektórych postów z powodu nowej reguły.

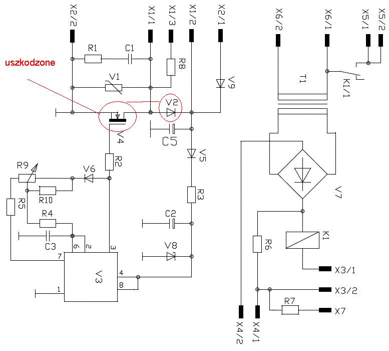
Migomat BESTER - uszkodzony IRF640

deksterlab 29 Kwi 2005 18:40 7677 6
REKLAMA
  • #1 1448483
    deksterlab
    Poziom 11  
    Mam problem z migomatem firmy BESTER MiniMagster 1500 SUPER. Pewnego dnia spalił się bezpiecznik został wymieniony i znów się spalił. Przemierzyłem wszystko i okazało się ze niema napięcia na silniku. Wymieniłem tranzystor IRF640 i układ NE555 i 2 diody 1N4007. No i niby wszystko ok silnik się obraca. Poskładaliśmy tą spawarkę i kolega zaczął spawać, dotknął tylko raz spawanego elementu i bezpiecznik znów się zaczął palić. Czego to może być wina??????????? Potencjometr do posuwu drutu niby jest odizolowany , ale może on miał przebicie. Proszę o odpowiedź.
  • REKLAMA
  • #2 1450520
    deksterlab
    Poziom 11  
    sprawdziłem elementy i okazało się że uszkodzeniu ulega tranzystir IRF640 i ijedna dioda na wyjściu V2. Co mozę byc przyczyną ?????????
  • REKLAMA
  • #3 1451451
    turek:
    Specjalista - spawarki
    Przy tym układzie często tak bywa wystarczy że partia tranzystorów jest trochę nie tak wyprodukowana i lecą jeden za drugim (trafiłem raz na taką że musiałem po prostu wszystkie wyrzucić , a już tragedia jest z tranzystorami IRF 640N niby mocniejsze ale nie chodzą w tym układzie).
    Najlepiej wymień jeszcze raz. Sprawdź także opornik R2 i wymień warystor V1(włóż S14K60) oraz sprawdź połączenia obwodu hamowania silnika (styki pomocnicze stycznika).
    Powodzenia.
  • #4 1451952
    deksterlab
    Poziom 11  
    Tranzystor jest mocniejszy IRF840 założe mocniejsze diody. Warystor jest S14 K60 tak jak napisałeś, ale powninien być dobry, gdyż po wymianie wcześniej tranzystora i diody silnik pracował nonstop aż drut niedotknoł masy. traz jestem pewien że to znów zadziała ale jak zacznie spawać moze znów coś się stać.

    Dodano po 4 [godziny] 43 [minuty]:

    kolejną informacją jest to ze za drugim razem (ostatnim) spaliła się dioda V2 tam jest 1N4007. Tranzystor jest ok, spalił się tylko za pierwszym razem. Mam diode FR302 może zastąpić tamtą diode.????????

    Dodano po 1 [minuty]:

    Przypominam że po pierwszej wymianie tranzystora diody i scalaka (scalak był akurat OK) silnik pracował aż do momenstu spawania

    Dodano po 9 [minuty]:

    wyprowadzenia X1/1 i X1/2 są wypprowadzeniami na silnik
  • REKLAMA
  • #5 1456414
    deksterlab
    Poziom 11  
    wlutowałem tranzystor IRF840 i jest dioda 1n4007 i spawarka teraz działa. Ale po około 2 minutach migomat dziwnie się zachowuje. Nieda sie nim zrobic jednego ciągłego spawu, spawa punktowo (pluje, jakby przerywało coś). Dotego tranzystor przegrzewa się. Niewymieniłem jeszcze tego warystora.
  • #6 1456511
    turek:
    Specjalista - spawarki
    to wygląda na mostek prostowniczy lub dławik(sprawdź czy się nie grzeje)
  • REKLAMA
  • #7 8065609
    akucaj
    Poziom 10  
    Witam,

    temat trochę już stary - ale może się komuś przyda -
    miałem podobną usterkę i wymieniłem tranzystor na IRF840. Już po chwili pracy radiator na tranzystorze parzył palce po dotknięciu. Zerknąłem do katalogu i wszystko się wyjaśniło - rezystancja RDS(ON) = 0.850Ω. Najlepszy byłby IRF540, bo dla niego wynosi tylko RDS(ON) = 0.055Ω - ale ten się uszkadzał z powodu przepięć (ma tylko 100V). Wynika z tego najlepiej zamontować taki jak był czyli IRF640.
REKLAMA