logo elektroda
logo elektroda
X
logo elektroda
REKLAMA
REKLAMA
Adblock/uBlockOrigin/AdGuard mogą powodować znikanie niektórych postów z powodu nowej reguły.

VW/Passat/1,9tdi 110 - zablokowany sterownik silnika 17978

Gural 21 Wrz 2014 15:27 40500 33
REKLAMA
  • #1 13978433
    Gural
    Poziom 11  
    Witam,
    oczytałem się innych podobnych tematów w sieci oraz tutaj jednak nie potrafię naprawić auta.Problem wygląda tak :
    -przekręcając kluczyk,
    -kontrolka akumulatora lekko się żarzy, świeci się airbag, mruga kontrolka ręcznego oraz słychać trzy sygnały dźwiękowe.
    -Auto odpala i gaśnie.

    Z tego co wiem to :
    te trzy sygnały oznaczają zbyt niskie napięcie poniżej 8V (aku nowy).
    podłącznie do vaga pokazało błąd 17978 w silniku w immo nic nie pokazało.
    Przekaźnik 219 przy komputerze dziwnie czasami brzęczy . . .

    być może gdzieś brakuje masy lub coś zaśniedziało, tylko pytanie które kostki sprawdzić. I gdzie szukać usterki

    Proszę o pomoc
    Pozdrawiam
  • REKLAMA
  • #2 13978522
    wasylek112233
    Poziom 18  
    na początek masy w komorze silnika na grodzi
  • #3 13978547
    guard10
    Poziom 28  
    Witam zacznij od sprawdzenia stanu akumulatora, klemy i bolce aku muszą być czyste, sprawdż bezpieczniki główne pod maską, połączenie masy na karoserji.Podaj rezultat
  • REKLAMA
  • #4 13978566
    Konto nie istnieje
    Konto nie istnieje  
  • REKLAMA
  • #5 13979684
    Gural
    Poziom 11  
    Aku nowy, klemy czyste, 12,03 v na aku. Pali od strzała wiec aku odpada.
    imo rozłącza pompę. bezpieczniki ok wszystkie te pod maską w puszcze od komputera i te po lewej stronie pod osłoną boczną kokpitu.

    non e vero italiano : jak bym chciał tak zrobić to bym nie pisał na forum .... zresztą warsztaty w niedziele nie czynne ... :(
  • REKLAMA
  • #7 13979702
    Konto nie istnieje
    Konto nie istnieje  
  • #8 13979731
    Gural
    Poziom 11  
    Panie non e vero italiano z pewnością jest Pan mechanikiem, który wie na czym polega problem, jednak jest tak Pan rządny pieniędzy, że nie pomoże Pan normalnie, bezinteresownie człowiekowi, który jest w potrzebie. Była sobie niedziela, warsztaty pozamykane, małe dziecko w domu, z którym w każdej chwili może zajść potrzeba wyjechania do lekarza. Mając chwilę wolnego czasu, chciałem spróbować naprawić auto.
    Bardzo dziękuję za normalne zachowanie grala1 ;)
    A Pan jak nie chce pomóc to niech Pan chociaż nie pisze i nie zaśmieca forum swoimi zbędnymi komentarzami...

    A poza tym ,,forum - portal internetowy, w którym użytkownicy mogą umieszczać swoje opinie, dyskutować na dany temat".
    Tak więc, forum służy do zadawania pytań i uzyskiwaniu odpowiedzi od osób, które swoją wiedzą, czy doświadczeniem chcą się podzielić.
  • #9 13979764
    Konto nie istnieje
    Konto nie istnieje  
  • #10 13979825
    Gural
    Poziom 11  
    grala1 liczniki mi nie odpowiadają ;/ dlatego uważam, że brakuje gdzieś masy
  • #11 13979837
    Konto nie istnieje
    Konto nie istnieje  
  • #12 13979855
    Gural
    Poziom 11  
    Tak wiem, który kolor w instalacji za co odpowiada, bezpieczniki wszystkie sprawdziłem, te przy komputerze i te po lewej stronie kokpitu.
  • #13 13979916
    autoas
    Poziom 42  
    Poniedziałek dzień roboczy już blisko....
    Zostaw auto w spokoju bo zaszkodzisz....
    Znajdź tam u siebie polecanego elektromechanika i naprawi ci auto, abyś nie miał problemu jak rzeczywiście ci się zdarzy....a z dzieckiem "to nie wywołuj wilka z lasu"...
  • #14 13979928
    grala1
    Specjalista grupy V.A.G.
    Jak to jest Passat z licznikiem z niebieskim podświetlanie to trochę dziwne że łączy Ci się z immo a z licznikiem nie che skoro oba sterowniki siedzą w liczniku.
    Brak diagnozy z licznikiem więc pewnie z tego powodu zablokowany sterownik silnika.
    Tutaj masz cały opis wyprowadzeń licznika.
    http://www.vwgolf.pl/porady/passat-b5-1996-2005-pinout-licznika/
    Posprawdzaj zasilanie, sprawdź ciągłość przewodu K pomiędzy licznikiem a OBD, sprawdź też ciągłość linii W pomiędzy licznikiem a sterownikiem silnika.
  • #15 13982745
    zeimp
    Moderator na urlopie...
    Ja jeszcze spróbowałbym odłączyć przewody z aku i klemy razem spiąć na ok. 5min. Podłączyć wsio ponownie i sprawdzać dalej...
  • #16 14015039
    Gural
    Poziom 11  
    No i auto dalej stoi... Było u dwóch elektryków. Tylko kasa w błoto ... postanowiłem sam się do tego zabrać po raz kolejny. Rozebrałem liczniki bo tak stwierdził drugi elektryk - ze są uszkodzone więc rozebrałem oglądałem sprawdzałem, nic nie było podejrzanego. gdy zacząłem sprawdzać kostki, okazało się ze na niebieskim złączu pierwszy pin ma tylko 6 - 8 V gdy pożyczyłem z innego przewodu 12V w to miejsce to auto odpaliło. Czy ktoś wie gdzie ten przewód idzie? NIE ODDAM JUŻ auta do "pseudo elektryków" którzy są w mojej okolicy. Wiec proszę was o pomoc
  • #17 14015060
    wasylek112233
    Poziom 18  
    jesli zasilanie to pewnie do skrzynki bezpieczników/przekażników.....
  • #18 14015110
    Gural
    Poziom 11  
    właśnie ciężko mi odnaleźć dokładnie w które miejsce i z jakiego powodu jest tam tak niskie zasilanie ...
  • #19 14015200
    wasylek112233
    Poziom 18  
    brak przejscia/ załamana związka/ zły styk itd. postaram sie sprawdzic na schematach. moze cos znajde...

    Dodano po 8 [minuty]:

    VW/Passat/1,9tdi 110 - zablokowany sterownik silnika 17978

    taki masz zegar????
  • #20 14015253
    Gural
    Poziom 11  
    Tak taki zegar.
    brak przejścia - 0V
    załamana wiązka - 0V
    zły styk - w miejscu znajdującym się na drugim końcu kabla tylko gdzie :(
  • #21 14015321
    wasylek112233
    Poziom 18  
    załamana wiązka nieoznacza zera volt...

    Dodano po 2 [godziny] 13 [minuty]:

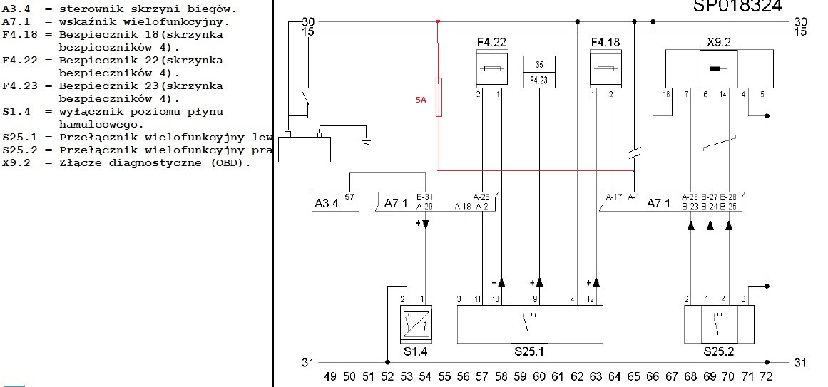
    skrzynka bezpiecznikow w desce rozdzielczej po lewej stronie(od kierowcy) bezpieczniki nr:15,42,5,23,29,7,18,22, z tamtąd idą wszystkie zasilania na zegary. sprawdzasz przejście miedzy swoim pinem a pinami bezpieczników. (bezpieczniki wyjęte aku odłączone sprawdzenie na obydwuch pinach bezpiecznika)

    jesli nie chce Ci sie szukać to powiedz mi który to pin wg rysunku który Ci wysłałem .
    np A-14 (czyli niebieska kostka pin 14sty)

    Dodano po 38 [sekundy]:

    to powiem Ci który to dokładnie bezpiecznik
  • #22 14017923
    Gural
    Poziom 11  
    to jest A-1
  • #23 14018084
    wasylek112233
    Poziom 18  
    A-1 wg schematu idzie do zacisku 30 czyli stałego plusa.... moja rada podepnij się do czegoś z stałym plusem, pociągnij kabel z dorzuconym bezpiecznikiem 5A do A-1 i gra....
    VW/Passat/1,9tdi 110 - zablokowany sterownik silnika 17978

    Moderowany przez Pawel wawa:

    Porada szkodliwa. Skąd wiesz, że reszta linii zasilającej jest sprawna? Chcesz zasilać wszystko od strony licznika?

  • #24 14018851
    Gural
    Poziom 11  
    Moderator chyba nie wczytał się w temat a mądrala :P ...
    Przecież napisałem "pożyczyłem z innego przewodu 12V w to miejsce to auto odpaliło"

    i nie zasilać wszytko od strony licznika tylko - zasilić licznik.

    Panie Pawle proszę o zapoznanie się z treścią postów ...


    Wasylek : Auto odpala normalnie jak jest tam stałe 12V - tylko zostaje jeszcze kwestia podobna jak tu:



    Jednak w moim przypadku miganie kontrolek już rozwiązane przez to dodatkowe zasilanie.
    Niby kwestia stacyjki ...


    Moderowany przez manta:

    3.1.9. Zabronione jest rozpowszechnianie treści ironizujących, prześmiewczych lub złośliwych, stanowiących przejaw braku szacunku do innych Użytkowników lub osób trzecich.

    Jedynego mądrale którego tu widzę to Ty...

    Ostrzeżenie.

  • Pomocny post
    #25 14019917
    wasylek112233
    Poziom 18  
    stary przewód się odcina.... a do pina A-1 wpina nowy przewód, kazałem koledze puścić przewód z bezpiecznikiem jako dodatkowe zabezpieczenie.... linia 30 to linia stałego zasilania czyli bez stacyjki...
    30 -zasilanie z aku "+"
    15- po zapłonie"+"
    31- masa

    miganie tak jak mowisz może być spowodowane linią 15 czyli plus po zapłonie... wszystkie bezpieczniki były do lini 15 wpiete z postów wyżej...
    najwazniejsze że juz wszystko jasne...

    nie rozumie kolegi moderatora jak można zasilać resztę lini skoro się ją odcina??? a bajpas zasila tylko i wyłącznie pin A-1 czyli zegary..... VW/Passat/1,9tdi 110 - zablokowany sterownik silnika 17978
  • #26 14021325
    Teodor85
    Poziom 20  
    Super porada, a potem trafisz takie auto i grzebiesz cały dzień bo jakiś fantasta przedstawił swoja wizję i trzeba rozgryźć co miał na myśli.

    DRUCIARSTWO!!! DRUCIARSTWO!!! DRUCIARSTWO!!!
  • #27 14022603
    wasylek112233
    Poziom 18  
    to skasuj klienta za 3h szukania kabelka zobaczymy czy wróci.... druga sprawa to kolega jest zadowolony i wie chyba jak i co zrobić.... a jak ja trafie na takie auto to bede widział chyba co jest zrobione.... a jak Tobie sie to nie podoba to zabij 3/4 ludzi z branży.... koncze konwersacje w tym temacie....
  • #28 14022823
    Teodor85
    Poziom 20  
    Szmaciarzy i druciarzy nie nazywaj branżą.
  • #29 14022852
    wasylek112233
    Poziom 18  
    masz swoje zdanie i masz do niego prawo. ja i kolega zakładający posta mamy swoje zdanie i też mamy do niego prawo.... wiec nie rzucajmy epitetów.... po prostu sie uszanujmy wzajemnie...
  • #30 14022958
    Teodor85
    Poziom 20  
    Moje ostatnie słowa:
    Poczytaj sobie opinie o mechanikach nawet na tym forum i pomyśl skąd się wzięła taka opinia....
REKLAMA