Witam, fabrycznie w TTi 660 nie ma RFgaina, pytanie brzmi jak go dorobić? Wiem, że w podobnym modelu 880 jest fabryczny, ale może jest prostszy sposób na jego stworzenie?
Tu na elektrodzie znalazłem opis do radia Danita i pytanie brzmi: czy mogę takie rozwiązanie zaadoptować do TTi? jeśli tak, to jakie mniej więcej dać wartości potencjometru i rezystora?
Dorzucam obraz do Danity:
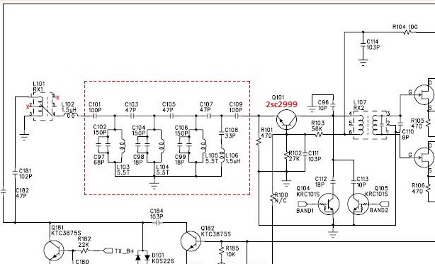
Schemat TTi 660:
Tu na elektrodzie znalazłem opis do radia Danita i pytanie brzmi: czy mogę takie rozwiązanie zaadoptować do TTi? jeśli tak, to jakie mniej więcej dać wartości potencjometru i rezystora?
Dorzucam obraz do Danity:
Schemat TTi 660: