logo elektroda
logo elektroda
X
logo elektroda
REKLAMA
REKLAMA
Adblock/uBlockOrigin/AdGuard mogą powodować znikanie niektórych postów z powodu nowej reguły.

Renault Megane I ph II 1.9 dCi 2002 - Obrotomierz nie działa, testy i diagnostyka

Floroo 28 Wrz 2014 13:53 7518 1
REKLAMA
  • #1 13997744
    Floroo
    Poziom 10  
    Witam,
    Problem polega na niedziałającym obrotomierzu. W aucie nic nie było przerabiane/wymieniane jeśli chodzi o zegary oraz instalacje.

    Renault Mehane I phII
    Silnik 1,9 dci - F9QK 732
    Rok produkcji 2002
    ECU Bosch na 3 wtyczki

    Czynności jakie wykonałem w celu ustalenia przyczyny:
    Test zegarów – klawisz na manetce od wycieraczek i zapłon. Zegary działają prawidłowo. Podłączenie innych sprawnych - obrotomierz brak reakcji.
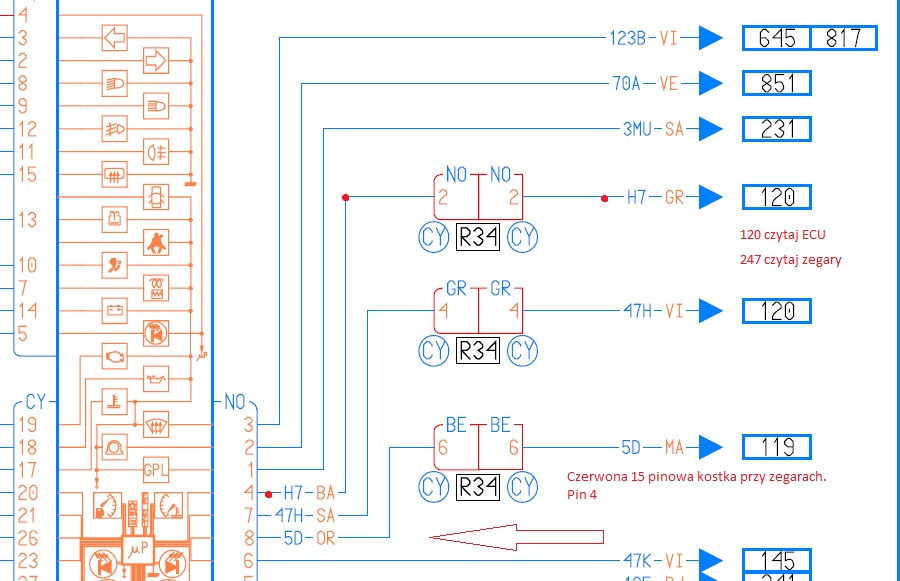
    Przegląd instalacji od zegarów do kostki pod bezpiecznikami w komorze silnika. Brak korozji , zaśniedziałych styków jakich kol wiek budzących wątpliwości połączeń mimo wszystko profilaktycznie potraktowane Contact spray. Wszystkie wtyczki z ECU zostały wypięte oraz potraktowane analogicznie Contact spray. Następnie chciałem podłączyć na „krótko” bezpośrednio z ECU do obrotomierza lecz dalsze prace zatrzymały się na tym etapie gdyż nie mogę nigdzie znaleźć informacji który pin z ECU jest odpowiedzialny za inf. O obrotach silnika która wędruje do obrotomierza.

    W załączniku schemat tablicy zegarów jednak nie posiadam do niego opisu. Czy ktoś wie która kostka i który pin jest odpowiedzialny za obrotomierz (z ECU do zegarów)?
  • REKLAMA
  • #2 14010076
    Floroo
    Poziom 10  
    Po kilku dniach walki co prawda z doskoku przez prace i inne obowiązki udało się osiągnąć zamierzony cel. Obrotomierz działa :) Usterka była dość prosta. Brak połączenia z ECU(120)szara - GR kostka współrzędne 4D pin H7 kabel biały - BA i białą lub kryształową - CY kostką R34 znajdującą się pod skrzynką bezpieczników w komorze silnika. Dodatkowo brak połączenie z białej lub kryształowej - CY kostki R34 z 15 pinową czerwoną kostką (247) przy zegarach pin 4 biały - BA kabel. Brak dokładności za pierwszym podejściem w kwestii podłączenia na krótko spowodował ze zabierałem się za to 2 razy :/ Rozwiązaniem było poprowadzenie nowego kabla bezpośrednio z ECU do zegarów. Przewód udało się przeprowadzić do kabiny w miejscu gdzie przechodzi wiązka od sterowania wycieraczkami (prawa strona podszybia).

    Renault Megane I ph II 1.9 dCi 2002 - Obrotomierz nie działa, testy i diagnostyka Renault Megane I ph II 1.9 dCi 2002 - Obrotomierz nie działa, testy i diagnostyka
REKLAMA