Witam
Przymierzam się do projektowania pewnego układu dla klienta. Do Atmegi (w tej chwili jej wersja jest nieistotna) podłączone mają być 2 potencjometry. Jeden z tych potencjometrów ma być współdzielony z falownikiem. Inaczej: suwak potencjometru podłączony będzie na wejście analogowe napięciowe falownika (0-10V) i służyć będzie do nastawy częstotliwości. Drugi potencjometr nie będzie "współdzielony". Obydwa potencjometry będą liniowe.
Zastanawiam się jak najrozsądniej to ugryźć, ponieważ docelowo urządzonko może powstać w ilości kilkuset sztuk (wszystko zależy ile tego natrzaska klient) i chciałbym dobrze rozwiązać tę część "analogową".
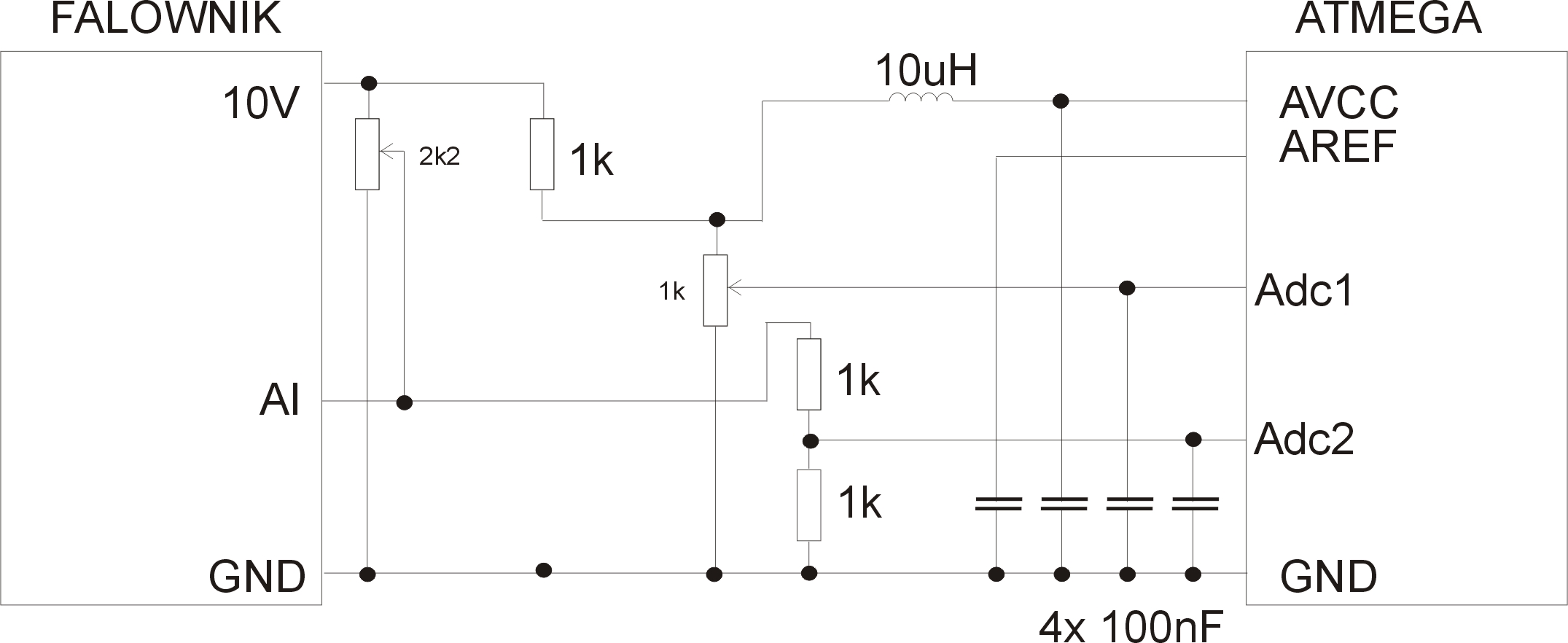
Od razu mówię, że typ falownika nie jest z góry określony. O tym decydować będzie klient. I teraz, aby maksymalnie uprościć proces uruchamiania urządzenia wymyśliłem taki oto układ połączeń:
W moim założeniu jakiekolwiek wahania napięcia 10V z falownika nie powinny być przy takim układzie połączeń wychwycone przez Atmegę właśnie ze względu na podanie jako napięcia referencyjnego dla ADC napięcia wystawianego przez falownik. Koledzy podpowiedzcie: dobrze kombinuję? Może ktoś już robił coś podobnego?
Wersją drugą mogłoby być użycie zewnętrznego źródła napięcia referencyjnego i potencjometru dwusekcyjnego dla zadawania częstotliwości. Wtedy nawet masy pomiędzy moją płytką a falownikiem nie musiałyby być ze sobą połączone. Pytanie jednak: które rozwiązanie będzie mniej podatne na zakłócenia i stabilniejsze?
Oczywiście przewody pomiędzy potencjometrami a płytką będą ekranowane.
Przymierzam się do projektowania pewnego układu dla klienta. Do Atmegi (w tej chwili jej wersja jest nieistotna) podłączone mają być 2 potencjometry. Jeden z tych potencjometrów ma być współdzielony z falownikiem. Inaczej: suwak potencjometru podłączony będzie na wejście analogowe napięciowe falownika (0-10V) i służyć będzie do nastawy częstotliwości. Drugi potencjometr nie będzie "współdzielony". Obydwa potencjometry będą liniowe.
Zastanawiam się jak najrozsądniej to ugryźć, ponieważ docelowo urządzonko może powstać w ilości kilkuset sztuk (wszystko zależy ile tego natrzaska klient) i chciałbym dobrze rozwiązać tę część "analogową".
Od razu mówię, że typ falownika nie jest z góry określony. O tym decydować będzie klient. I teraz, aby maksymalnie uprościć proces uruchamiania urządzenia wymyśliłem taki oto układ połączeń:
W moim założeniu jakiekolwiek wahania napięcia 10V z falownika nie powinny być przy takim układzie połączeń wychwycone przez Atmegę właśnie ze względu na podanie jako napięcia referencyjnego dla ADC napięcia wystawianego przez falownik. Koledzy podpowiedzcie: dobrze kombinuję? Może ktoś już robił coś podobnego?
Wersją drugą mogłoby być użycie zewnętrznego źródła napięcia referencyjnego i potencjometru dwusekcyjnego dla zadawania częstotliwości. Wtedy nawet masy pomiędzy moją płytką a falownikiem nie musiałyby być ze sobą połączone. Pytanie jednak: które rozwiązanie będzie mniej podatne na zakłócenia i stabilniejsze?
Oczywiście przewody pomiędzy potencjometrami a płytką będą ekranowane.
