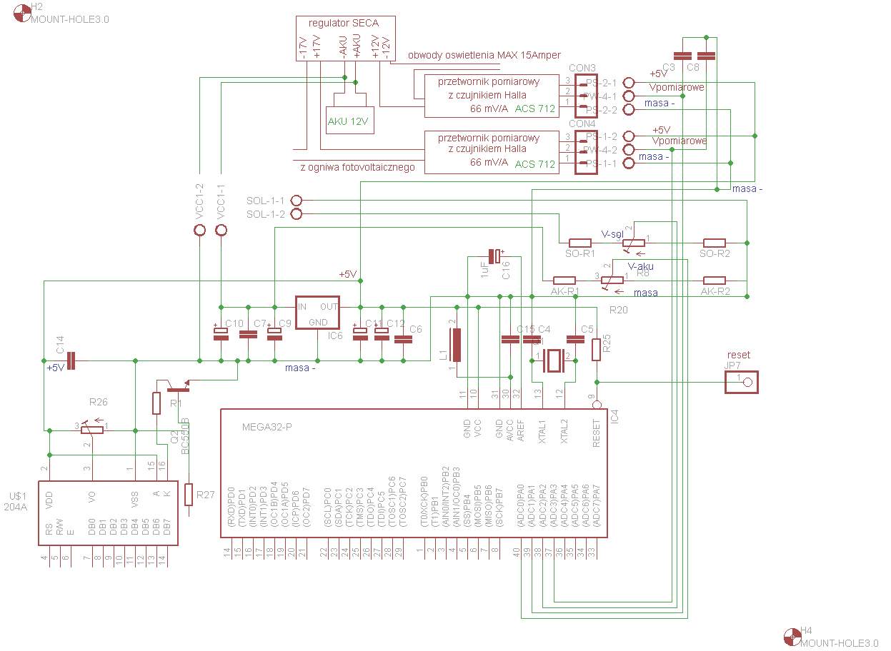
Witam. W atmedze32 wykorzystuje cztery wejścia ADC do pomiarów;
PA0 - pomiar napięcia 1 w zakresie 0-15V [zasilacz 1]
PA1 - pomiar prądu 1 w zakresie 0.1A-15A
PA2 - pomiar napięcia 2 w zakresie 0-15V [zasilacz 2]
PA3 - pomiar prądu 2 w zakresie 0.1A-15A
Wskazania pomiarów napięć na PA0 i PA2 są poprawne
Pomiary prądów realizowane poprzez ACS7112 przeprawiają o ból głowy.
Zasilanie;
ATMEGA oraz ACS712 plus 5V
wyjście pomiarowe ACS712 bezpośrednio na wejścia PA1 o PA3
ATMEGA oraz ACS712 minus 5V
Moje pytania;
-czy "podciągnięcie" do Vref [2.5V] wejść PA1 o PA3 jest konieczne skoro ACS "wystawia" napięcie w zależności od wartości przepływającego przez niego prądu.
-jakie obliczenia są konieczne by wskazania prądu płynącego przez ACS712 były poprawne.
Noty katalogowe niewiele mi powiedzą ponieważ angielski nie jest moją mocną stroną.
PA0 - pomiar napięcia 1 w zakresie 0-15V [zasilacz 1]
PA1 - pomiar prądu 1 w zakresie 0.1A-15A
PA2 - pomiar napięcia 2 w zakresie 0-15V [zasilacz 2]
PA3 - pomiar prądu 2 w zakresie 0.1A-15A
Wskazania pomiarów napięć na PA0 i PA2 są poprawne
Pomiary prądów realizowane poprzez ACS7112 przeprawiają o ból głowy.
Zasilanie;
ATMEGA oraz ACS712 plus 5V
wyjście pomiarowe ACS712 bezpośrednio na wejścia PA1 o PA3
ATMEGA oraz ACS712 minus 5V
Moje pytania;
-czy "podciągnięcie" do Vref [2.5V] wejść PA1 o PA3 jest konieczne skoro ACS "wystawia" napięcie w zależności od wartości przepływającego przez niego prądu.
-jakie obliczenia są konieczne by wskazania prądu płynącego przez ACS712 były poprawne.
Noty katalogowe niewiele mi powiedzą ponieważ angielski nie jest moją mocną stroną.
