Witam
Tak jak w temacie, po podłączeniu zasilania monitor nie reaguje.
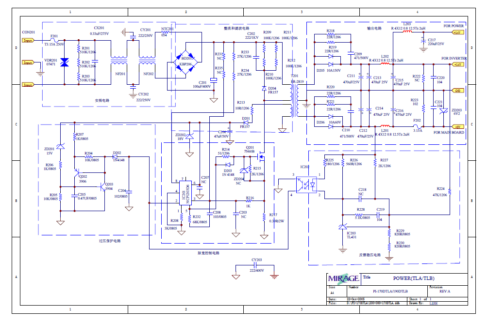
Podejrzanym jest zasilacz 190DTLB.
Udało znaleźć mi się do niego schemat:
Z wstępnych pomiarów wynika, że:
Bezpiecznik F201 jest spalony.
Tranzystor Q201 jest cały czas zwarty mimo prób rozładowania bramki.
To zwarcie spowodowało nadpalenie rezystora R217 który złożony jest z czterech rezystorów smd.
Co mogło być przyczyną takiego uszkodzenia?
Czy ktoś z doświadczenia wie jakie elementy psują się przy okazji?
Dodatkowo planuję zmienić mostek prostowniczy, diody D201, D204 oraz wszystkie elektrolity.
Nie mogę nigdzie kupić Q201 7N60B, szukać jakiegoś zamiennika czy oryginał?
Będę wdzięczny za każdą pomoc.
Tak jak w temacie, po podłączeniu zasilania monitor nie reaguje.
Podejrzanym jest zasilacz 190DTLB.
Udało znaleźć mi się do niego schemat:
Z wstępnych pomiarów wynika, że:
Bezpiecznik F201 jest spalony.
Tranzystor Q201 jest cały czas zwarty mimo prób rozładowania bramki.
To zwarcie spowodowało nadpalenie rezystora R217 który złożony jest z czterech rezystorów smd.
Co mogło być przyczyną takiego uszkodzenia?
Czy ktoś z doświadczenia wie jakie elementy psują się przy okazji?
Dodatkowo planuję zmienić mostek prostowniczy, diody D201, D204 oraz wszystkie elektrolity.
Nie mogę nigdzie kupić Q201 7N60B, szukać jakiegoś zamiennika czy oryginał?
Będę wdzięczny za każdą pomoc.
