Witam. Potrzebuję zbudować układ który będzie prostym timerem do ćwiczeń. Jest to mój pierwszy projekt i chciałbym poprosić Was o sprawdzenie schematu oraz wszelkie uwagi, sugestie dotyczące błędów i poprawek.
Z góry dziękuję i wybaczcie za wszelkie błędy kardynalne
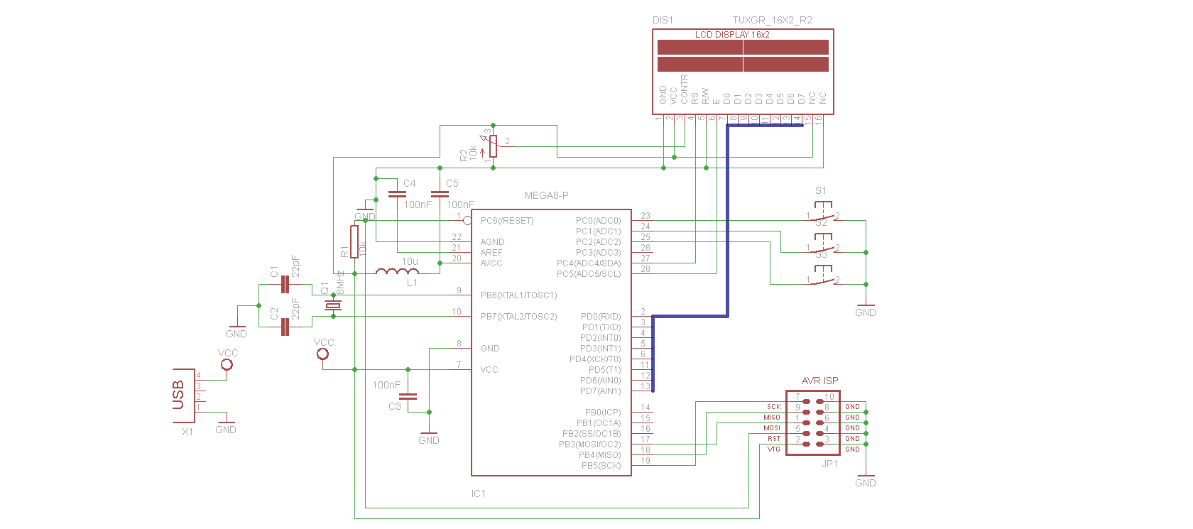
C1, C2: Proponuję 18-22pF.
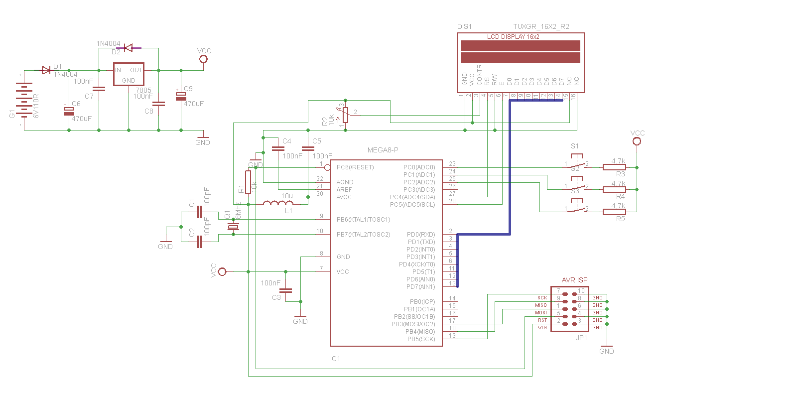
R3, R4, R5: Prawie dobrze, ale przyciski mają być podłączone do portów, ale zwierać do GND. Rezystory mają podciągać, czyli być wpięte między przyciski a Vcc. W sumie te rezystory możesz pominąć wykorzystując pull-up'y na portach uC.
Jeżeli układ chcesz zasilać z 6V, to 7805 nie pociągnie. On potrzebuje min. 8V na wejściu. D1 dodatkowo pogarsza sprawę. Moim zdaniem zbędna kiedy masz gniazdo do zasilania.
Jeżeli to ma być pędzone z baterii, to na pewno nie mega 8 i na pewno podświetlenie LCD nie może być na stałe. Użyj wtedy jakiegoś małego MOSFETa na poziomy logiczne.
Racja C1, C2 nie powinny być takie wysokie (musiał mi się wedrzeć przypadkowy błąd, bo sprawdzałem to w datasheet).
Co do przycisków, znalazłem w jakimś kursie, że mogą być podciągnięte do VCC przez rezystor bądź zwarte do masy bez rezystorów. Z tego co teraz zrozumiałem, podciąganie ich do VCC jest błędem tak?
Czy jeśli zastosuję jakiś akumulatorek 9V to wystarczy? Układ nie będzie pracował długo.
Podciągnięcie, to spolaryzowanie wejścia. W przypadku AVRów, przyciski podłączasz między wejście uC a GND, a rezystor podłączasz między wejście (i jednocześnie przycisk), a VCC. Właśnie ze względu na wbudowane rezystory podciągające, na ogół zbędne są rezystory zewnętrzne, tutaj R3, R4, R5. Atmega ma tak zbudowane porty, że tryb pracy jako wejście wymaga ustawienia stanu wysokiego w rejestrze stanu portu, co de fakto włącza pull-up. Jeżeli tego nie zrobisz, albo przycisk podłączysz do Vcc, to układ nie będzie potrafił rozpoznać naciśnięcia przycisku, ponieważ na wejściu nic się nie zmieni.
Może zamiast muzealnej megi8, weź coś nowszego, co ma mniejszy pobór prądu i może pracować w szerszym zakresie napięć. Wtedy jakikolwiek stabilizator może być zbędny. A jeżeli już chcesz, to użyj jakiegoś low-drop, choćby LM1117-5.0.
Długo czy nie, najwięcej możesz zyskać przez dobry program, który korzysta z trybów oszczędzania energii przez uC.
Zapoznaj się z tym tematem: http://mikrokontrolery.blogspot.nl/2011/01/bateria-zasila-mikrokontroler-czesc-1.html Szczególnie część 2.
Dzięki za artykuł. Teraz widzę, że zasilanie układu z baterii to wcale nie taka prosta sprawa jakby się wydawało. Myślę, że jako pierwszy układ chyba lepszym wyjściem będzie zasilić jednak układ w inny sposób.
Czy mogę zasilić układ z USB tak jak poprawiłem na schemacie oraz czy reszta schematu jest już poprawna? Jeszcze jedno pytanie (może trochę głupie): nieużywane wyjścia portów powinienem podpiąć do GND tak?
według dokumentacji C8 powinien być 330nF i oczywiście ceramiczny
Brakuje kondensatora np 100nF przy zasilaniu LCD
Złącze programatora lepiej zrobić zgodnie ze standardem aby pasowały wszystkie programatory
niewykorzystane porty najbezpieczniej zostawić niepodłączone (a w programie ustawić na nich stany jako wyjścia)
w przypadku zasilania z bateri 9V najlepiej użyc oszczędnej przetwornicy synchronicznej step down, np ST1S10P
Podświetlanie LCD należy podłączyć przez rezystor, np 10R dla 5V da to około 80mA na podświetlanie
W sprawie kwarcu - atmegi mają wewnętrzy oscylator i w zasadzie dla prostych projektów kwarc zewnętrzny jest zbędny. Można też podłączyć tylko 4ry ostatnie linie danych do LCD (D4-7).
powodzenia