logo elektroda
logo elektroda
X
logo elektroda
Adblock/uBlockOrigin/AdGuard mogą powodować znikanie niektórych postów z powodu nowej reguły.

CB radio Harry III z ASC - brak odbioru po wymianie S455HT i TDA 2003

pawcio26aa 02 Gru 2014 21:00 2373 9
  • #1 14186406
    pawcio26aa
    Poziom 12  
    Witam. Posiadam problem z CB radiem Harry III z ASC. Radio po wymianie S455HT oraz TDA 2003 gdyż oba elementyły były uszkodzone. Radio dalej nie odbiera, SW miarka skacze lecz cisza. Jak nacisnę klawisz na gruszce od nadawania to nagle słyszę szumy w radiu. Nie wiem co może być nie tak?
  • #2 14186520
    kriss51
    VIP Zasłużony dla elektroda
    Standardowo na początek proszę sprawdzić napięcie na wyjściu stabilizatora IC502. Powinno być 8V.
  • #3 14187225
    SP5ANJ
    Spoczywaj w Pokoju
    Witam.

    pawcio26aa napisał:
    SW miarka skacze lecz cisza.

    Napisz co to jest ta SW miarka. :?:

    Cytat:
    Jak nacisnę klawisz na gruszce od nadawania to nagle słyszę szumy w radiu.

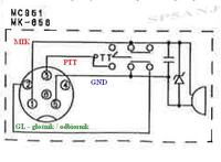
    Widać, że masz pomylone kabelki we wtyku MIK.

    CB radio Harry III z ASC - brak odbioru po wymianie S455HT i TDA 2003


    Pozdrawiam.
  • #4 14196779
    pawcio26aa
    Poziom 12  
    Gruszka OK. Stabilizator sprawny. Na wyjściu 7.92V
  • #5 14196904
    kriss51
    VIP Zasłużony dla elektroda
    pawcio26aa napisał:
    SW miarka skacze lecz cisza
    Mam rozumieć że "skacze" czyli linijka wskazuje jak odbiera jakąś stację, albo "podskakuje" sama od siebie? Bo różnie bywa z tym sprzętem.
    Jeszcze jedno pytanko. Jak wciśniesz PTT to choroba ustępuje na stałe czy tylko na chwilę jest szum i znowu cisza?
    Dziwi fakt że wymieniłeś TDA2003 oraz filtr 2 pcz. Oba elementy nie mają nic wspólnego z sobą po za tym że pracują w jednym radiu.
  • #6 14204433
    pawcio26aa
    Poziom 12  
    TDA wymieniłem gdyż nie byłem pewny czy sprawny jest, filtr pcz myślałem, że jest uszkodzony gdyż zazwyczaj przy takich objawach to on siada. Jednak nie w tym przypadku.
  • #8 14205172
    Konto nie istnieje
    Poziom 1  
  • #9 14210614
    pawcio26aa
    Poziom 12  
    Próba zwarcia kontaktronu, Efekt? Coś tam zaczeło szumieć, odbierać, jednakże bardzo cichuteńko.
  • #10 14211044
    mickemaster
    Poziom 27  
    Głośnik 100% sprawny?
REKLAMA