Witam drogich forumowiczów.
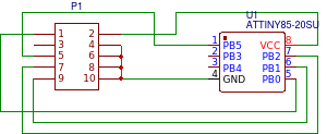
Jestem dość świeży, jeżeli chodzi o programowanie mikroukładów, wcześniej robiłem to tylko w kontrolowanych warunkach, na uczelnianym zestawie, który po prostu działał. Teraz zachciało mi się chwycić byka za rogi i samemu zrobić jakieś urządzenie. Zdobyłem programator, usbasp taki jak tu, zainstalowałem sterowniki, podpialem się do płytki stykowej. Zainstalowałem też winavr z avr dude, khazam i jeszcze atmel studio, na wszelki wypadek. Trochę się z tym poszarpałem, odwrotnie poprzypinałem wyjścia z programatora, ale się udało uruchomić w końcu avrdude na tym i tu się pojawił pierwszy problem.
Jak się okazało, jest to powszechny przypadek dla programatorów usbasp, bo mają przestarzały firmware i avrdude nie wie, że mają fabrycznie ustawiony sck. Wiem, jak to naprawić, jednak nie mam drugiego programatora by to zrobić. Generalnie problem ten jest pomijalny, jeżeli się przestanie zwracać uwagę na komunikat o błędzie.
Drugi problem pojawił się znacznie później, jak już miałem zrobiony cały program, który chciałem wgrać na procesor. Odpaliłem khazama, by ustawić fuse i lock, a tu się okazuje, że nie umie czytać lock bitsów. Znowu się okazało, że dla avrdude to też jest powszechny problem, bo nie pojawia się w sekcji dla t85 nic o tej funkcji. Toteż dopisałem, co trzeba do pliku .config i nadal nie działa. Mimo długich prób, reinstalowania wszystkiego i siedzenia z głową w intetnetach do 5 rano, nie wypaliło.
Dlatego też proszę was o pomoc. Co mam zrobić, co zmienić? Może użyć czegoś innego, niż avrdude?
Z góry dziękuję za odpowiedzi.
Jestem dość świeży, jeżeli chodzi o programowanie mikroukładów, wcześniej robiłem to tylko w kontrolowanych warunkach, na uczelnianym zestawie, który po prostu działał. Teraz zachciało mi się chwycić byka za rogi i samemu zrobić jakieś urządzenie. Zdobyłem programator, usbasp taki jak tu, zainstalowałem sterowniki, podpialem się do płytki stykowej. Zainstalowałem też winavr z avr dude, khazam i jeszcze atmel studio, na wszelki wypadek. Trochę się z tym poszarpałem, odwrotnie poprzypinałem wyjścia z programatora, ale się udało uruchomić w końcu avrdude na tym i tu się pojawił pierwszy problem.
Jak się okazało, jest to powszechny przypadek dla programatorów usbasp, bo mają przestarzały firmware i avrdude nie wie, że mają fabrycznie ustawiony sck. Wiem, jak to naprawić, jednak nie mam drugiego programatora by to zrobić. Generalnie problem ten jest pomijalny, jeżeli się przestanie zwracać uwagę na komunikat o błędzie.
Drugi problem pojawił się znacznie później, jak już miałem zrobiony cały program, który chciałem wgrać na procesor. Odpaliłem khazama, by ustawić fuse i lock, a tu się okazuje, że nie umie czytać lock bitsów. Znowu się okazało, że dla avrdude to też jest powszechny problem, bo nie pojawia się w sekcji dla t85 nic o tej funkcji. Toteż dopisałem, co trzeba do pliku .config i nadal nie działa. Mimo długich prób, reinstalowania wszystkiego i siedzenia z głową w intetnetach do 5 rano, nie wypaliło.
Dlatego też proszę was o pomoc. Co mam zrobić, co zmienić? Może użyć czegoś innego, niż avrdude?
Z góry dziękuję za odpowiedzi.

