Steryd3 napisał: -zwiększył bym pojemności kondensatorów przed i po stabilizatorze do 100-220µF.
wartości tych kondensatorów wziąłem z datasheetu stabilizatora, moge oczywiście to zmienić, ale po co?
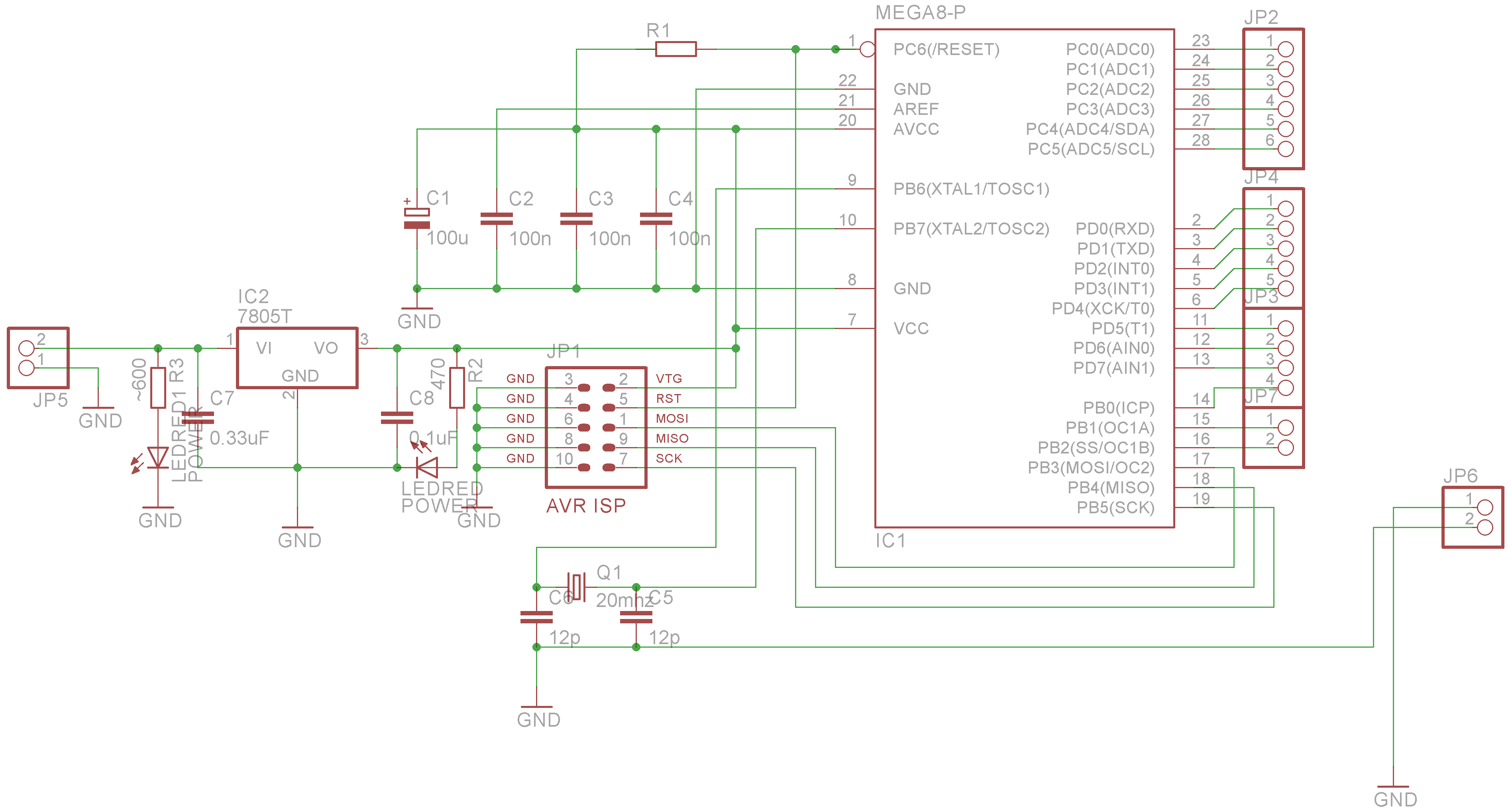
Steryd3 napisał: -rezystor R1 nie ma wartości- niech ma 10-15kΩ.
rzeczywiście, ten rezystor będzie miał wartość 10k
Steryd3 napisał: -nie znam rozkładu pinów złącza programującego ale jak zerknąłem na rozpiskę 10-pinowego złącza KANDA to nie bardzo mi się to pokrywa- sprawdź to.
- maksymalna częstotliwość rezonatora kwarcowego dla ATmega8 z tego co pamiętam wynosiła 16MHz ...chyba, że ostatnio coś ją podrasowali ale nie słyszałem o tym

tutaj znalazłem
link właśnie takie połączenia, więc uznałem, że moge również takich użyć, zdecydowałem też, że zamiast tego kwarcu wstawie poprostu żeńskie goldpiny, dzięki którym będe mógł dowolnie zmieniać jego wartości
I jeszcze jedno pytanie - czy jest sens wylewania masy na płytce? w wielu projektach omija się ten zabieg, czy w tym również mogę go pominąć?