logo elektroda
logo elektroda
X
logo elektroda
REKLAMA
REKLAMA
Adblock/uBlockOrigin/AdGuard mogą powodować znikanie niektórych postów z powodu nowej reguły.

Współpraca falownika z wyłącznikami silnikowymi

wladkiel 07 Gru 2014 11:18 3498 14
REKLAMA
  • #1 14199078
    wladkiel
    Poziom 10  
    Dzień dobry, mam taki problem:
    Zasilam z falownika kilka silników (bez czujników temperatury wewnątrz silnika) o mocach 0.37, 0.55kW. Zastosowałem więc wyłączniki silnikowe 1-1.6A na każdy silnik (ze stykami pomocniczymi). Okazało się, że przy "prędkości" falownika 50Hz układ działa dostatecznie, ale poniżej 25Hz rozłączały się wyłączniki silnikowe nawet 1.6-2.5A nastawione na maksymalny zakres, mimo, że prąd pokazywany przez falownik to 1 - 1.2A (silniki mało obciążone). Prośba o wyjaśnienie przyczyny, ew. o poradę co zrobić, aby układ działał i silniki były zabezpieczone. Dziękuję
  • REKLAMA
  • #2 14199262
    MARIUSZ R
    Poziom 28  
    Na początek sprawdziłbym czy producent dopuszcza jakiekolwiek zabezpieczenia za falownikiem.
  • REKLAMA
  • #3 14199517
    wladkiel
    Poziom 10  
    Dziękuję za szybką reakcję
    Na początek sprawdziłbym czy producent dopuszcza jakiekolwiek zabezpieczenia za falownikiem.
    Wydaje mi się, że w żadnej instrukcji falownika nie ma słowa o wył. silnikowych, a często włącza się je za falownikiem bo jak inaczej za rozsądną cenę zrobić linię o sterowanej prędkości (myślę, że to takie milczące przyzwolenie). Mój problem sprawdzałem to na falowniku Siemensa i Hitachi. W instrukcji LG nie ma słowa o wył. silnikowych, ani o zgodzie ani o zakazie.
  • #4 14199579
    apajak1988
    Poziom 19  
    Jak dla mnie to zabezpieczenie powinno być przed falownikiem, nie za.
  • #5 14199670
    krzysiekj18
    Poziom 19  
    W przypadku większości falowników nie zaleca się montowania wyłącznika silnikowego za falownikiem. W sytuacji gdy podczas pracy napędu nastąpi odłączenie silnika (przez wyłącznik) dochodzi do przepięcia, które może uszkodzić falownik. W Twoim przypadku pod jeden falownik jest podłączonych kilka silników więc możliwe, że w/w przepięcie zostanie przejęte i wygładzone przez pozostałe pracujące silniki.

    Spotkałem kilka aplikacji z "wieloma" silnikami za jednym falownikiem, przy czym były to silniki o takiej samej mocy i nie posiadały termików (były podpięte prosto pod falownik).

    Z moich obserwacji wynika, że w przypadku aplikacji tego typu bardzo istotna jest kwestia odpowiedniej konfiguracji parametrów silnika w falowniku (tj. łączny prąd silników, łączna moc silników itp.). Falowniki przy zmniejszaniu częstotliwości obniżają napięcie wyjściowe na podstawie w/w parametrów.

    Dodatkowo należy pamiętać, że silniki asynchroniczne tracą moc wraz z zmianą częstotliwości.

    Jeśli istnieje taka możliwość podłącz pod falownik tylko jeden silnik, skonfiguruj pod niego falownik, ustaw niskie obroty i sprawdź prądy silnika, oraz napięcie na wyjściu falownika...
  • #6 14199858
    wladkiel
    Poziom 10  
    Jeśli istnieje taka możliwość podłącz pod falownik tylko jeden silnik, skonfiguruj pod niego falownik, ustaw niskie obroty i sprawdź prądy silnika, oraz napięcie na wyjściu falownika...
    Takie próby robiliśmy i mimo, że falownik wskazywał 1.1 - 1.2 A to wyłącznik silnikowy, nawet o zakresie 1.6 - 2.5 wyłączał i nie możemy stwierdzić co było przyczyną. Ogladalismy prąd na oscyloskopie i był przyzwoitą sinusoidą z zawartością w.cz mocno poniżej 10 %
  • #7 14200202
    manio978
    Poziom 12  
    Oprócz wyzwalacza zwłocznego (bimetalu) wyłącznik silnikowy posiada też wyzwalacz zwarciowy. Ciekawe jak ten wyzwalacz zwarciowy mierzy ten prąd przy innej częstotliwości, wszak miernik cęgowy musi być typu RMS TRUE aby mierzyć poprawnie prąd falownika.
  • #8 14200461
    wladkiel
    Poziom 10  
    Oprócz wyzwalacza zwłocznego (bimetalu) wyłącznik silnikowy posiada też wyzwalacz zwarciowy. Ciekawe jak ten wyzwalacz zwarciowy mierzy ten prąd przy innej częstotliwości, wszak miernik cęgowy musi być typu RMS TRUE aby mierzyć poprawnie prąd falownika

    Jutro spróbujemy z wyłącznikiem bez wyzwalacza el-mag. Dziękuję
  • REKLAMA
  • #9 14200735
    manio978
    Poziom 12  
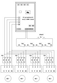
    Znalazłem kiedyś na sieci taki schemacik
    Współpraca falownika z wyłącznikami silnikowymi
    była też porada
    Uwaga: Stosujemy takie zabezpieczenia które wyłączają zestyk pomocniczy a nie rozwierają torów prądowych głównych. Dlatego stosujemy indywidualne zabezpieczenia przeciążeniowe ( przekaźniki przeciążeniowe ze stykami NO), których zadaniem jest wykrycie przeciążenia i wyłączenie styku pomocniczego.
  • #10 14201510
    wladkiel
    Poziom 10  
    Uwaga: Stosujemy takie zabezpieczenia które wyłączają zestyk pomocniczy a nie rozwierają torów prądowych głównych. Dlatego stosujemy indywidualne zabezpieczenia przeciążeniowe ( przekaźniki przeciążeniowe ze stykami NO), których zadaniem jest wykrycie przeciążenia i wyłączenie styku pomocniczego
    No tak, ale takie konstrukcje wyłączników są dla dużych prądów, których silnikowy nie może rozłączać.
  • #11 14201778
    falowniki.com
    Spec od Falowników
    W niektórych uzasadnionych przypadkach możemy stosować układ wielosilnikowy na wyjściu falownika (sterowanie skalarne). Połączenie równoległe wielu silników powoduje zmniejszenie rezystancji obciążenia wyjścia falownika a wypadkowa indukcyjność stojana również się zmniejsza natomiast zwiększa się pojemność upływu do ziemi, a co za tym idzie większe są zniekształcenia prądu niż przy podłączeniu tylko jednego silnika do wyjścia przemiennika.

    Pytania:
    - jaki typ wyłączników zastosowany został w układzie
    - w jakiej odległości od falownika zostały zainstalowane
    - jaka jest długość przewodów silnikowych
    - jaki typ kabla silnikowego został zastosowany
  • #12 14202158
    wladkiel
    Poziom 10  
    Pytania:
    - jaki typ wyłączników zastosowany został w układzie
    - w jakiej odległości od falownika zostały zainstalowane
    - jaka jest długość przewodów silnikowych
    - jaki typ kabla silnikowego został zastosowany

    wył. siln. Mbs32 z dodatkowymi stykami
    ok. 0.5 - 1m od falownika
    średnia długość kabli 30m
    przewód OWY 3x1.5mm2
  • REKLAMA
  • #13 14202255
    tqmeh
    Poziom 19  
    Naprawiałem kiedyś maszynę o podobnej konstrukcji i wszystko działało poprawnie, jak znajdę to podam jakie zabezpieczenia silnikowe tam pracują.
    Zapytaj w jakiejś dobrej hurtowni elektrycznej podzwonią i coś zaproponują

    apajak1988 napisał:
    Jak dla mnie to zabezpieczenie powinno być przed falownikiem, nie za.


    I jest p.zwarciowe
  • #14 14536893
    wladkiel
    Poziom 10  
    Problemem, jak się okazało, nie była współpraca z zabezpieczeniami, ale fakt, że sumaryczna długość przewodów do silników znacznie przekraczała 50m. Zaczyna wtedy odgrywać rolę pojemność przewodów i pojawiają się przepięcia (szpilki) w momencie kluczowania falownika. Należy wtedy założyć na wyjściu falownika filtr "sinusoidalny", lub dławik "di/dt" do wygładzenia prądów. Są to kosztowne, ale niezbędne inwestycje bo przepięcia mogą spowodować uszkodzenia silników. Dziękuję za zainteresowanie.
  • #15 14603280
    brajan86
    Poziom 2  
    Wszystko zależy właśnie od charakterystyk wyłącznika i parametrów producenta. Warto to sprawdzić w manualu.
REKLAMA