logo elektroda
logo elektroda
X
logo elektroda
REKLAMA
REKLAMA
Adblock/uBlockOrigin/AdGuard mogą powodować znikanie niektórych postów z powodu nowej reguły.

suzuki vitara - Swiatła w pługu śnieżnym sterowane z przekaźników

Mateuszloczek1994 11 Gru 2014 16:52 2238 4
REKLAMA
  • #1 14213064
    Mateuszloczek1994
    Poziom 2  
    Witam, proszę o konsultacje co do mojego pomysłu... Do vitary jest będzie przymocowany pług śnieżny oczywiście będzie on demontowany jak nie będzie potrzebny i moim zadaniem jest to żeby podczas gdy będzie pług zamontowany zrobić tak żeby nie świeciły światła mijania tylko oświetlenie które jest w pługu. Mam taki pomysł:
    suzuki vitara - Swiatła w pługu śnieżnym sterowane z przekaźników

    zadziała to tak jak powinno? halogen bedzie świecił normalnie?
  • REKLAMA
  • #2 14213117
    AdrianK17
    Poziom 16  
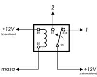
    suzuki vitara - Swiatła w pługu śnieżnym sterowane z przekaźników

    87A - światła mijania
    87 - halogen
    86 - sterowanie z przełącznika w kabinie
  • REKLAMA
  • #3 14213137
    Mateuszloczek1994
    Poziom 2  
    dodatkowy przełącznik w kabinie czy ten od świateł ? bo góra zażyczyła sobie bez dodatkowych przełączników w środku. i dlatego chce zrobić tak żeby przy wpięciu kostki z pługa automatycznie włączały się światła na pługu a w samochodzie gasły.
  • REKLAMA
  • Pomocny post
    #4 14213155
    AdrianK17
    Poziom 16  
    Wykorzystaj piny we wtyczce, weź napięcie dodatnie ze świateł mijania sprzed przekaźnika do sterowania przekaźnikiem, taka "zworka" :)

    Przewód od pinu 30 do gniazda, a we wtyczce zworka z kabelka, żeby napięcie wróciło przez gniazdo drugim przewodem do pinu 86.
  • #5 14213192
    Mateuszloczek1994
    Poziom 2  
    Kumiem... na osobnym obwodzie sprzed przekaźnika ciągne do kostki i w momencie podpięcia zamknie się obwód i zadziała elektromagnes i przełączy na swiatła w pługu;)... coś mi takiego świtało wcześniej tylko chciałem zużyć mniej przewodu stąd moje pytanie;D dzięki
REKLAMA