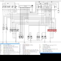
Ma ktoś schemat mondka jak w temacie? Potrzebuję odbudować instalację do ledów i halogenów po strzale (ktoś odciął wtyczki z prawej strony i jeden czujnik parkowania).
Dokładnie chodzi mi o kable:
- czarno fioletowy (masa?),
- ziolono pomarańczowy (gruby - wchodzi do lewego LEDa, ale nie widzę, żeby szedł do wiązki w aucie),
- brązowo żółty,
- biało lilowy,
- pomarańczowy.
Za wszystki epodpowiedzi z góry dzięki.
Dokładnie chodzi mi o kable:
- czarno fioletowy (masa?),
- ziolono pomarańczowy (gruby - wchodzi do lewego LEDa, ale nie widzę, żeby szedł do wiązki w aucie),
- brązowo żółty,
- biało lilowy,
- pomarańczowy.
Za wszystki epodpowiedzi z góry dzięki.