logo elektroda
logo elektroda
X
logo elektroda
Adblock/uBlockOrigin/AdGuard mogą powodować znikanie niektórych postów z powodu nowej reguły.

ROSCHELL RWB0021 - szukam schemat ładowarki od wkrętarki

radek7220 14 Gru 2014 21:26 3651 9
  • #2 14223527
    waldek63
    Poziom 16  
    Jakiej firmy ta wkrętarka kolego na jakim układzie scalonym jest zbudowana odczytaj nazwę układu oraz nazwę tranzystora lub tyrystora przykręconego do radiatora mam sporo dokumentów coś zaradzimy pozdrawiam
  • #3 14229376
    radek7220
    Poziom 9  
    Tranzystor o numerze BO902 FOPF 5N60C. A układ scalony 97DKYCK LM324N. Pozdrawiam :D
  • #4 14229808
    waldek63
    Poziom 16  
    Kolego zrób fotkę dobrej jakości przetwornicy z lewej strony przed radiatorem oraz od strony elementów i ścieżek i wyślij na waldemarzbigniew(_at_)interia.pl chodzi mi oto na czym zbudowana jest przetwornica sprawdź czy nie przebite są diody koniecznie wymień tranzystor mosfet 50n60C 4.5 A, 600 V (kanał N) rezystor to 270 om albo 470 om spisz nazwę transoptora U1 ( układ z czterema nóżkami) w miejscu spalonego rezystora wydrap węgiel z laminatu do białości
  • #5 14232333
    radek7220
    Poziom 9  
    Wiadomość została wysłana. Numer transoptora 817. Tranzystor wymienię jutro i diody sprawdzę też jutro. To w końcu jaki dobrać rezystor ?

    Dodano po 14 [minuty]:

    na miejscu rezystora nie ma numeru wypalony jest. ale od lewej strony numer jesr r23 a z prawej 24
  • #6 14232516
    waldek63
    Poziom 16  
    Kolego uszkodzony masz układ przetwornicy spalony rezystor to tylko skutek uszkodzenia tranzystora zrób o co cię prosiłem i prześlij na moją pocztę bo nadal nie wiem co steruje przetwornicą z uszkodzeniem tranzystora leci zazwyczaj układ sterujący pozdrawiam waldek 63

    Dodano po 3 [godziny] 38 [minuty]:

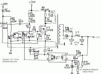
    No i sprawa jasna wymień tranzystor 5N60C posprawdzaj diody wylatuj dwa tranzystory PNP i NPN i sprawdź jak są okej to nie musisz wymieniać transoptora gdy są jednak uszkodzone to koniecznie wymień transoptor (uwaga po stronie wtórnej znajduje się dioda szybka ona na mierniku zachowuje się inaczej)niepokoi mnie ten zielony nalot jak to jest rozlany elektrolit to umyj płytkę spirytusem (SS) przesyłam ci schemacik co prawda nie tej ładowarki ale przetwornica zbudowana jest identycznie prześledź ścieżki i sprawa z rezystorem się wyjaśni na lm324 zbudowana jest automatyka ładowania u ciebie raczej jest ona sprawna
  • #7 14235031
    radek7220
    Poziom 9  
    Dzięki za otrzymane podpowiedzi :D Ale nadal nie wiem jaki to rezystor dołożyć za ten spalony.
  • #8 14235224
    waldek63
    Poziom 16  
    Kolego weź że wreszcie prześledź (poleć po ścieżkach ) gdzie ten opornik idzie i odczytaj ze schematu posprawdzaj to co ci pisałem wyżej co prawda schemat jest nie od tej ładowarki ale aplikacja przetwornicy jest identyczna koniec tematu więcej wiadomości pisz na PW
  • #9 17877815
    Marek153
    Poziom 11  
    Wartość tego rezystora, to 62Ω.
  • #10 17882616
    Marek153
    Poziom 11  
    Ja właśnie posiadam taką ładowarkę - firmy roschell i chciałbym ją wykorzystać do ładowania akumulatorków litowo/jonowych 18650 zintegrowanych z pcb bms 3s .Tylko nie wiem czy to możliwe, bo na jej wyjściu napięcie mierzone wynosi od 28-35 volt. Może takie wartości napięcia są normalne dla ładowarek impulsowych? Jeżeli nie, to prosiłbym o wskazanie miejsca ewentualnej usterki.
    Jej moc 30W, prąd-1,6A. ROSCHELL RWB0021 - szukam schemat ładowarki od wkrętarki ROSCHELL RWB0021 - szukam schemat ładowarki od wkrętarki ROSCHELL RWB0021 - szukam schemat ładowarki od wkrętarki
REKLAMA