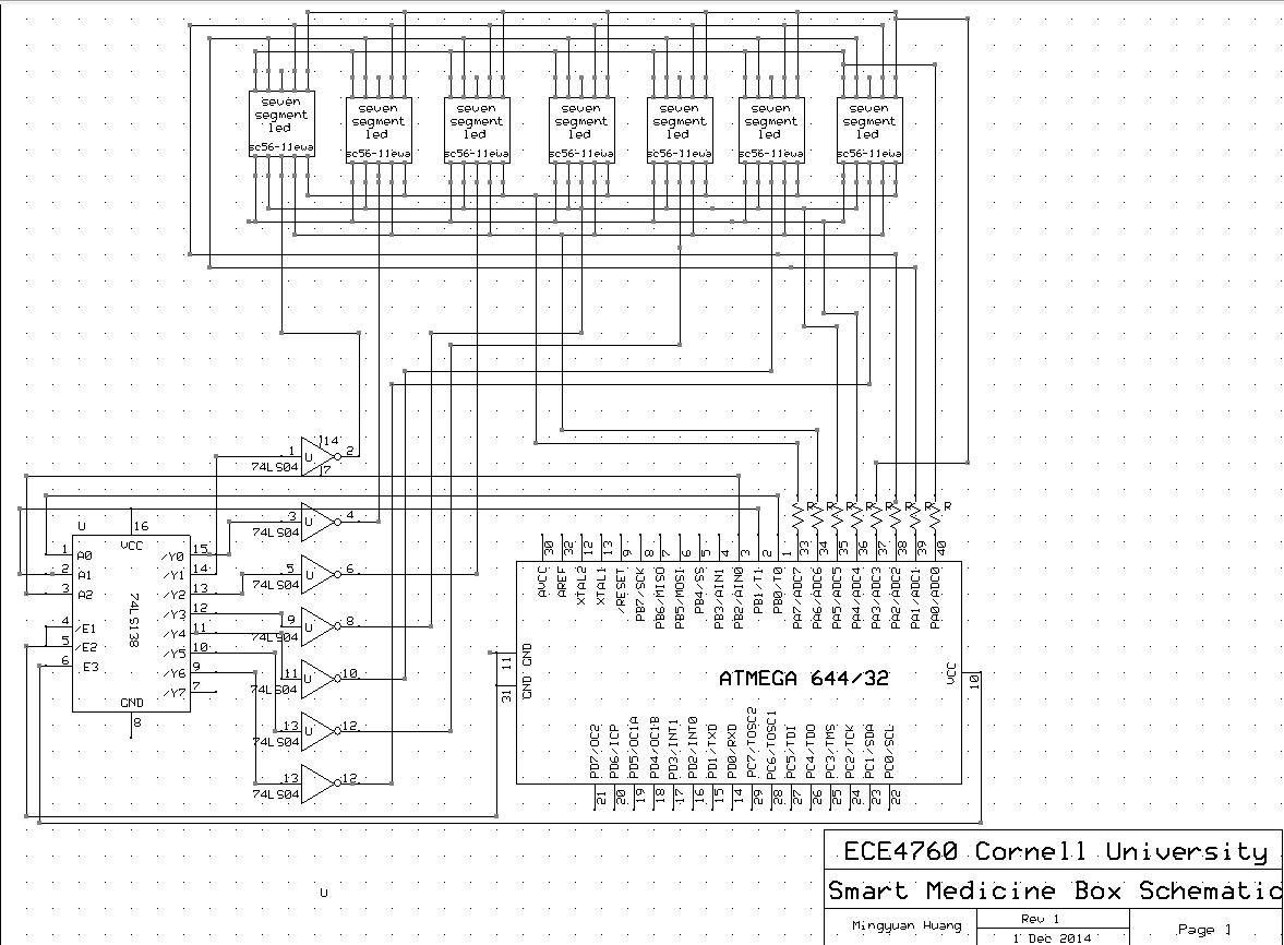
Oto pojawiły się projekty końcowe studentów z Cornella. Jak zwykle są szczegółowo opisane, pomysłowe, a przede wszystkim, w większości oparte na indywidualnych projektach (nie na uniwersalnych modułach typu Arduino). Poniżej przedstawiam jeden z projektów. Jest to zbudowany w oparciu o mikrokontroler Atmel 1284p inteligentny pojemnik na lekarstwa (tabletki). Projekt jest skierowany do osób, które przyjmują regularnie leki lub suplementy. Urządzenie jest w pełni programowalne za pośrednictwem umieszczonej na panelu klawiatury. Mikrokontroler umożliwia ustawienie dawek każdego z siedmiu rodzajów leków zgodnie z codziennym harmonogramem. Urządzenie sygnalizuje konieczność przyjęcia konkretnej dawki leku sygnałem dźwiękowym i świetlnym. Na wyświetlaczach 7-segmentowych prezentowana jest liczba (dawka) tabletek z danego pudełka jaką należy przyjąć (jeśli przepisano więcej niż jedną tabletkę). Pozostałe informacje niezbędne do zaprogramowania harmonogramu są odczytywane wprost z wyświetlacza LCD.
Dzięki takiemu rozwiązaniu nie trzeba się przejmować ilością tabletek w każdym pojemniku, jak w przypadku zwykłych zasobników i nie trzeba skrupulatnie uzupełniać ich każdego dnia. Pomysł do stworzenia tego projektu auto zaczerpnął z własnego doświadczenia. Pilnowanie leków dla jego dziadka było żmudne i uciążliwe. Ten system nie tylko jest więc studenckim projektem zaliczeniowym, ale także znajdzie praktyczne zastosowanie poza uczelnią. Gdyby autor popracował trochę nad obudową i projektem elektroniki i połączeń, to z pewnością otrzymałby poręczne, estetycznie wykonane i przede wszystkim praktyczne urządzenie. Konstrukcja zbudowana w oparciu o pudełka kartonowe może i jest wystarczająca do prezentacji projektu wykładowcy, ale z pewnością nie sprawdzi się przy dłuższym użytkowaniu.
Na stronie autora znajdziecie dokładny opis budowy urządzenia wraz ze szczegółowym objaśnieniem działania oprogramowania. Autor napisał po kilka zdań do każdej z funkcji kodu: obsługi głośnika, klawiatury, działania urządzenia, struktury danych itp. Na stronie znajdziecie udostępniony także w kod napisany w języku C oraz schematy urządzenia.
Źródło http://people.ece.cornell.edu/land/courses/ec...l%20project/ECE%204760%20final%20project.html
Fajne? Ranking DIY
